Instrument Cluster lights up but gauges do not work

Tiny
STEVE-OOO888
  • MEMBER
  • 2004 FORD F-250
  • 6.0L
  • V8
  • TURBO
  • 4WD
  • AUTOMATIC
  • 168,000 MILES
Also, the radio won’t turn on. Windows won’t roll down. Dome lights won’t turn on.
Friday, June 3rd, 2022 AT 10:21 PM

1 Reply

Tiny
KASEKENNY
  • MECHANIC
  • 18,907 POSTS
These may all be related but they may not be also. So, the best thing to do when these things happen is pick one system and fix that one. Then we need to retest the other systems. If they are all fixed, then that is great. If not, then we move onto the next one.

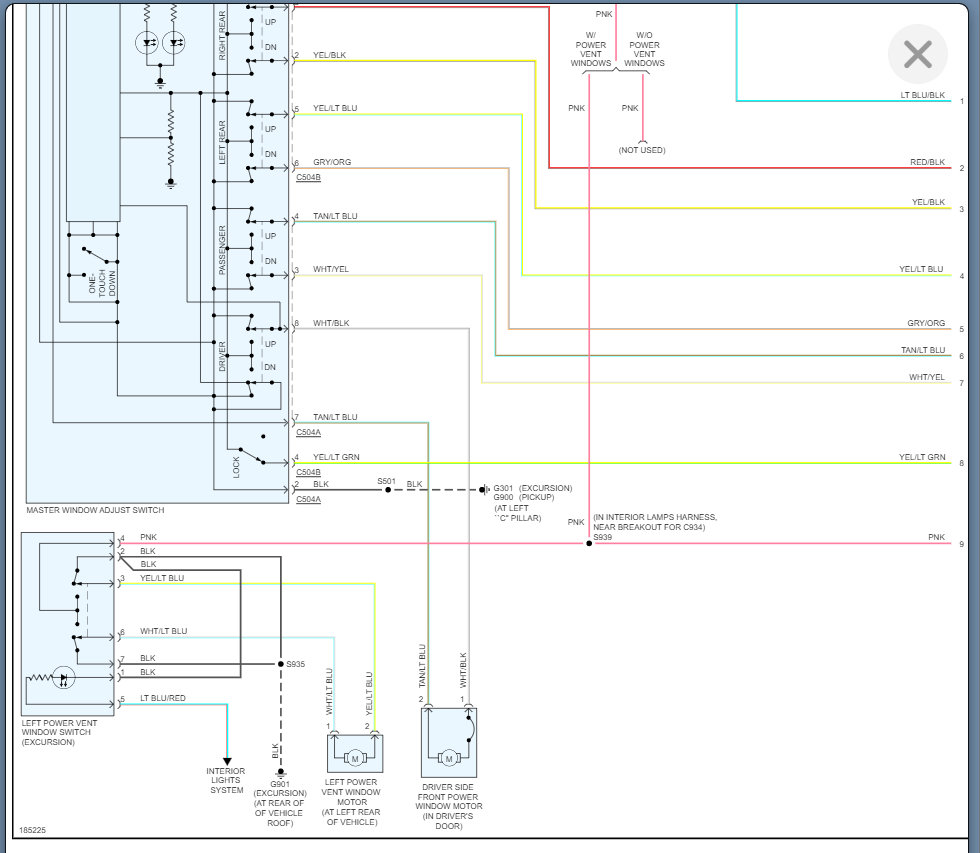
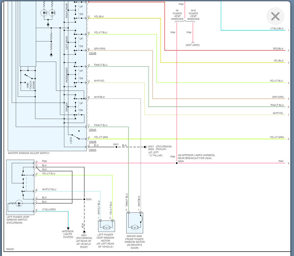
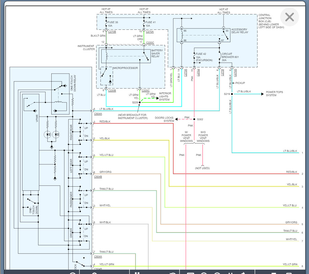
Here is a guide that will help with checking the voltage at the window motor and the switch:

https://www.2carpros.com/articles/electric-window-repair

https://www.2carpros.com/articles/how-to-check-wiring

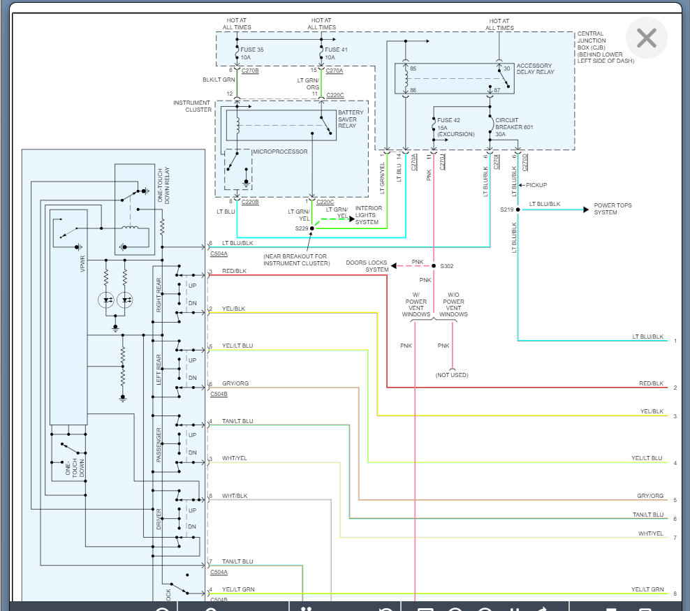
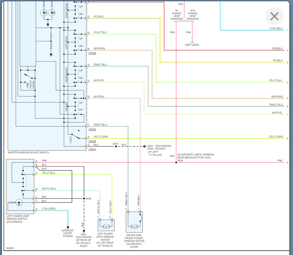
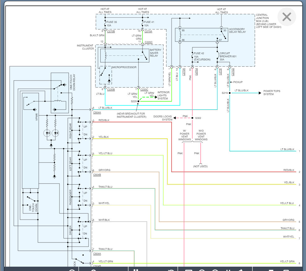
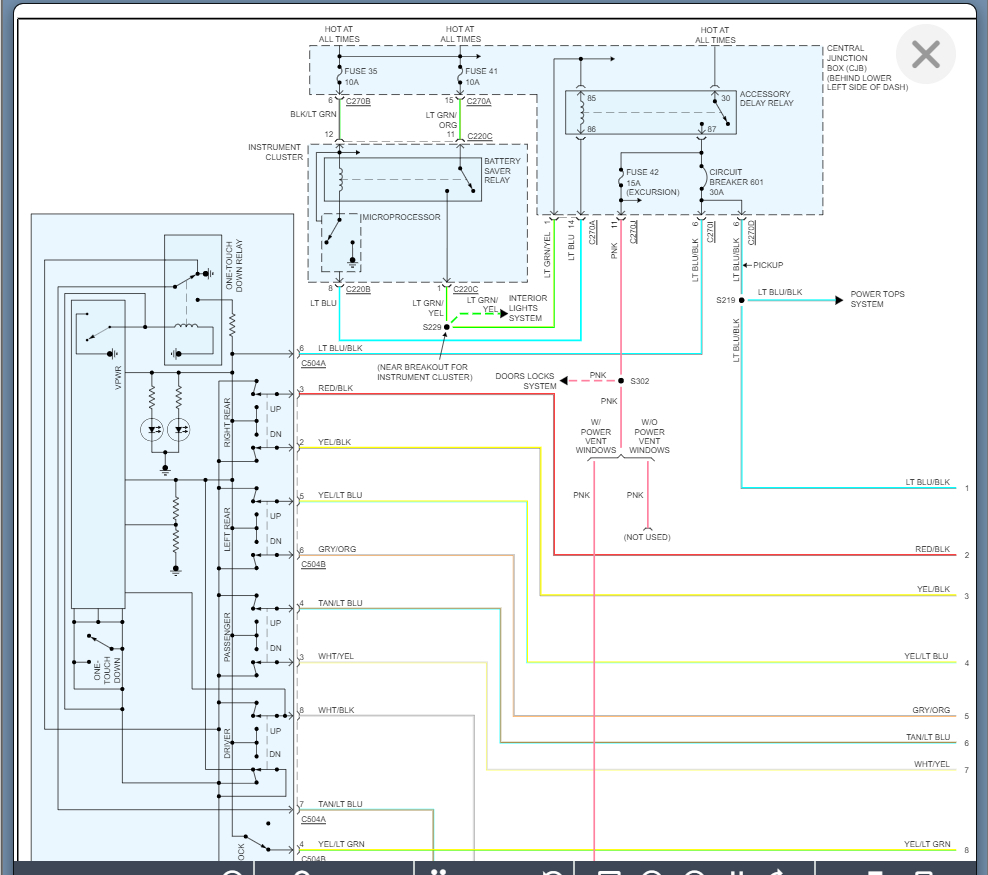
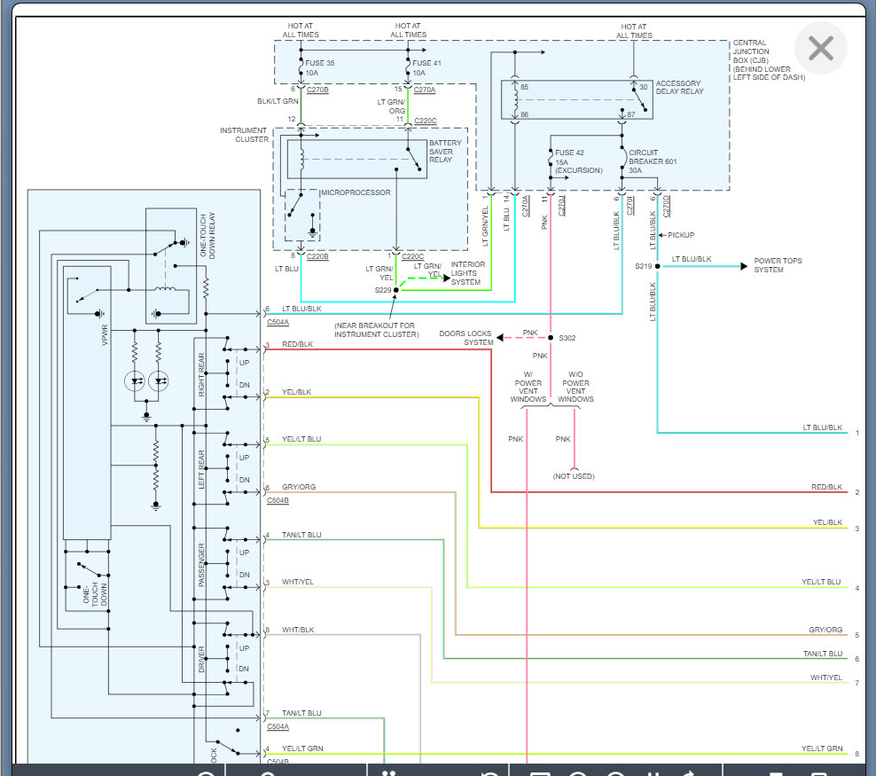
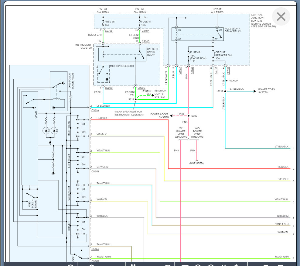
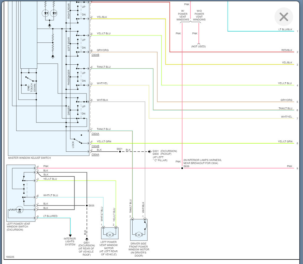
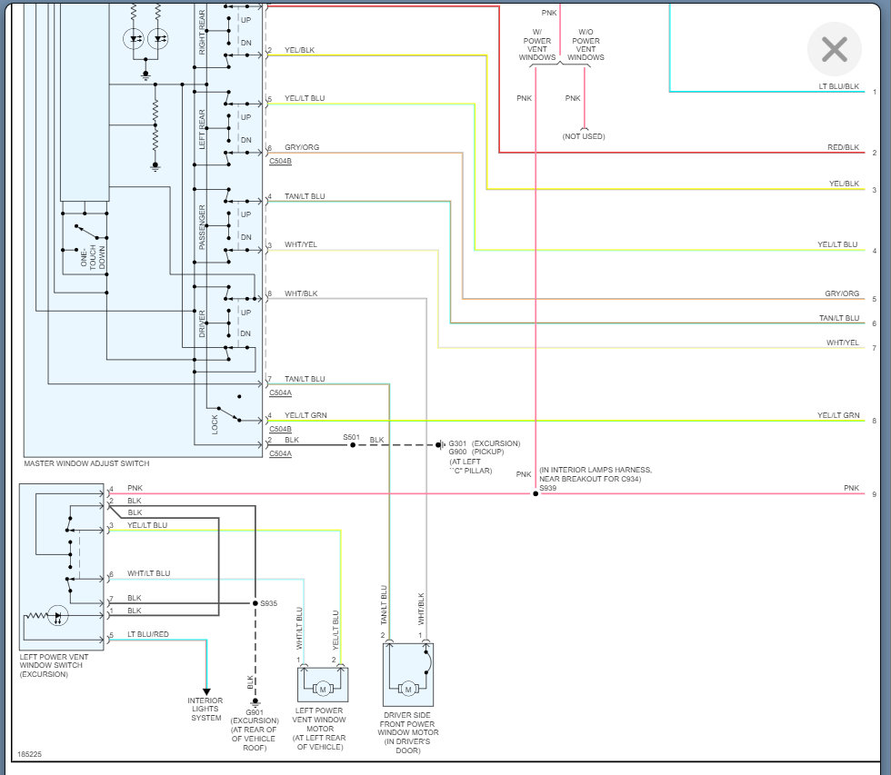
Please take the wiring diagram below and let's start working through the wiring diagram to find out if we have power at the motor and if not, we need to go to the switch and check for power out.

Please let me know what you find with this, and we can go from there.

Thanks
Was this
answer
helpful?
Yes
No
Saturday, June 4th, 2022 AT 4:39 PM

Please login or register to post a reply.