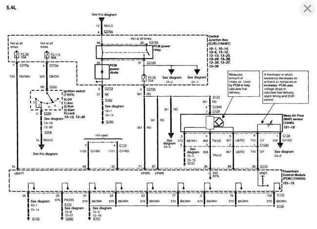
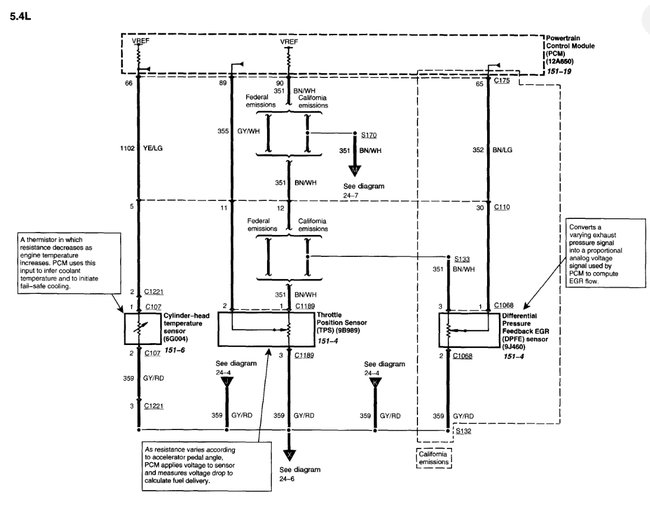
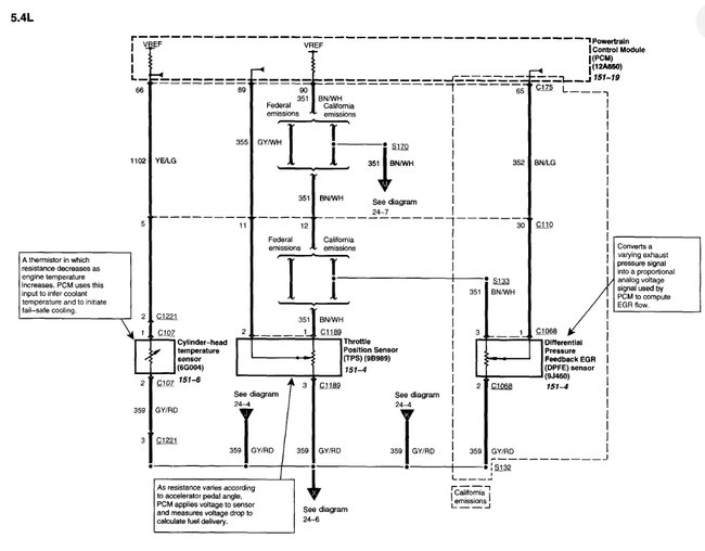
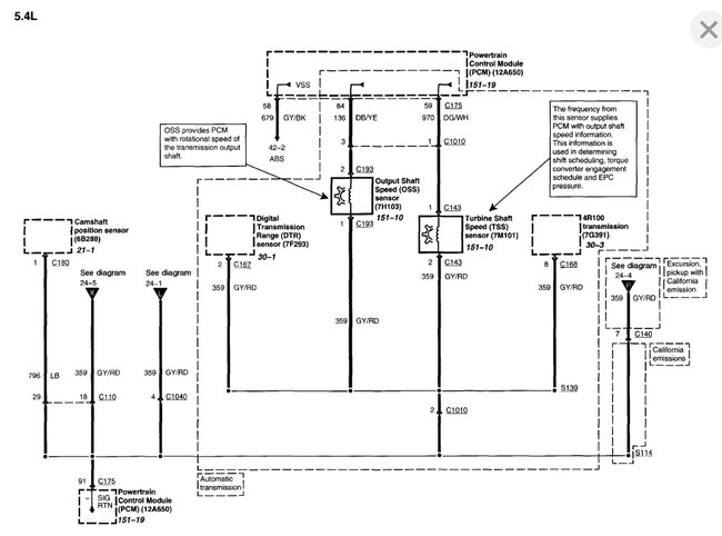
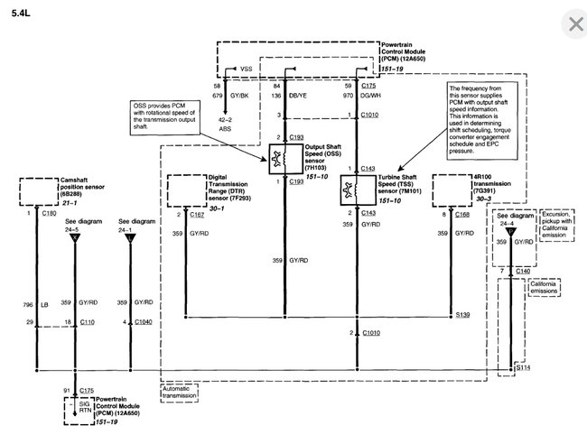
Wednesday, March 9th, 2011 AT 9:14 PM
I have a 2004 F-250 and my gages(oil, temp, bat.) Are not working. We replaced the gage board but still same result. I checked all fuses and wiring but can't find the problem. Can you suggest anything?






















