Wednesday, March 17th, 2021 AT 6:58 PM
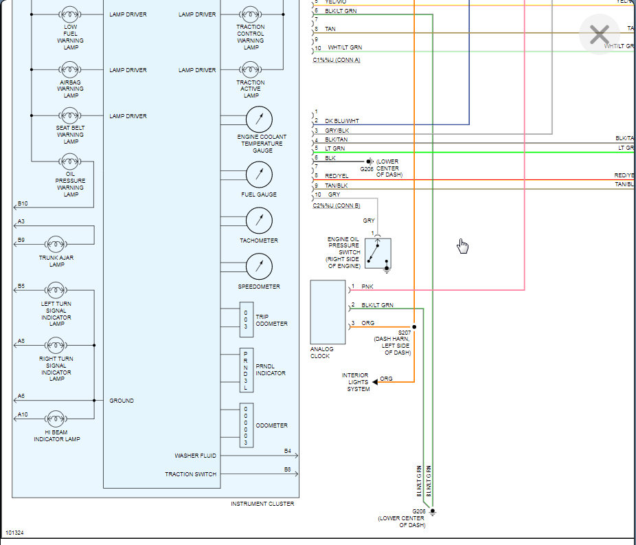
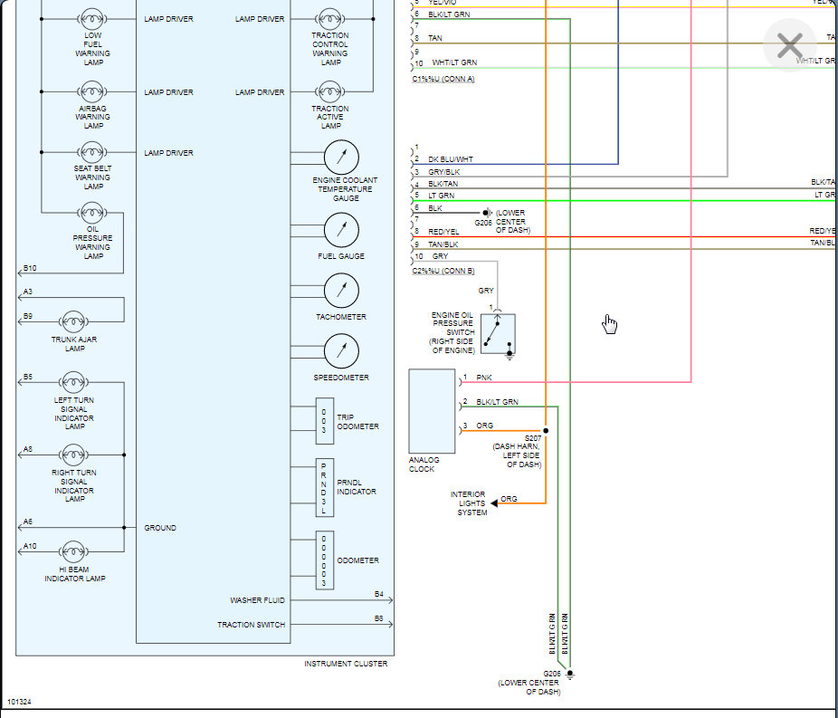
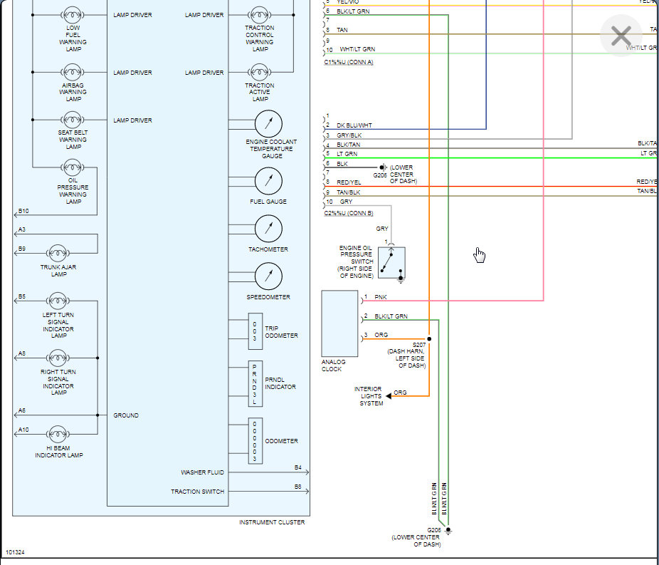
Gas gage moves from time to time speedometer doesn't work and temperature gauge goes up but doesn't overheat? New thermostat, new water pump, everything. Have new speed sensors to install but don't want to waste time if it is more then that.






