Gauge pod is illuminating but gauges are not working after dash pull

Tiny
JAULT01
  • MEMBER
  • 1995 DODGE INTREPID
  • 223,000 MILES
I recently replaced the heater core in a 95 dodge intrepid. Of course to access the core I had to remove the entire dash, wiring trough etc. After replacing everything I noted the SRS light was on and the cruise control didnt work, obviously the clockspring is shot.

What I don't understand is this: The gauge pod went. It illuminates, gets power, but it does not read. The gauges do not work and the transmission selections do not read. I re-pulled the dash and wiring trough and did not find anything that was disconnected nor did I find any bad wiring. The fuse in the drivers side box (gauges pnrd. Etc) was good, and I replaced it to be sure. Is there another fuse under the hood? What should I be looking for? I know that the pod is well seated into the harnesses behind it.

Thanks
Saturday, January 14th, 2012 AT 10:05 PM

7 Replies

Tiny
HMAC300
  • MECHANIC
  • 48,601 POSTS
Recheck your work again. If this is a digital dash then there is agood possiblity if you didn't ground YOUR body or hands then you fried the panel with static electricity. But check the ground and power to make sure it is getting that. The plug may not be in all the way in back. Fuses 13-14-17-19 all go to the gauges.
Was this
answer
helpful?
Yes
No
Saturday, January 14th, 2012 AT 11:56 PM
Tiny
JAULT01
  • MEMBER
  • 51 POSTS
Sorry. I should have said that I checked through every fuse in that box. They all check out. The pod is analog, is it still possible to have fried it?

The harness attachments are most definitely seated well, I assured myself of that by using some electrical tape to assure myself that they were not the culprit when I had the dash out the second time.

It seems to be getting power, I did notice that when I pulled the "gauge" fuse that the speedometer needle moved a bit, just kind of went to zero instead of pegged.
Was this
answer
helpful?
Yes
No
Sunday, January 15th, 2012 AT 5:38 AM
Tiny
HMAC300
  • MECHANIC
  • 48,601 POSTS
Sounds like the gauge panel may be screwed up or the connection may have broken at the circuit there.
Was this
answer
helpful?
Yes
No
Sunday, January 15th, 2012 AT 2:38 PM
Tiny
JAULT01
  • MEMBER
  • 51 POSTS
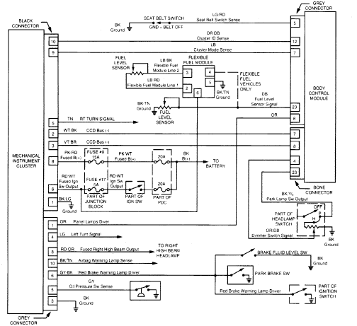
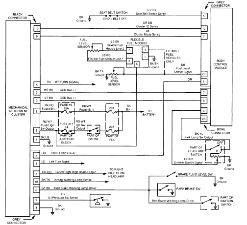
I am hoping that you can verify this for me.

I have attached the schematic for reference.

I tested the resistance of each wire that came from both black and gray connectors, following each to the bcm, jct block harness, etc. Every wire showed the same resistance.

What does the Cluster ID Sense and The Cluster Mode Sense do? I see that it runs to the BCM. Is it a bus? Would it return power?

I assume that CCD bus is send and return to the BCM for readout? I got a read from these.

The long and short of it is this. I have taken every avenue to test the wires, double check the hook-ups, and even tried to check the seating of the harnesses in the back of the pod to ensure connectivity. I figure that it is safe to rule out BCM failure since windows, locks, sideviews, hvac, etc are working properly.

On the Pod the illumination / dimmers work, the airbag light is on (clockspring fail, ) brake warning light, check engine, etc lights work. Turn signals run, high beam indicator works. Basically everything BUT the oil, gas, tach, speed, odometer. You get the gist.

At this point can I call the pod the problem? Im at witts end.

I really appreciate your help!
Was this
answer
helpful?
Yes
No
Thursday, January 19th, 2012 AT 7:50 AM
Tiny
HMAC300
  • MECHANIC
  • 48,601 POSTS
I think you are right, somehow the dash got screwed up. If yo could get one from ajunkyard to test on your car would be good as wellotherwise it may be time to reprogram it as that could get screwed up as well.
Was this
answer
helpful?
Yes
No
Thursday, January 19th, 2012 AT 4:47 PM
Tiny
JAULT01
  • MEMBER
  • 51 POSTS
Okay. Last straw.

I tried a different, operational cluster and got nothing. I went back to test those connections again and found myself mistaken in one area, the CCD bus (-) and CCD bus (+). The cluster mode and cluster ID sense lines returned values but the CCD BUS pins did not.

Would there be a way or is it doable rather, to test the pins at the bcm for signal? I am starting to find the BCM might be the only option left. Those two pins are not seemingly communicating through wiring that tested good for resistance.

If the bcm is testable, and those are the culprit do I have to replace the entire module or is there a way to "jump" the bcm?

Thanks!
Was this
answer
helpful?
Yes
No
Saturday, January 21st, 2012 AT 5:37 AM
Tiny
HMAC300
  • MECHANIC
  • 48,601 POSTS
Unforunately this si where it I is easier to have the car scanned by a pro to see if hte bcm is good or not.I'm not sure about the bussed wires as I am no expert on that kind of stuff. I hate to tell you this, but have the car scanned by a pro machine that can test the bcm. It wouldn't be unusual for this to be bad or need to be reprogrammed.
Was this
answer
helpful?
Yes
No
Saturday, January 21st, 2012 AT 2:40 PM

Please login or register to post a reply.