Friday, March 31st, 2017 AT 2:41 PM
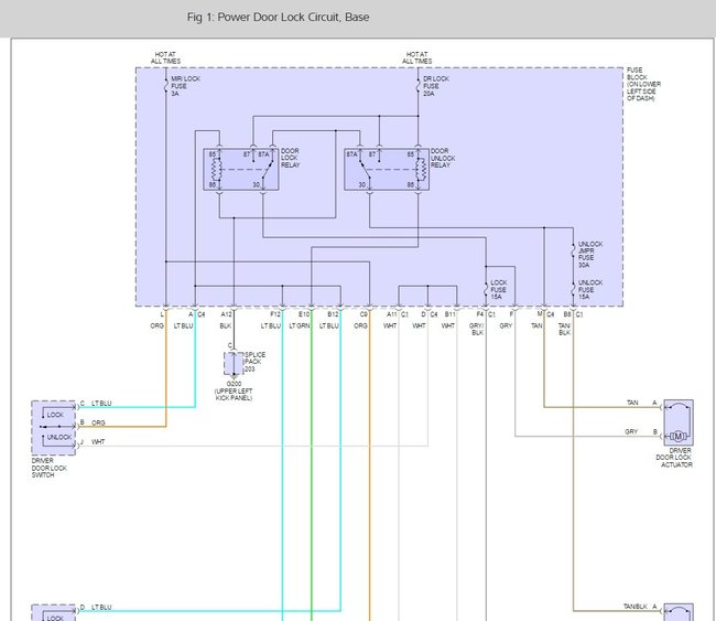
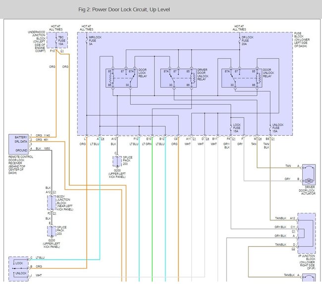
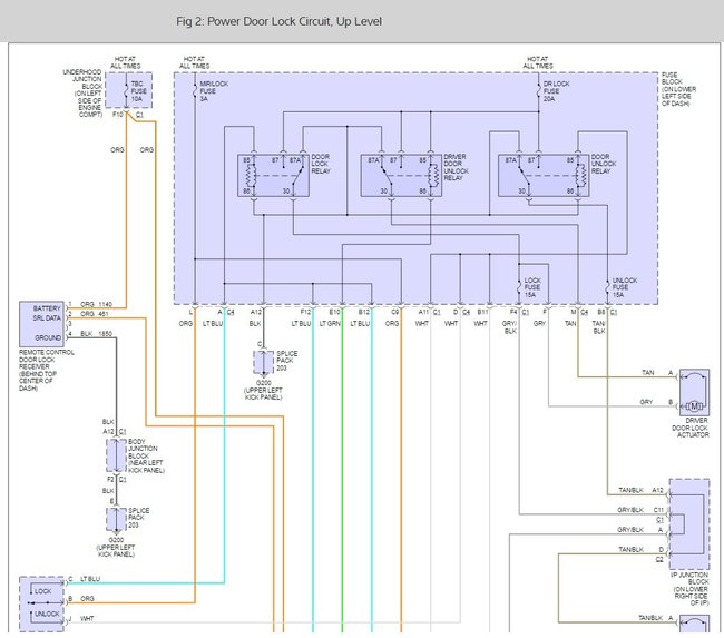
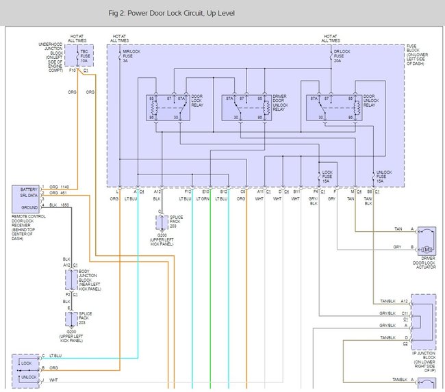
The electric door locks do not work. I have to manually lock the doors. I checked the fuses and found one blown but that did not solve any problem. Power windows and mirrors work fine from the controls on the driver side. But, the door locks do not work on either side. I am not sure which wires go to the door lock and unlock. If I can get some assistance with troubleshooting it would be greatly appreciated




