Electric cooling fans not working

Tiny
PLATINUMWEDDINGS
  • MEMBER
  • 1 POST
Hello, Im having the same problem. 2007 chevy tahoe. 5.3. Fans going right to high and wont turn off till the cars off. What was the out come of your problem?
Was this
answer
helpful?
Yes
No
+1
Monday, January 7th, 2019 AT 5:46 PM (Merged)
Tiny
KEN L
  • MASTER CERTIFIED MECHANIC
  • 55,281 POSTS
Hello,

I have found that if the ac system has too much Freon in it the computer thinks the system is overheating and runs the fans on high to try and cool the condenser. Please check the state of charge and get back to me.

https://www.2carpros.com/articles/re-charge-an-air-conditioner-system

and

https://www.2carpros.com/articles/air-conditioner-how-to-add-freon

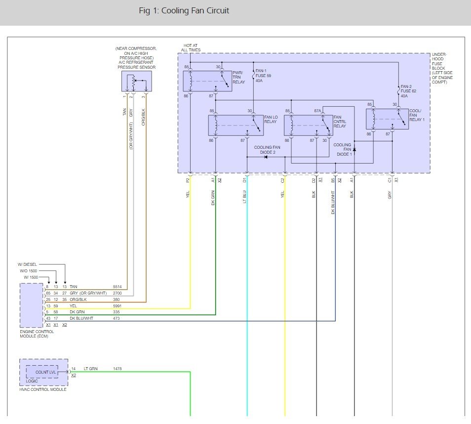
Here is the air conditioner wiring diagrams (below) so you can see what I'm talking about.

Please let us know what happens, we are interested to see what it is.

Cheers, Ken
Was this
answer
helpful?
Yes
No
Monday, January 7th, 2019 AT 5:46 PM (Merged)
Tiny
GRIT03
  • MEMBER
  • 3 POSTS
  • 2005 CHEVROLET SILVERADO
  • 5.3L
  • V8
  • 4WD
  • AUTOMATIC
  • 150,000 MILES
Hello, I have been researching an issue with my cooling fans on my truck on the forums, and hoping someone could assist me. With my scanner hooked to the truck, the engine temperature will go up to 220F and fans will not come on. After reading several forums on the issue, I understand that there are two wires that are "grounded" in the PCM to make the fans cut on. They are a GN wire in connector 1, pin 42 and a blue wire Connector 2, pin 33 of the PCM. If I ground either of these wires (at the PCM) the fans will cut on and operate. This tells me that the circuit is fine from the PCM, through fuses and relays, out to the fan. Correct? I checked all PCM grounds to battery/chassis ground, and they are all fine. It seems like my PCM is bad. Or is it possible that a ground to the PCM is bad? Parameters in the PCM? Any help will be great. I have troubleshot the system all the way to these two PCM wires, and grounding them is the only way to get the fans to run. Thanks (there are no fan related codes in the PCM by the way).
Was this
answer
helpful?
Yes
No
Monday, June 28th, 2021 AT 5:50 PM (Merged)
Tiny
KEN L
  • MASTER CERTIFIED MECHANIC
  • 55,281 POSTS
At 220F the fan will not come on, they come on at 230F. Is the truck overheating?
Was this
answer
helpful?
Yes
No
Monday, June 28th, 2021 AT 5:50 PM (Merged)
Tiny
GRIT03
  • MEMBER
  • 3 POSTS
I'm reading the temperature on my OBD2 scan tool. Yes, truck is overheating. I have seen the temperature climb to 237F. Low-speed fans supposed to come on at 212 and high-speed around 230. They never come on.
Was this
answer
helpful?
Yes
No
Monday, June 28th, 2021 AT 5:50 PM (Merged)
Tiny
KEN L
  • MASTER CERTIFIED MECHANIC
  • 55,281 POSTS
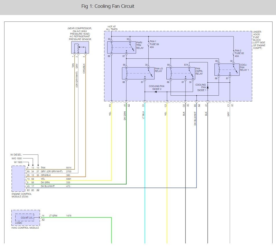
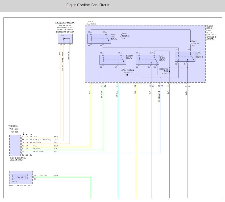
If the PCM is not sending a signal it is bad and needs to be replaced. Here is the location of the PCM. I would try a used/rebuilt unit.

Check out the diagrams (below). Please let us know what happens.
Was this
answer
helpful?
Yes
No
Monday, June 28th, 2021 AT 5:50 PM (Merged)
Tiny
GRIT03
  • MEMBER
  • 3 POSTS
Thanks Ken. I even tried cutting on the AC and it still doesnt power the fans. I feel confident that the PCM is bad. Thankyou for your advice and assistance!
Was this
answer
helpful?
Yes
No
+1
Monday, June 28th, 2021 AT 5:50 PM (Merged)
Tiny
KEN L
  • MASTER CERTIFIED MECHANIC
  • 55,281 POSTS
Yep, let me know what happens :)
Was this
answer
helpful?
Yes
No
Monday, June 28th, 2021 AT 5:50 PM (Merged)

Please login or register to post a reply.