Taillights and dash lights not working

1994 BUICK ROADMASTER
10,080,000 MILES • 0.7L • V8 • 2WD • AUTOMATIC
Avatar
ROBERT WINTON
  • MEMBER
  • 2 POSTS
No taillights no dash lights?
Dec 29, 2021 at 2:23 PM
Repair Safety Notice: This information is for general instructional purposes only. Vehicle repair can be dangerous. Verify all information, follow manufacturer service procedures, use proper tools and safety equipment, and consult a qualified repair shop when needed.
Advertisement
Avatar
KASEKENNY
  • CAR REPAIR CONTRIBUTOR
  • 18,907 POSTS
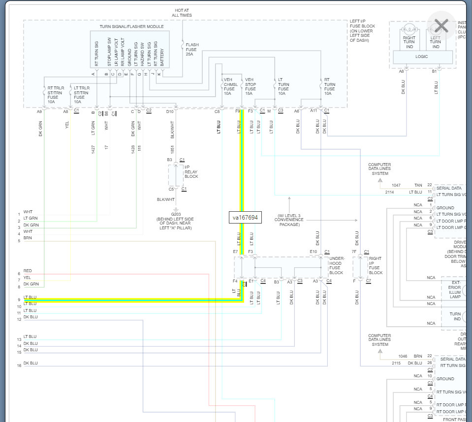
This could be related and if it is it is most likely the turn signal switch as the dash lights and taillights are turned on by the switch.

So, this means we need to find out if the switch is the issue for one of these systems.

I would suggest starting with the taillights. Let's check the voltage going to the taillights and track it back through the switch and see if it is there.

https://www.2carpros.com/articles/how-to-check-wiring

If not, then I would replace the switch and retest.

The wiring diagrams are below. Please let me know what questions you have.

Thanks
Dec 30, 2021 at 5:39 PM
Advertisement
Avatar
JACOBANDNICKOLAS
  • CAR REPAIR CONTRIBUTOR
  • 110,190 POSTS
Hi,

This could be a few different things.

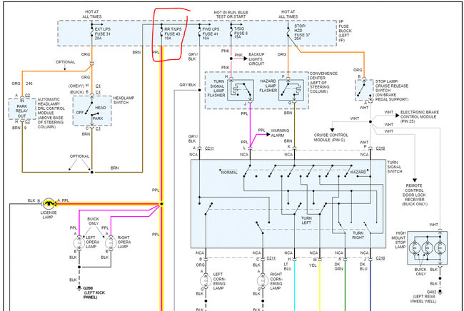
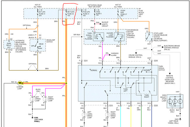
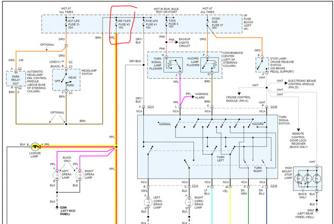
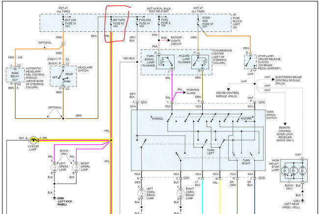
Note: I am basing my ideas on the rear taillights/dash lights not working.

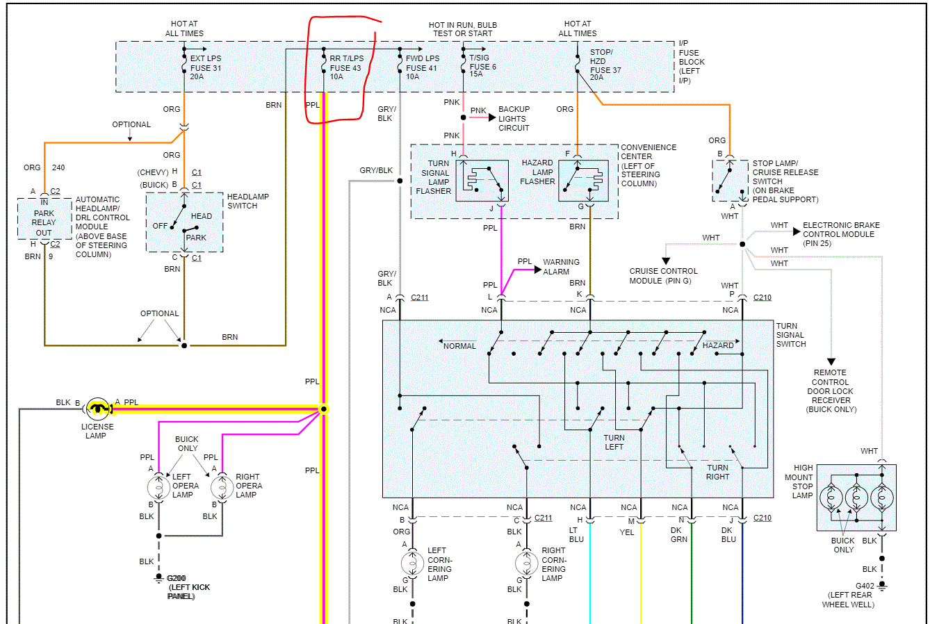
If none of the taillight's work, my first suspect is the ground was lost. All taillights share a common ground. Also, there is a fuse designated for the rear taillamps.

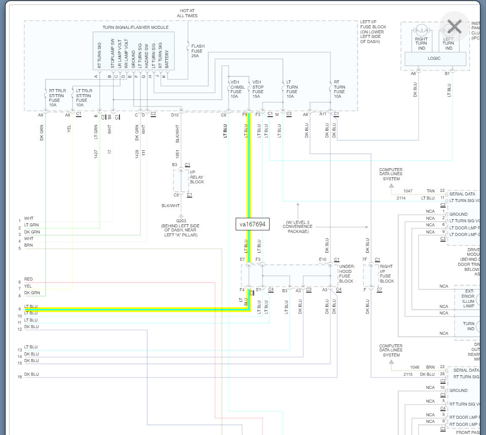
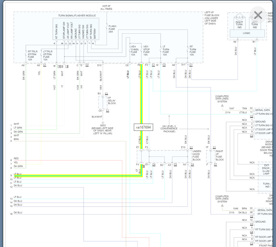
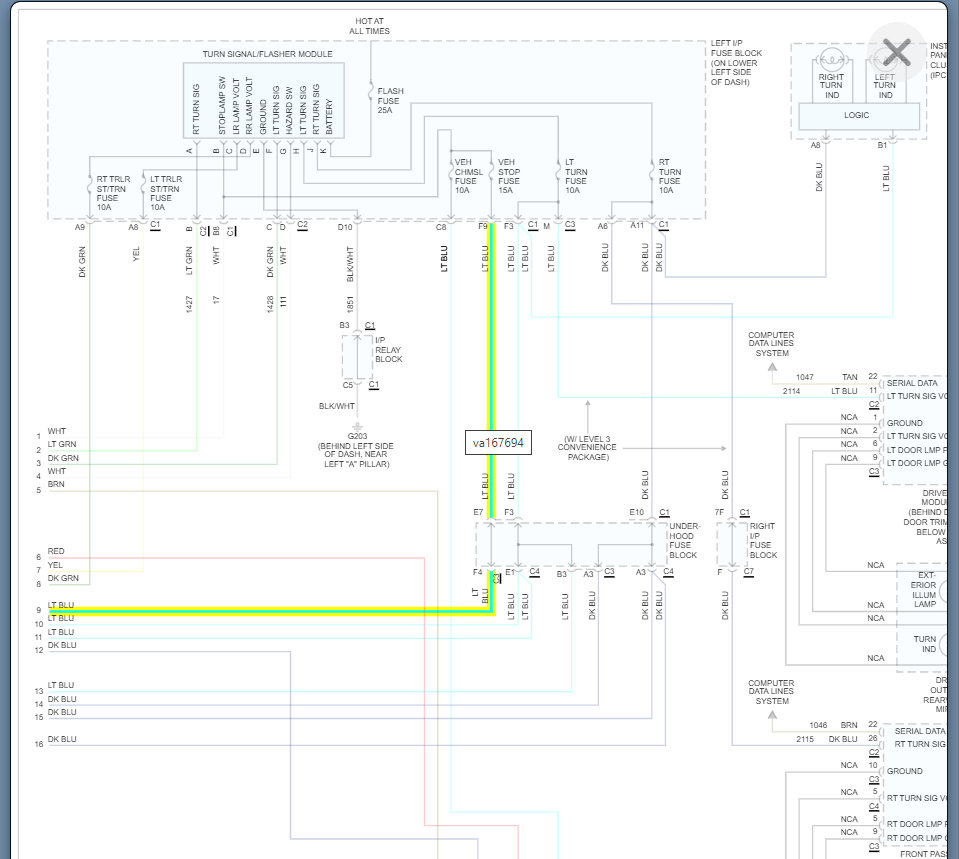
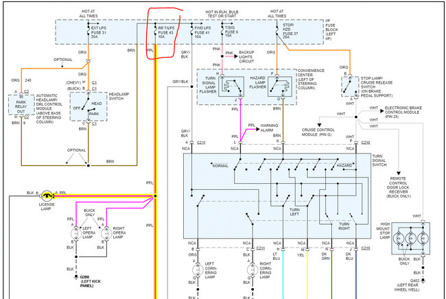
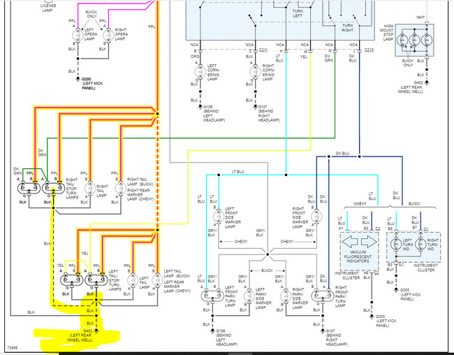
IF you look below, I attached the wiring schematic for the rear lights. I had to cut it in half to make it readable, but I did overlap and highlight areas of interest.

First, I need you to check fuse 43 in the instrument panel fuse box. In addition to checking the fuse, confirm there is power to and from it. Here is a link you may find helpful:

https://www.2carpros.com/articles/how-to-check-a-car-fuse

If the fuse is good and has power, then we need to locate the main ground for the lights. It is attached to the left inner wheel well. If you are unable to locate it, check any of the black wires at the lights for continuity to ground. Here is a link you may find helpful:

https://www.2carpros.com/articles/how-to-check-wiring

As far as the interior dash lights, the only thing tying them together with the rear lights is the headlamp switch. However, there is a separate fuse to the IP lamps after the switch and before the dimmer. It is fuse 43 in the instrument panel fuse box. I would start by checking that fuse and the ground for this circuit. If there is no power to fuse 14, I suspect the headlamp switch is bad. I also attached the schematics for this circuit, pics 3 and 4.

Note: The two fuses are side by side so that may be where the issue is.

The last pic below shows the fuse box and fuses to check. I need to know if they are good and have power.

Let me know.

Take care,

Joe

See pics below.
Dec 30, 2021 at 5:45 PM
Avatar
ROBERT WINTON
  • MEMBER
  • 2 POSTS
I don't have a fuse box like the one you sent me.
Dec 30, 2021 at 6:40 PM
Avatar
JACOBANDNICKOLAS
  • CAR REPAIR CONTRIBUTOR
  • 110,190 POSTS
Hi,

Interesting... Is the year, make, and model above, correct? Does it have the 5.7L V8? Also, is it a sedan or wagon?

Joe
Dec 30, 2021 at 8:45 PM