How to troubleshoot the EGR valve control solenoid?

Tiny
ACTIVEAL
  • MEMBER
  • 1987 GMC JIMMY
  • 2.8L
  • 6 CYL
  • 4WD
  • AUTOMATIC
  • 90,000 MILES
How to troubleshoot.
Saturday, January 11th, 2025 AT 3:21 AM

1 Reply

Tiny
KEN L
  • MASTER CERTIFIED MECHANIC
  • 55,404 POSTS
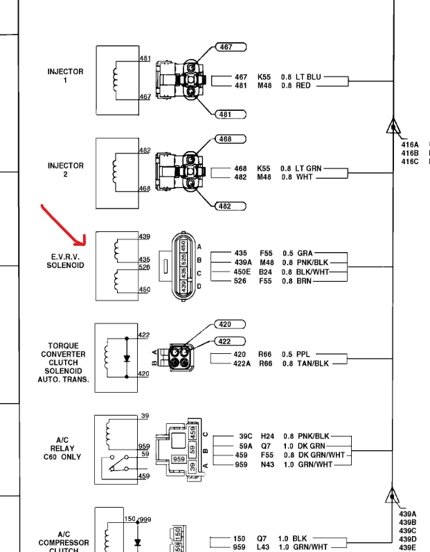
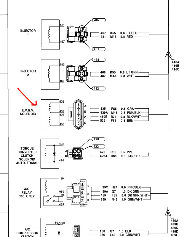
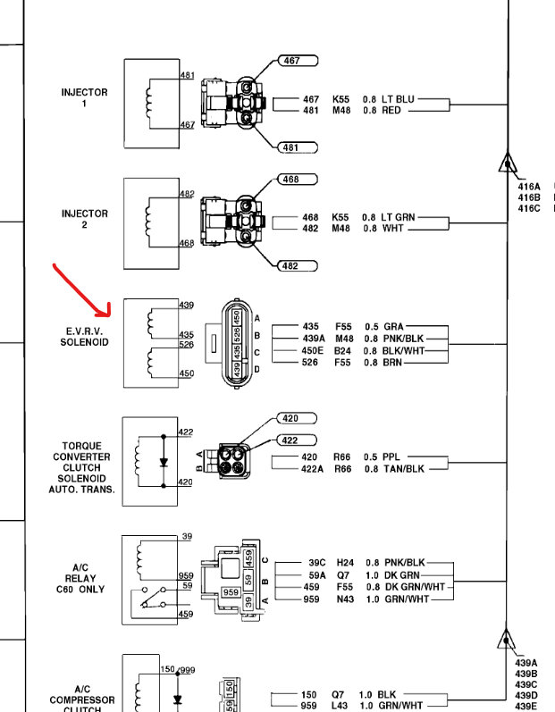
That is a linear valve so it might be difficult to test but you can try a continuity test between the two coil windings.

Here is a guide and the EGR control valve wiring diagrams:

https://www.2carpros.com/articles/how-to-use-a-voltmeter

Check out the images (below). Please let us know what happens.
Was this
answer
helpful?
Yes
No
Saturday, January 11th, 2025 AT 9:20 AM

Please login or register to post a reply.