My car began stalling and lagging a few months back. I tried plugs, treatments, battery, etc., and finally a month ago it stalled mid drive and I had to pull over. Steering wheel became hard to turn, brakes hard to engage and it would hardly accelerate.
I coded it and got MAP sensor. I looked and it was indeed bad.
I recode it as that made no change in function.
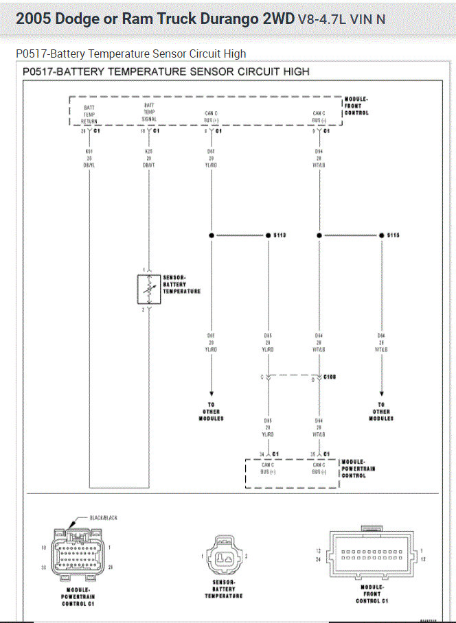
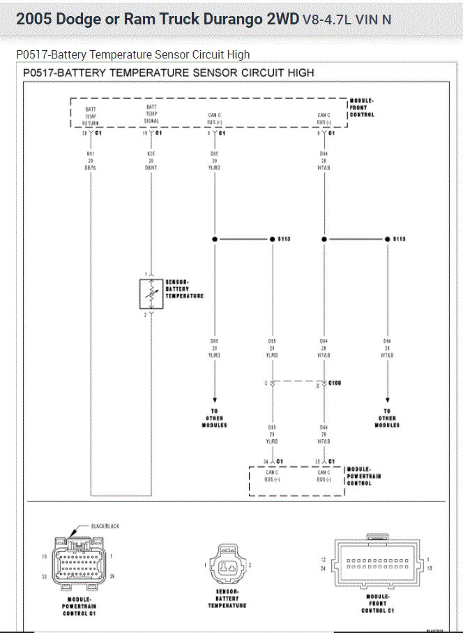
Second code I got back was ECT sensor. I got that sensor out and it was very corroded. After that, turned it on and no change and now I'm pulling Code P0517, Battery temperature sensor.
I could not find any in depth videos for my specific vehicle. Did I need to drain the radiator prior to the temperature sensor replacement?
I'm lost now. I keep pulling codes but no change.
I coded it and got MAP sensor. I looked and it was indeed bad.
I recode it as that made no change in function.
Second code I got back was ECT sensor. I got that sensor out and it was very corroded. After that, turned it on and no change and now I'm pulling Code P0517, Battery temperature sensor.
I could not find any in depth videos for my specific vehicle. Did I need to drain the radiator prior to the temperature sensor replacement?
I'm lost now. I keep pulling codes but no change.
Jun 24, 2021 at 2:19 PM










