Coolant temperature sensor location?

Tiny
VLADPACK
  • MEMBER
  • 2007 FORD ESCAPE
  • 2.3L
  • 4 CYL
  • FWD
  • AUTOMATIC
  • 70,000 MILES
Where is located the engine coolant temperature sensor on the vehicle listed above? Fan only works when I turn on the A/C.
Wednesday, July 19th, 2017 AT 2:29 PM

22 Replies

Tiny
HMAC300
  • MECHANIC
  • 48,601 POSTS
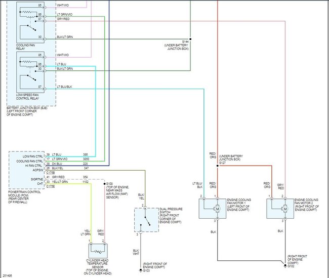
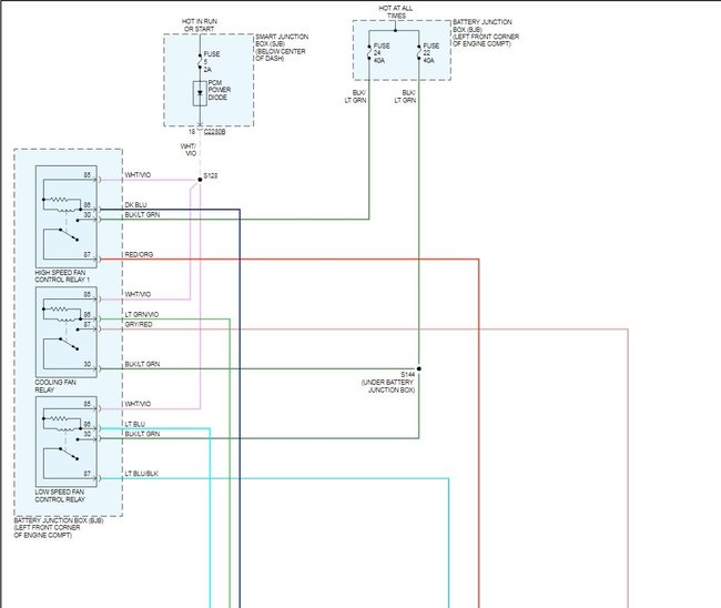
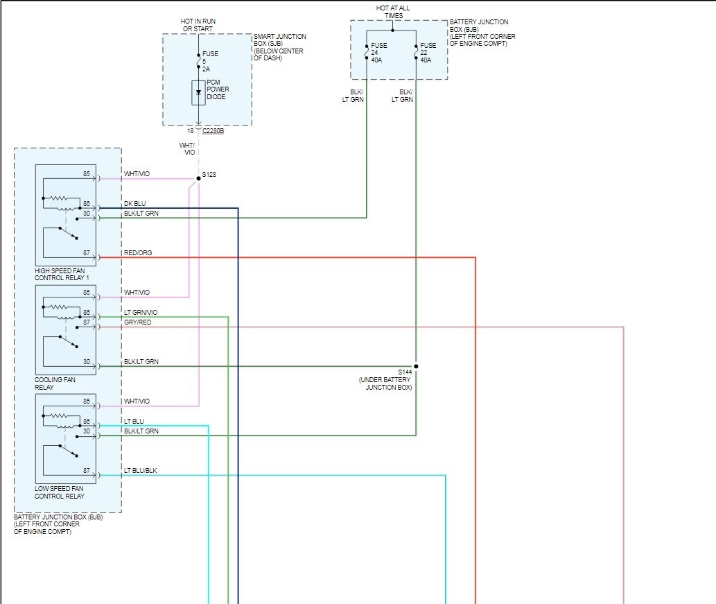
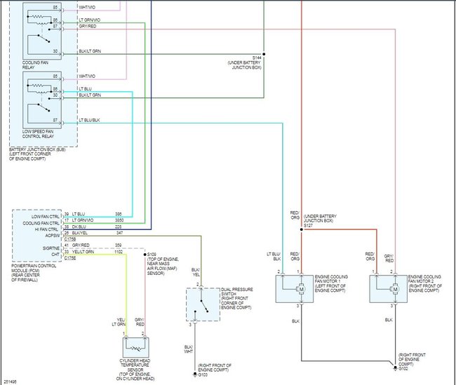
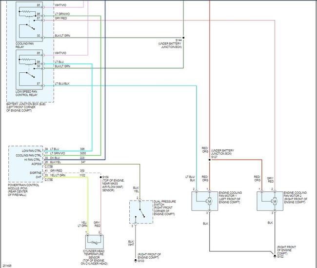
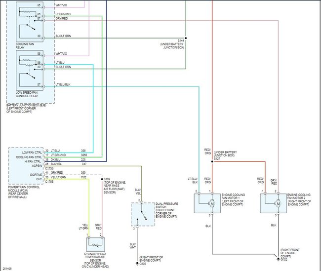
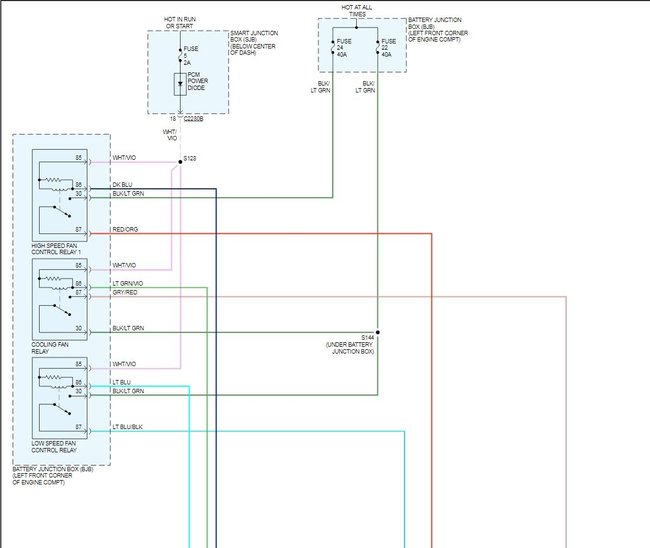
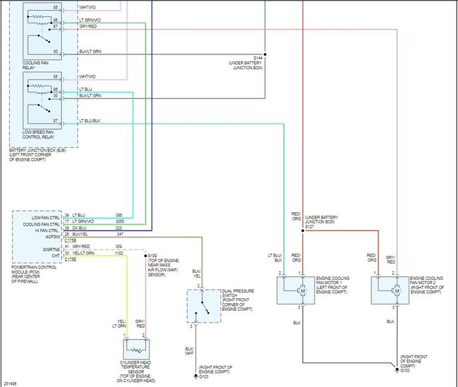
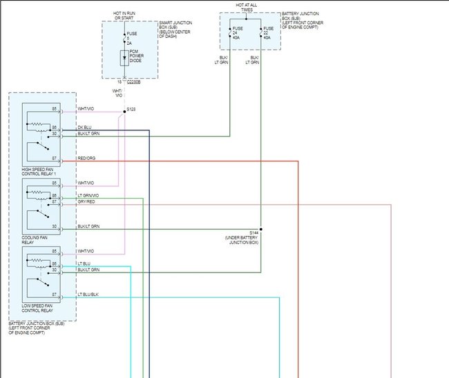
You do not have an ECT. you have a cylinder head temperature sensor. Check fuses in picture and relays as any of those can knock out the fans. See link as well.
https://www.2carpros.com/articles/how-to-check-an-electrical-relay-and-wiring-control-circuit
Was this
answer
helpful?
Yes
No
+1
Wednesday, July 19th, 2017 AT 3:19 PM
Tiny
JEREMY DEROCHE
  • MEMBER
  • 1 POST
  • 2006 FORD ESCAPE
  • 2.3L
  • 4 CYL
  • 2WD
  • AUTOMATIC
  • 100,000 MILES
I am trying to locate the coolant temperature sensor. I am getting mixed information online and in the $20.00 manual I bought. In the manual it says that the 2006 four cylinder does not have an actual ECT. It is an CHT (cylinder head temperature sensor). I need to know where the sensor is located on the vehicle to verify if the guy at the auto parts store gave me the proper sensor or not. I cannot seem to find any good video or diagram online for the exact year and model of my vehicle. Can someone please help clear up this confusion for me?
Was this
answer
helpful?
Yes
No
-1
Monday, July 5th, 2021 AT 11:44 AM (Merged)
Tiny
CJ MEDEVAC
  • MECHANIC
  • 11,005 POSTS
Looks like the Non-Hybrid 2.3L has the "CHT sensor"

The eighth digit in your VIN is "Z" (a hybrid would be "H").

This should be really easy to locate, I posted a diagram from "Prodemand" (listed at top middle of diagram).

The Medic
Was this
answer
helpful?
Yes
No
+2
Monday, July 5th, 2021 AT 11:44 AM (Merged)
Tiny
FREDD10
  • MEMBER
  • 1 POST
  • 2005 FORD ESCAPE
  • 4 CYL
  • AUTOMATIC
  • 117,891 MILES
Need to locate the Coolant Temperature Sensor. Any chance someone can give me an idea of where to look? I need a diagram. Thanks!
Was this
answer
helpful?
Yes
No
-1
Monday, July 5th, 2021 AT 11:44 AM (Merged)
Tiny
ASEMASTER6371
  • MECHANIC
  • 52,796 POSTS
Good evening,

I attached a picture of the location of the sensor for you. This is the best I could find.

What is the issue that leads you to replace this?

Roy
Was this
answer
helpful?
Yes
No
Monday, July 5th, 2021 AT 11:44 AM (Merged)
Tiny
DMCFADDEN56
  • MEMBER
  • 1 POST
  • 2005 FORD ESCAPE
  • 3.0L
  • V6
  • 4WD
  • AUTOMATIC
  • 108,000 MILES
I can locate the sensor right next to thermostat, but auto parts place says there is two for my 3.0L engine. Says the temperature sensor switch is for the gauge inside and the other one for computer. If so, where is the sensor switch for the gauge located at on the block? Any help would appreciated.
Was this
answer
helpful?
Yes
No
+1
Monday, July 5th, 2021 AT 11:45 AM (Merged)
Tiny
CARADIODOC
  • MECHANIC
  • 34,463 POSTS
There always used to be two coolant temperature sensors, one with two wires for the Engine Computer, and another with just one wire for the dash gauge. By 2003, most models had just the two-wire sensor, then the Engine Computer sent the data to the most complicated computer on the vehicle, which is the instrument cluster.

Be aware other engine sizes may still use two coolant sensors, and Ford has started calling one of them the "cylinder head temperature sensor".
Was this
answer
helpful?
Yes
No
Monday, July 5th, 2021 AT 11:45 AM (Merged)
Tiny
RICKY927
  • MEMBER
  • 11 POSTS
  • 2002 FORD ESCAPE
  • 3.0L
  • V6
  • 4WD
  • AUTOMATIC
  • 140,000 MILES
Can't locate any diagrams of the coolant temp sender that controls my inside gauge, it stays at halfway when I flip the key to on position after vehicle has been sitting a few days, and engine is cold.
Was this
answer
helpful?
Yes
No
Monday, July 5th, 2021 AT 11:45 AM (Merged)
Tiny
HMAC300
  • MECHANIC
  • 48,601 POSTS
On back of rh cylinder head see pic
Was this
answer
helpful?
Yes
No
+4
Monday, July 5th, 2021 AT 11:45 AM (Merged)
Tiny
RICKY927
  • MEMBER
  • 11 POSTS
Thanks for the reply, but is this the temp "sender" or temp "sensor", they sell both for my vehicle and I changed the temp sensor already, which I believe is shown in the diagram you sent, but I can't locate this sender, does my vehicle not have it, cause I can't find it, I was told that the "sensor" is for the computer, and the " sender" controls the gauge.
Was this
answer
helpful?
Yes
No
+3
Monday, July 5th, 2021 AT 11:45 AM (Merged)
Tiny
KEN L
  • MASTER CERTIFIED MECHANIC
  • 55,281 POSTS
Does the gauge move at all? These gauges are cheaply mass produced and go bad often, the cluster may need to be replaced with a rebuild unit.
Was this
answer
helpful?
Yes
No
+1
Monday, July 5th, 2021 AT 11:45 AM (Merged)
Tiny
HMAC300
  • MECHANIC
  • 48,601 POSTS
There is no sender the signal is received from the pcm which controls that gauge or it's run through what is called a can/bus system the only difference in parts is one is listed for a gauge and another isn't it mounts where the pic was
Was this
answer
helpful?
Yes
No
+3
Monday, July 5th, 2021 AT 11:45 AM (Merged)
Tiny
RICKY927
  • MEMBER
  • 11 POSTS
Yes the gauge does move but stays at halfway point, when I start the vehicle or even just flip the key to the on position it goes to halfway and stays, even if the vehicle has been sitting for a few days and I know it's ice cold.
Was this
answer
helpful?
Yes
No
Monday, July 5th, 2021 AT 11:45 AM (Merged)
Tiny
KEN L
  • MASTER CERTIFIED MECHANIC
  • 55,281 POSTS
It sounds like the gauge is bad have you replaced the cluster?
Was this
answer
helpful?
Yes
No
+1
Monday, July 5th, 2021 AT 11:45 AM (Merged)
Tiny
RICKY927
  • MEMBER
  • 11 POSTS
No, is it expensive, and its tough to get to.
Was this
answer
helpful?
Yes
No
Monday, July 5th, 2021 AT 11:45 AM (Merged)
Tiny
KEN L
  • MASTER CERTIFIED MECHANIC
  • 55,281 POSTS
Might be the only way to fix it though
Was this
answer
helpful?
Yes
No
Monday, July 5th, 2021 AT 11:45 AM (Merged)
Tiny
DIRTYRED724
  • MEMBER
  • 1 POST
  • 2001 FORD ESCAPE
  • 4WD
  • 209 MILES
My car with a V6 engine was overheating, I changed the water pump, thermostat and flush the radiator and checked the hose for leaks. After all that, it's still overheating for some reason. So I’m thinking it’s coolant sensor or heating sensor. Help please
Was this
answer
helpful?
Yes
No
Monday, July 5th, 2021 AT 11:45 AM (Merged)
Tiny
JACOBANDNICKOLAS
  • MECHANIC
  • 110,192 POSTS
Hi,

If the engine is overheating, can you tell me if it does it at highway speeds as well as in town driving, or is it specific to one or the other?

Next, I attached a pic if sensor location. It is clipped into place and not bolted.

Let me know about the situations that cause it to overheat.

Take care,
Joe
Was this
answer
helpful?
Yes
No
+1
Monday, July 5th, 2021 AT 11:45 AM (Merged)
Tiny
CBRACKEN
  • MEMBER
  • 2 POSTS
  • 2001 FORD ESCAPE
Where is the coolant temp sensor located on a 2001 ford escape v6 auto 4x4?
Was this
answer
helpful?
Yes
No
Monday, July 5th, 2021 AT 11:45 AM (Merged)
Tiny
KEN L
  • MASTER CERTIFIED MECHANIC
  • 55,281 POSTS
Hello,

The sensor is up near the front of the intake near the upper radiator hose. Here is a guide that will help you see what you are in for when changing the sensor. You will need to start by draining the coolant slightly.

https://www.2carpros.com/articles/coolant-temperature-sensor-cts-replacement

Please let us know if you need anything else to get the problem fixed. We are here to help.

Cheers, Ken

Was this
answer
helpful?
Yes
No
+2
Monday, July 5th, 2021 AT 11:45 AM (Merged)

Please login or register to post a reply.