ECM codes P0153, P0174, P0230 and P0231

Tiny
KNIGHTSCHARIOTS
  • MEMBER
  • 2001 FORD ESCAPE
  • 3.0L
  • V6
  • 4WD
  • AUTOMATIC
  • 300,000 MILES
The vehicle Has 4 ECM codes P0153, P0174, P0230 and P0231. Could an aged battery contribute to any of these issues? It's showing 12.0V KOEO. I also have freeze frame data from the scan tool for P0174 it is as follows fuel system 1 CLSD/fuel system 2 n/a /calc LOAD %73.7 /coolant 201 deg F /ST FT1 % 3.1 /ST FT2 % 3.9 / ST FT2 26.6 /LT FT2 24.2. I have not been able to find flow and diagnostic charts for each of these codes. Any help and advice would be greatly appreciated. Thanks in advance, JJ
Tuesday, July 14th, 2020 AT 4:30 AM

1 Reply

Tiny
ASEMASTER6371
  • MECHANIC
  • 52,796 POSTS
Good morning,

The 153 code is for a slow response from the O2 sensor. In most cases, it is the sensor itself that is the issue.

https://www.2carpros.com/articles/how-to-replace-an-oxygen-sensor

https://www.2carpros.com/articles/how-to-test-an-oxygen-sensor-02-sensor

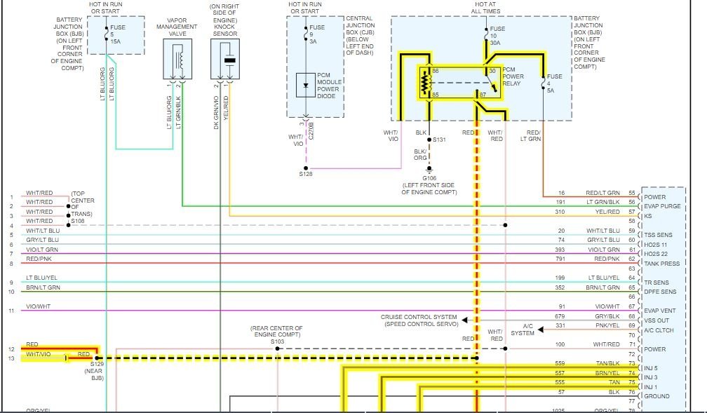
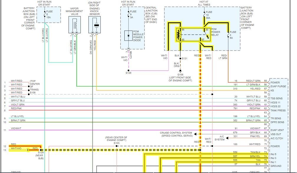
The 174 is a lean condition. This is related to the 230-231 codes. The injectors are not firing due to an electrical failure to the injectors. I would also check the fuel pressure to be sure there is sufficient pressure to the injectors. You can rent a tester at a parts store.

https://www.2carpros.com/articles/how-to-check-fuel-system-pressure-and-regulator

https://www.2carpros.com/articles/how-to-check-wiring

The 220-221 is a wiring issue to the injectors. This could be a wiring harness fault. You need to test power to all the injectors to see where the power is missing.

Roy

153

DTC
P0153
Symptom Descriptor
Ho2S Sensor Circuit Slow Response (Ho2S-21)
Probable Causes
Exhaust Leaks
Heated Oxygen Sensor (HO2S) Contaminated
Heated Oxygen Sensor (HO2S) Deteriorating
Improper Fueling
Inlet Air Leaks
Mass Air flow (MAF) Sensor
Wiring Shorted or Open

174

DTC
P0174
Symptom Descriptor
System To Lean (Bank 2)
Probable Causes
Cam Timing
Cylinder Compression
Exhaust Gas Recirculation (EGR) Valve Stuck
Exhaust Leaks Before or Near Heated Oxygen Sensors (HO2S)
Fuel Injectors Leaking or Contaminated
Fuel Pressure Excessive
Fuel Pressure Regulator Leaking
Gasket Leaking
Improperly Seated Engine Oil Dipstick
Leaking Diaphragm or EGR Vacuum Regulator (EVR)
Low Fuel Pressure or Running Out of Fuel
Oil Overfill
Positive Crankcase Ventilation (PCV) System
Vacuum Leaks
Vapor Recovery System

230-231

DTC
P0230
Symptom Descriptor
Fuel Pump Primary Circuit Malfunction
Probable Causes
Fuel Pump Circuit Open or Shorted
Fuel Pump Relay Damaged
Ignition Switched Power (VPWR) Circuit Open to Fuel Pump Relay
Powertrain Control Module (PCM) Damaged
Was this
answer
helpful?
Yes
No
+1
Tuesday, July 14th, 2020 AT 5:03 AM

Please login or register to post a reply.