Thursday, November 29th, 2007 AT 8:13 PM
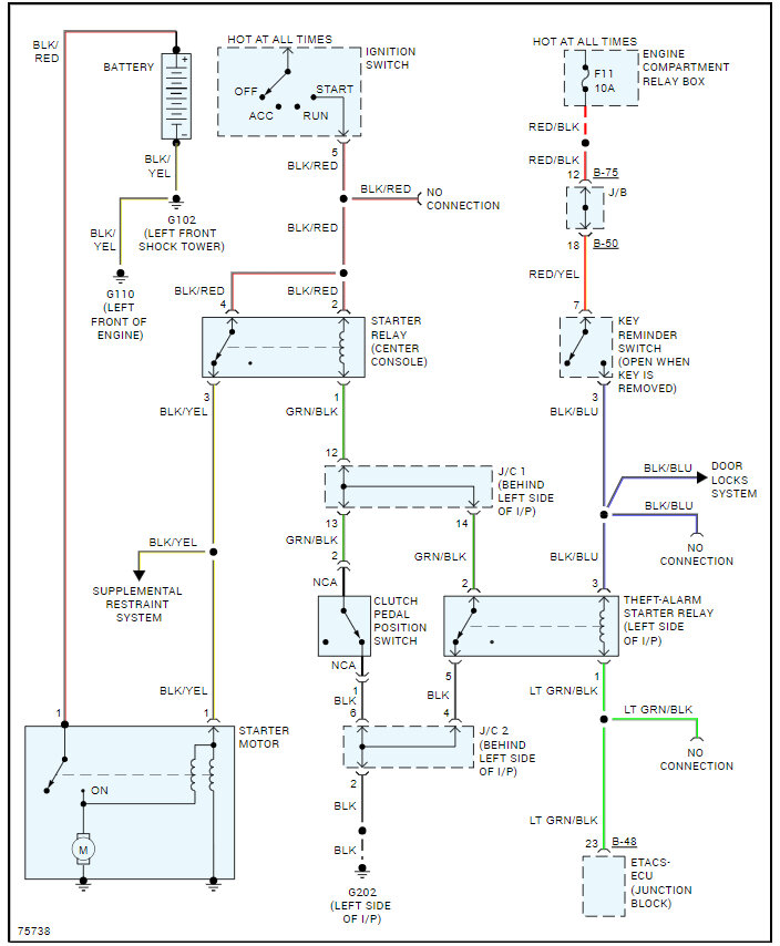
1996 eagle talon awd Turbo, 1.8, newly rebuilt 6 bolt swap, dsmlink ecu management, here's my huge problem, first it's a motor swap which worked out mint, but there's one issue the starer system is not working. With the dsmlink system I can monitor ignition and when it works it's does show that but I can't figure it out. There was an alarm system we ripped out so maybe there's something going on there but idk cause when I turn the key I hear the stARTER and relays clicking but the starter won't turnover and it's a new starter and I bench tested it and its fine so does it sound like a ignition switch issue or there's something on top the tranny that plugs in could it be that whatever that is. Oh yea sorry failed to mention this is a 5 speed and I tried 2 disconnect clutch switch no luck. Help please


