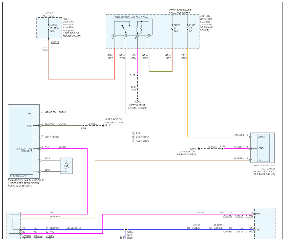
My concern is that the PCM is never actually sending the signal to the fan control module. How can I isolate the PCM and ensure that it is in fact sending that signal?
I don't have a super elaborate scan tool, but I do have a decent one. I can see the engine temperature going up through the scan tool, so coolant temperature sensor is sending the signal. The A/C compressor shuts off when the pressures get too high, so the A/C pressure switch is sending signal.
Monday, August 14th, 2023 AT 10:36 PM
















