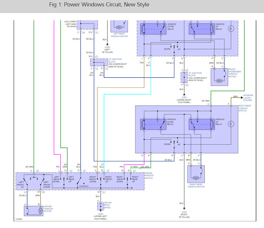
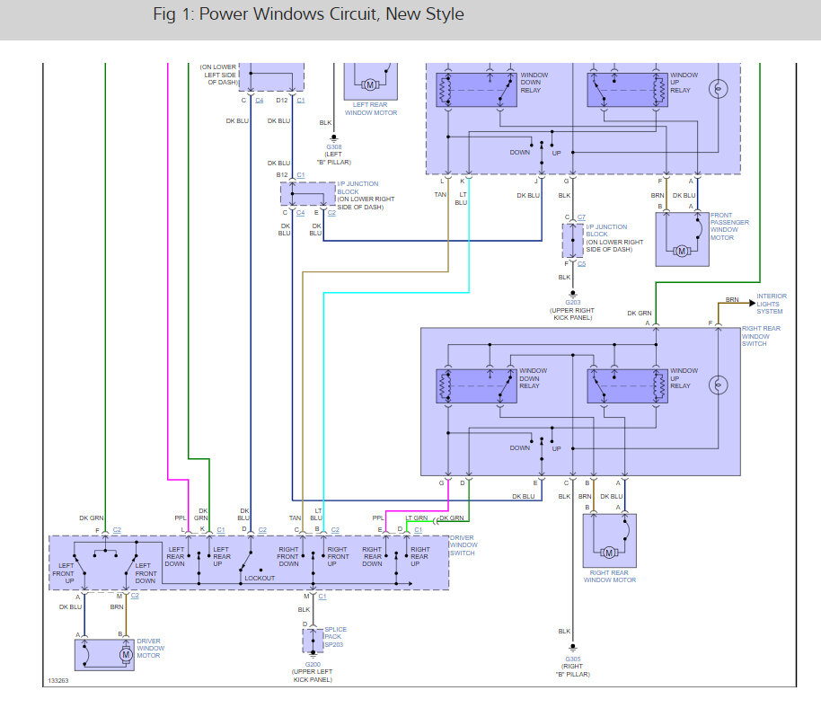
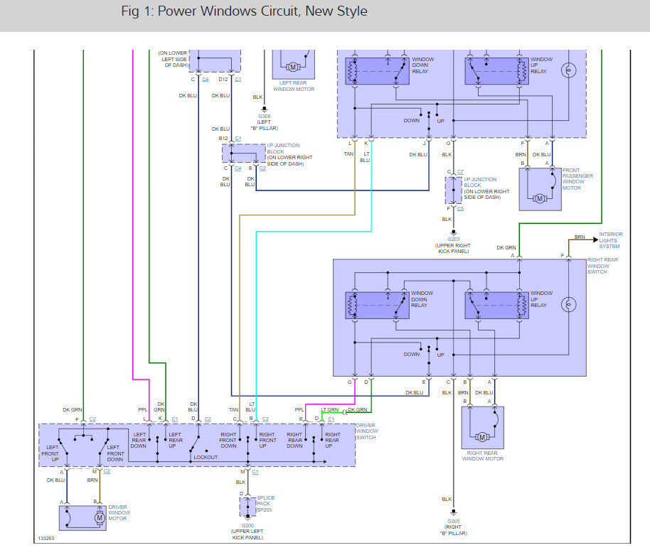
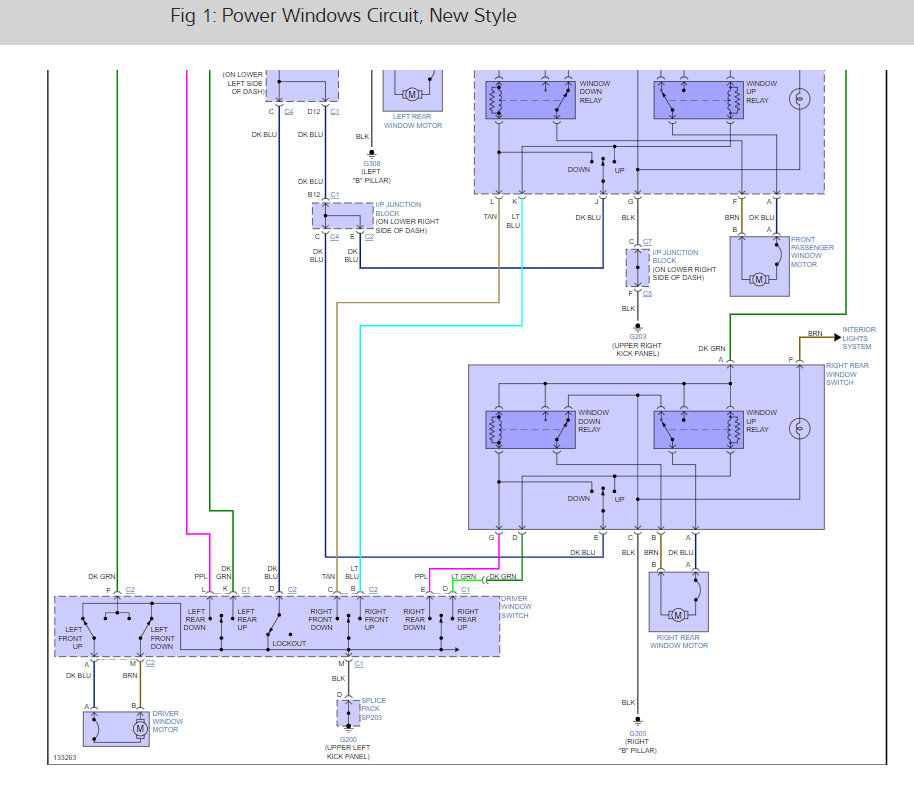
Thursday, October 13th, 2022 AT 10:28 PM
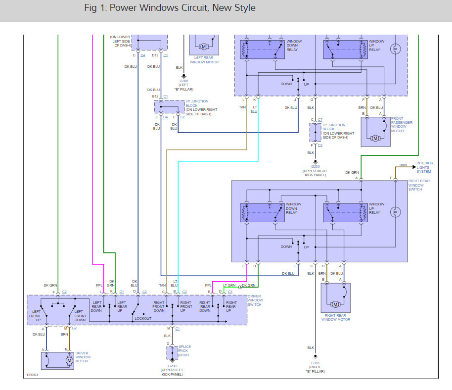
It started with my window not rolling down and the motor not even making noise, and then last week the power lock buttons on both doors up front no longer work. But the passenger side window still rolls down and the other windows roll down from the driver side switch. Just curious if it is a known problem or just my problem?









