Driver's side door wiring

Tiny
RPL1970
  • MEMBER
  • 2002 GMC SIERRA
  • 5.3L
  • V8
  • 4WD
  • AUTOMATIC
  • 135,000 MILES
Hello. All of the switches on my driver's side door perform as they are supposed to (lock/unlock, all windows up/down, both mirrors in all directions, etc.).
The problem I am trying to solve is that when my headlights come on, I have no back-lighting to the switches, so it is impossible to tell what is what without the dome light on. My passenger door switches light up perfectly, so the problem seems isolated to just the driver's side.
Any help would be greatly appreciated.
Thank you!
Sunday, June 9th, 2019 AT 7:06 AM

2 Replies

Tiny
KASEKENNY
  • MECHANIC
  • 18,907 POSTS
Hi,

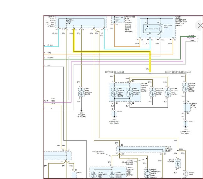
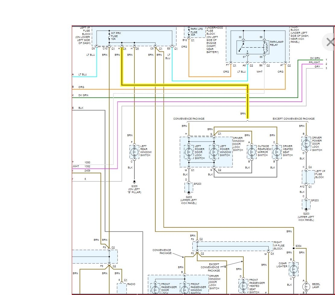
It looks like you have a brown wire in each of those connectors which means you have the convenience group package. If so, this brown wire should be your lighting circuit. If you look at the wiring diagram the driver and passenger side lighting come off the same fuse. So if the passenger side is working then the fuse is okay.

So when the lights are on, do you have power at each of these wires in the back of the switch bank. You can just take a safety pin and press it down into the back of the connector cavity so that you are making contact with the metal terminal end. If you have power on each of these wires, then the switch bank has to be the issue. If you don't then you have a wiring issue from the fuse to the switch. Most likely there is a splice not to far back in that harness and I would check there for power. Basically, you need to trace the circuit back to the fuse and find where you power goes away or simply run a few new wires from the fuse to the switch.

Also, you will want to locate the G203 ground and make sure this is clean and tight. You should also check your switch for ground. This means use the safety pin again and probe the ground wire and set your meter to ohms and then hook the red lead to the safety pin and the black to a known good ground preferable the negative battery post. You should have less than a half ohm for a good ground. If this is open or has high resistance then that is the issue.

Let me know if you need me to clarify something or what you find and we can go from there. Thanks
Was this
answer
helpful?
Yes
No
Sunday, June 9th, 2019 AT 9:10 AM
Tiny
RPL1970
  • MEMBER
  • 2 POSTS
Awesome. I appreciate you getting back to me so quickly. I will check the power to the wires as well as the ground and let you know what I find.
Was this
answer
helpful?
Yes
No
Sunday, June 9th, 2019 AT 1:44 PM

Please login or register to post a reply.