Driver side window not working?

Tiny
JINGLESNBELLS
  • MEMBER
  • 2013 SUBARU OUTBACK
  • AUTOMATIC
  • 155,000 MILES
On the driver's side window control switch, all buttons light up except for the driver's side window. I replaced the window regulator and driver's side switch with parts from Subaru, but nothing changed. All windows work except for driver's side. I am thinking it is an electrical issue. I checked fuses and all seemed in good shape. Could you assist me in diagnosing this issue? I have a multimeter, but I'm still learning how to use it. I can take pictures if you need me to.

Thank you for your time.
Melissa
Wednesday, July 24th, 2024 AT 4:48 AM

9 Replies

Tiny
STEVE W.
  • MECHANIC
  • 15,642 POSTS
Okay, do you mean you can open and close all of the windows from the driver's door switch but the driver's window doesn't work? Or is it that you can use the switch on the other doors for those windows and the driver's switch does nothing?
Also do you have the auto-up option? Different wiring depending on options and don't want to confuse us while testing. At the moment it sounds like a broken wire if it has the auto up function, they ran a different ground through the accordion sleeve between the door and the body on that option and it only provides a ground for the driver's window function.
Was this
answer
helpful?
Yes
No
Wednesday, July 24th, 2024 AT 9:28 AM
Tiny
KEN L
  • MASTER CERTIFIED MECHANIC
  • 55,177 POSTS
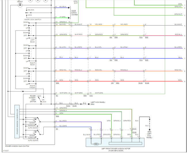
To get this straight all window work except for the driver side window and you have replaced the switch and the window motor/regulator, correct? Here are both wiring diagrams for both auto up/down and regular systems which are similar. Also, this guide can help you see if the window motor is getting a power/ground signal:

https://www.2carpros.com/articles/electric-window-repair

Try to move the wiring around inside of the door, is there is a break in the wiring it is usually inside the door near the door jam. FYI. The first four are the auto down/up Check out the images (below). Please upload pictures or videos in your response of any problems so we can see what to help you with.
Was this
answer
helpful?
Yes
No
Wednesday, July 24th, 2024 AT 3:38 PM
Tiny
JINGLESNBELLS
  • MEMBER
  • 4 POSTS
Yes, all windows work except the driver's side. The dealership said it was a bad switch and bad motor, but when I switched them out there was no change.
Was this
answer
helpful?
Yes
No
Thursday, July 25th, 2024 AT 8:00 AM
Tiny
KEN L
  • MASTER CERTIFIED MECHANIC
  • 55,177 POSTS
Okay, use the guide to check for power and ground to the window motor, also the wiring can break where the door meets the jam. Let me know what you find.
Was this
answer
helpful?
Yes
No
Thursday, July 25th, 2024 AT 9:34 AM
Tiny
STEVE W.
  • MECHANIC
  • 15,642 POSTS
Okay, that vehicle has the auto option. There is one common wire that can break and stop the driver's side window from working. That is the ground wire (black) that runs from the connector on the motor, through the boot and to the ground connection behind the trim panel in the driver's footwell. It provides the ground for the motor and switch assembly for the driver's door but won't change the other window operation. Easy to test if you can get to the connector on the motor, which it looks like you still have the door apart. Find the black wire on pin 5 in that connector. Take a test light connected to battery positive and touch it to the pin in the connector. Or take your meter set to ohms or continuity and check that the wire is okay. If it isn't I would do a simple overlay, you would get another black wire, run it through the door and boot, put an eyelet on the end and secure it to ground, then inside the door you would cut the black wire and use an insulated and heat shrink butt connector to connect the new and old wires.
Was this
answer
helpful?
Yes
No
Thursday, July 25th, 2024 AT 11:37 AM
Tiny
JINGLESNBELLS
  • MEMBER
  • 4 POSTS
Good morning! First off, thank you both for your help. I greatly appreciate it. Before working my way to the ground wire, I decided to start back at the beginning and check fuses and go from there. The power window main 2 fuse was broken. I switched out the fuse and the red light on the switch to the driver's side button was on. I then connected the switch to the regulator, and it works! I guess next time I should not believe the dealership and auto mechanic who after a $150 diagnostic fee both said it was the regulator and switch. :(

The only thing now is when I pull on the switch the auto up and down do not work. To roll the window up, I have to keep pulling on the switch multiple times until it gets all the way to the top. And then rolling it down I have to hold the switch the entire time.

Am I just checking the wires for the auto up and down according to the wiring diagram?
Was this
answer
helpful?
Yes
No
Saturday, July 27th, 2024 AT 8:35 AM
Tiny
STEVE W.
  • MECHANIC
  • 15,642 POSTS
Well, a bad fuse is easier, but something caused it to blow. However, to get the window working you need to do these resets-

Reset 1
Get in and close the door, turn the ignition on.
Close the window fully. Now lower it about halfway. Now you close the window and hold the switch in the UP position for at least one second. Now push the button and verify that the window goes down fully. Try the auto down a couple times to be sure it works.
If it doesn't then repeat the relearn.

Reset 2
In the seat and ignition on. Put the window fully down. Now pull up and verify that the auto-up functions. If it doesn't then you put the window fully down and hold the button for a second. Then trigger the auto-up, repeat this 10 times. This should reset the switch so the window will go fully up and down on auto.
Was this
answer
helpful?
Yes
No
Saturday, July 27th, 2024 AT 9:19 AM
Tiny
JINGLESNBELLS
  • MEMBER
  • 4 POSTS
Hi! I tried the steps you suggested, but no change. Auto still does not work when going up or down. Is there something else I should check? When I go to roll the window up, it won't roll up all at once. It just does little by little. I have to pull the switch multiple times.
Was this
answer
helpful?
Yes
No
Wednesday, August 7th, 2024 AT 4:33 AM
Tiny
STEVE W.
  • MECHANIC
  • 15,642 POSTS
It will do that if it doesn't initialize properly. It can take a couple tries.
Was this
answer
helpful?
Yes
No
Wednesday, August 7th, 2024 AT 6:31 AM

Please login or register to post a reply.