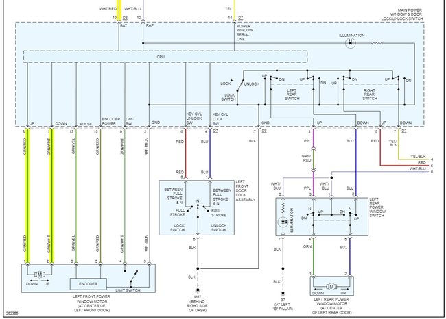
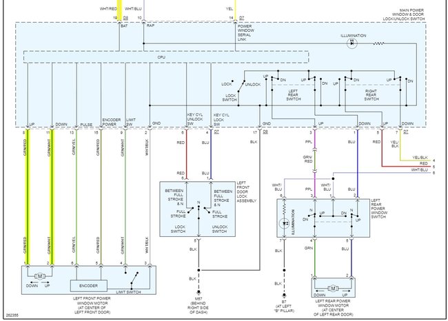
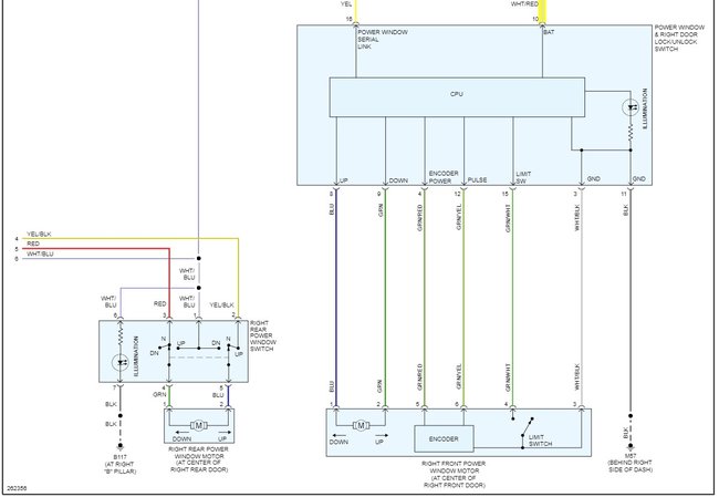
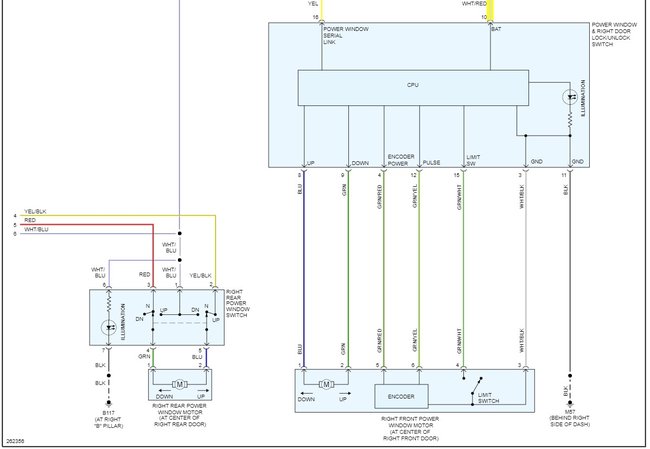
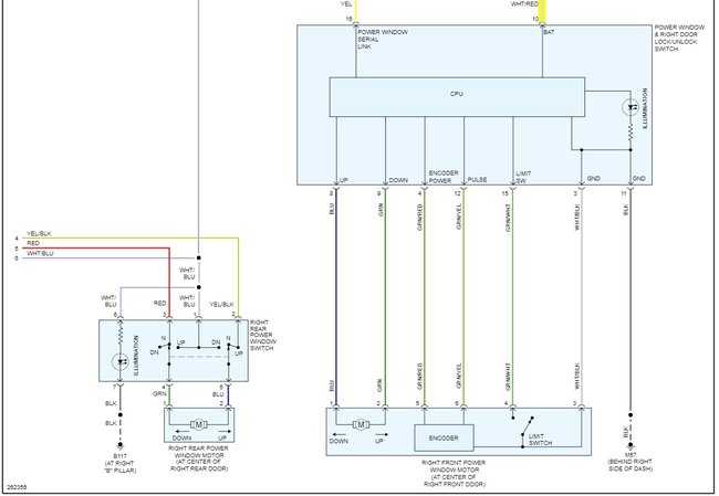
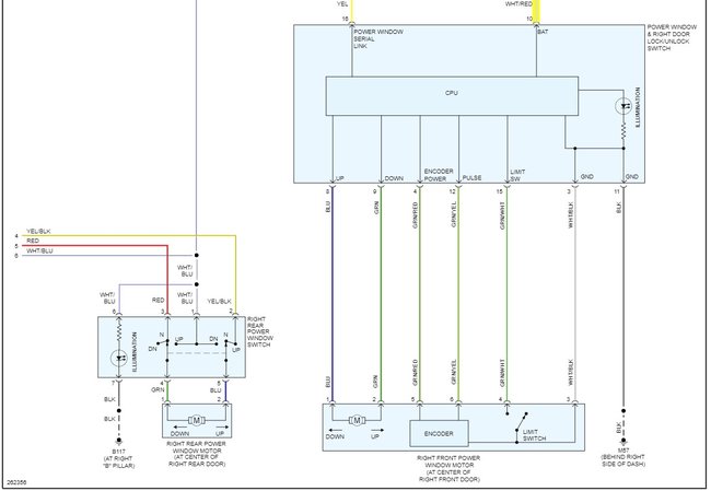
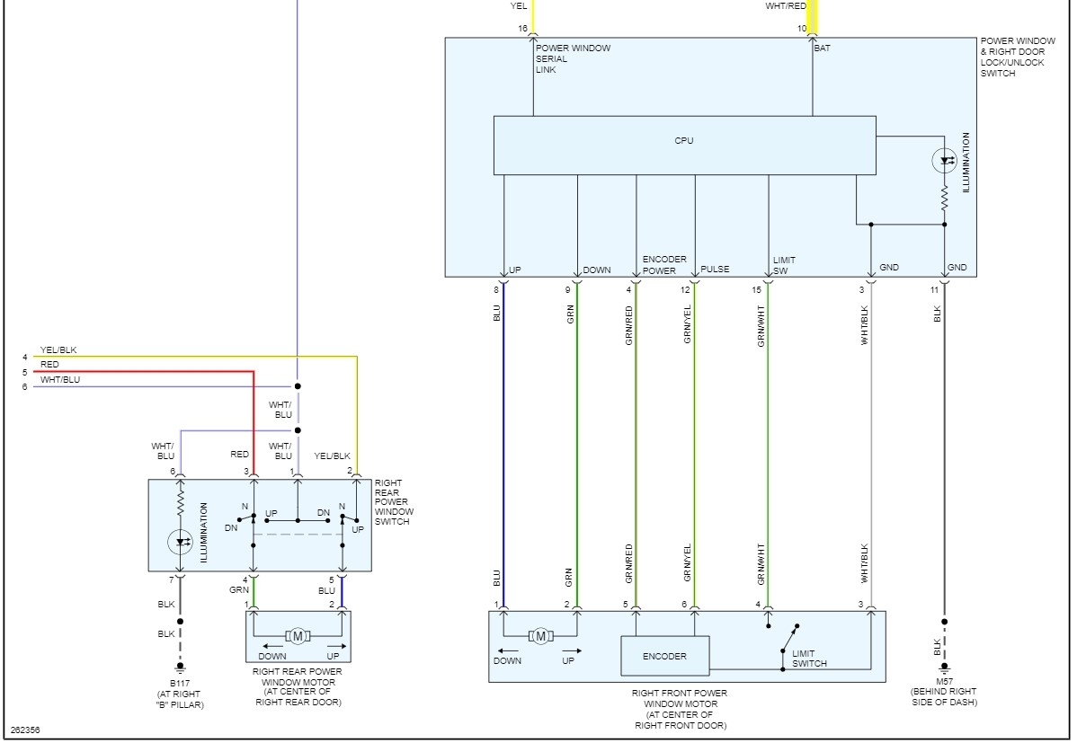
Monday, March 21st, 2022 AT 12:38 PM
I can make the rest roll down and up with sitting in my driver's seat. Do you think it's the regulator or motor? How do I get to it?















