Door locks not working properly

Tiny
DAVID CRYER
  • MEMBER
  • 2003 FORD TAURUS
  • 3.0L
  • 6 CYL
  • 2WD
  • AUTOMATIC
  • 223,538 MILES
While driving the car doors unlock and lock by themselves.
Friday, February 7th, 2020 AT 9:16 AM

2 Replies

Tiny
SCGRANTURISMO
  • MECHANIC
  • 4,897 POSTS
Hello,

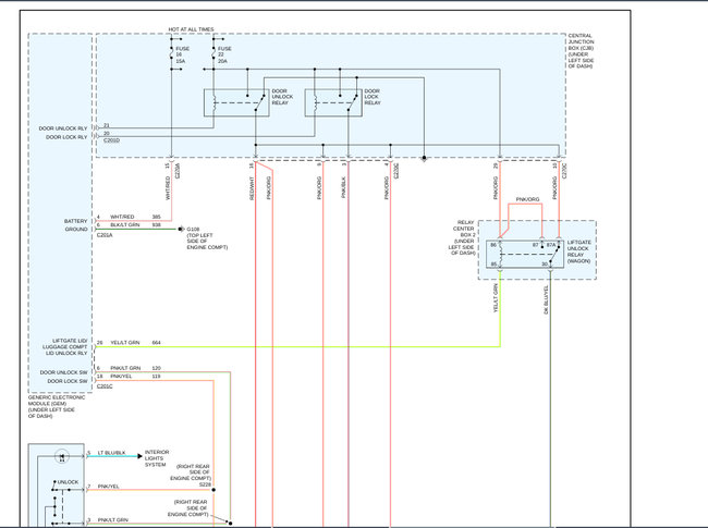
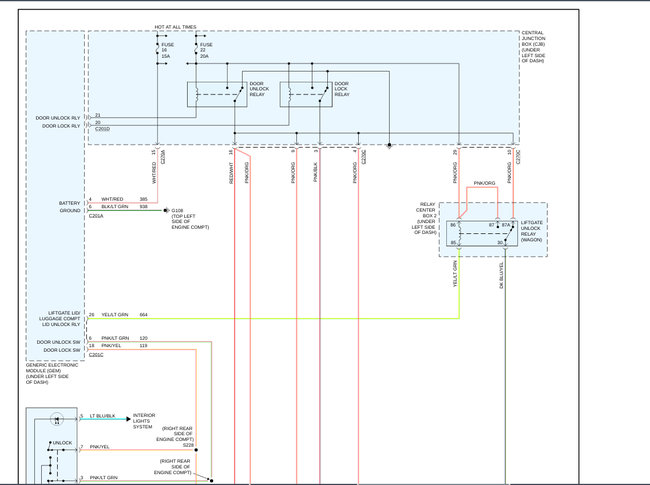
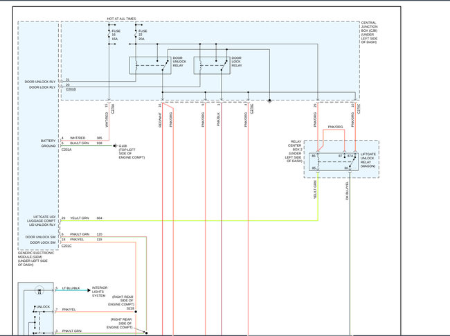
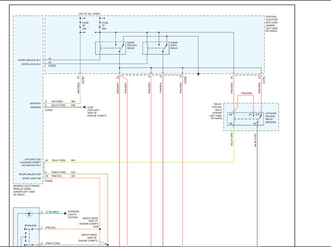
This could be a problem with your vehicle's Generic Electronic Module[GEM]. The GEM is responsible for your power locks along with instrument cluster warning chimes, power windows, courtesy lighting, Daytime Running Lamps[DRL], front washer/wipers, rear heated window, and delayed accessories. In the diagrams down below I have included the instructions for the removal and installation of the GEM, along with the Power Door Lock wiring diagram. Please go through this guide and get back to us with how everything turns out.

Thanks,
Alex
2CarPros
Was this
answer
helpful?
Yes
No
Friday, February 7th, 2020 AT 9:35 AM
Tiny
AL514
  • MECHANIC
  • 5,595 POSTS
Just to add a thought. What about a miss adjusted door switch or some other input causing lock/unlock signal.
Was this
answer
helpful?
Yes
No
Friday, February 7th, 2020 AT 10:47 AM

Please login or register to post a reply.