Intermittent issue while driving the doors lock and unlock themselves

Tiny
DICKHAUTS29
  • MEMBER
  • 2008 CHEVROLET COBALT
  • AUTOMATIC
  • 120,000 MILES
My car has had this problem for a while. Sometimes while I am driving the doors will randomly lock/unlock by themselves. When this happens the check engine light flashes on and then back off and the speed gauge jumps up 20 or so MPH and then goes back down to the speed at which I am driving. Only seems to happen while I am driving, and acceleration can feel a little sluggish after it happens.
Known bad door lock switch on driver's side.
I believe both front and back door lock actuators on the passenger side are bad.

Any Ideas?

My ideas are:
Could it be the door lock switch? Actuators?
Could it be that the BCM for some reason thinks I am shifting into/out of park which automatically locks/unlocks the doors.
Saturday, December 25th, 2021 AT 11:55 PM

5 Replies

Tiny
JACOBANDNICKOLAS
  • MECHANIC
  • 110,194 POSTS
Hi,

The idea that you notice the check engine light flashing when this happens puts several different thoughts in mind. First, when the light flashes, under normal conditions that indicate an engine cylinder misfire. The speedometer jumping doesn't seem directly related to the locks either. Do you ever notice the interior lights flashing on and off when this happens?

There is a ground located under the driver's seat (black wire/G301). It may be a good idea to check that to make sure it's in good condition. That grounds the door jamb switches. If they fail and the BCM thinks a door is open, it will cause havoc.

At this point, they don't see related other than happening at the same time unless there is a ground-related issue that ties them together. What I would start with. The vehicle has a can-bus system that is used for BCM to communicate with other modules. (CAN = controller area network). Before we start replacing things, I recommend having the network (CAN) scanned. Basically, all modules are tied together via a few wires. If there are diagnostic trouble codes, this will retrieve them regardless of the module storing them. Because the check engine light has been on, there must be codes.

Here is a quick video showing it being done and a link explaining how to do it:

https://www.2carpros.com/articles/can-scan-controller-area-network-easy

https://youtu.be/InIlnsjOVFA

Do this and let me know the results.

Joe
Was this
answer
helpful?
Yes
No
Sunday, December 26th, 2021 AT 9:49 PM
Tiny
DICKHAUTS29
  • MEMBER
  • 3 POSTS
Thanks for your reply!
I do not have the interior lights on typically, so I have never noticed them flashing when this happens. I will check the condition of that ground wire under the driver's seat tomorrow. Do you recommend I do an OBD scan for DTCs and scan the CAN or are these the same? I have never heard of a CAN scan, if this is different from just an OBD scan where could I get a CAN scan done? Can somewhere like AutoZone do them or should I find a local mechanic who can do it?
Thanks,
Sam
Was this
answer
helpful?
Yes
No
Sunday, December 26th, 2021 AT 10:08 PM
Tiny
JACOBANDNICKOLAS
  • MECHANIC
  • 110,194 POSTS
Hi Sam,

Check the ground first. Hopefully, it will be something simple. As far as scanning, it does require a scanner that can read can-bus codes. Here is a link that shows in general how it's done. Additionally, there is a video showing it being done.

https://www.2carpros.com/articles/can-scan-controller-area-network-easy

https://youtu.be/InIlnsjOVFA

As far as the can-bus, the newer the vehicles get, the more involved they are. There are more and more modules/computers on cars. If the manufacturer had to run separate wires to each, the car would weigh about 1000 pounds more, hurt MPG, and be much more expensive.

It is confusing, but really interesting how it works. The powertrain control module makes determinations for the car. If two signals come over the same wire at the same time, the PCM determines which is more important. LOL Things just keep getting more and more involved.

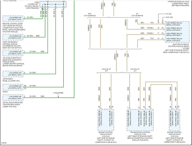
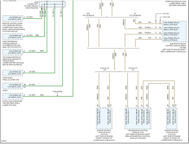
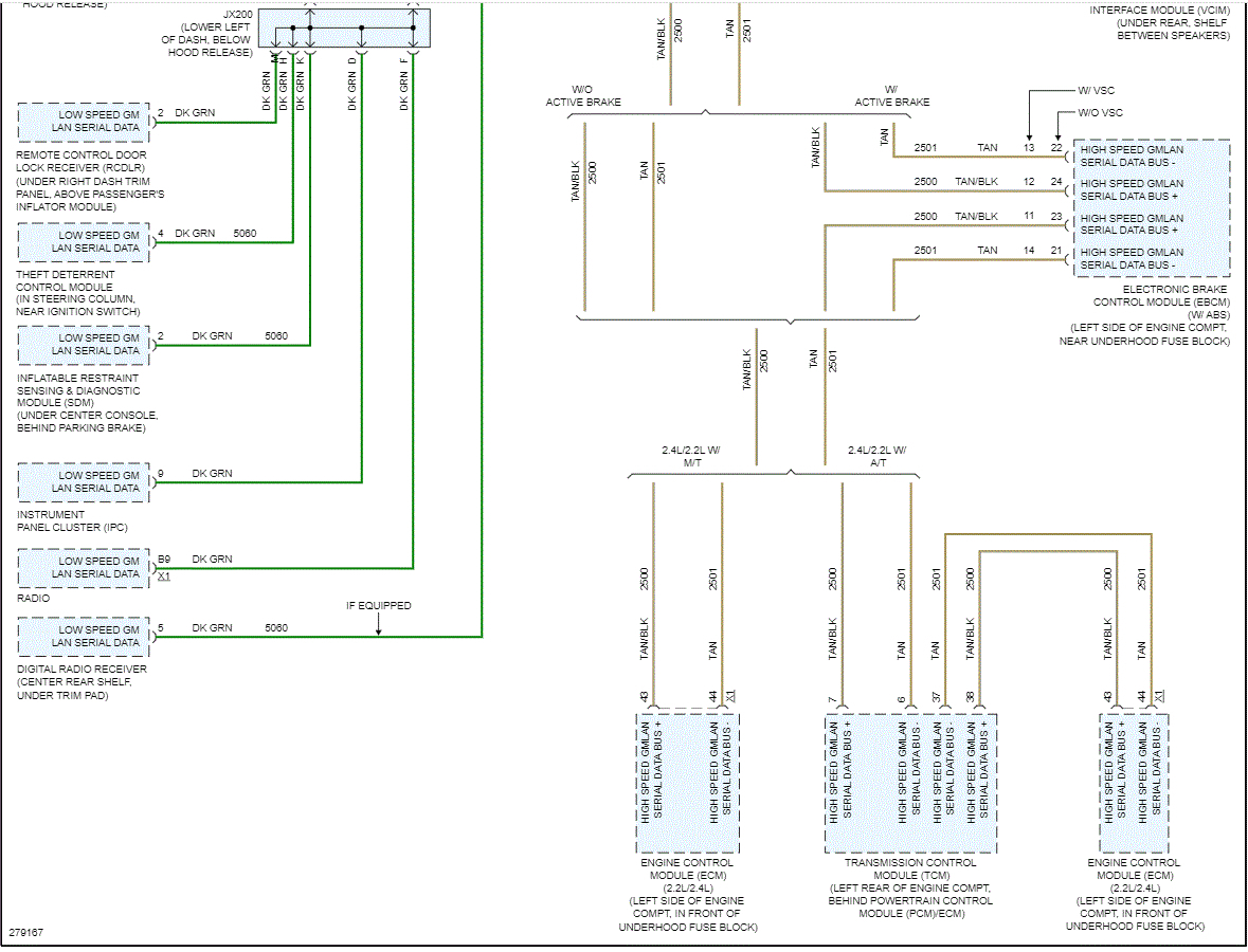
Just to let you see it, I attached the schematic below for the computer data lines. Notice there are both high speed and low speed. Notice that all are basically the same colors via high speed. The low speed are all the same colors. That's because that is the single wire running from module to module. Ugh!!! LOL Also, the low speed will always be a single wire circuit that runs basically from a 0v to 5v signal to communicate between circuits that don't require an instant response. A high speed will usually be two wires (often twisted together).

The term bus simply means this. Picture a school bus. Many students ride on the bus to their destination. The concept with the can-bus is a single circuit (similar to one school bus) carries multiple module/computer transmissions to their destinations.

Sorry, since you said you never heard of one, I thought I would try my best to explain it.

If you plan to purchase a scan tool in the future, confirm the one you get can read the can. Sounds funny. LOL You can find them cheap on Amazon. Chances are as time passes; you will get newer vehicles that certainly will require this.

Okay, I will now shut up. I hope this helps explain things a little better.

Take care and let me know what I can do to help.

Joe

See pics below.
Was this
answer
helpful?
Yes
No
Sunday, December 26th, 2021 AT 11:18 PM
Tiny
MELISSATRANISHA
  • MEMBER
  • 1 POST
I’m only responding here so people with similar cars to mine get the right information they need. I drive a 2015 Chevy Malibu for context. At 96,600 miles I started to experience my car doors locking and unlocking and then shortly thereafter my gears rapidly switching from P to D while I was driving. My transmission control module had to be replaced and there were some fluids running low. It was a roughly $2000 repair but now the car drives new, so it was worth it.
Was this
answer
helpful?
Yes
No
Friday, August 4th, 2023 AT 8:15 PM
Tiny
JACOBANDNICKOLAS
  • MECHANIC
  • 110,194 POSTS
Hi, and thank you for that information. That will certainly help others in the future.

Take care,

Joe
Was this
answer
helpful?
Yes
No
-1
Saturday, August 5th, 2023 AT 3:30 PM

Please login or register to post a reply.