Door ajar light stays on when doors closed

Tiny
CHAD1978
  • MEMBER
  • 2009 MAZDA CX-9
  • 3.7L
  • V6
  • 4WD
  • AUTOMATIC
  • 70,000 MILES
The door ajar light is always on even when all the doors are shut. I have disconnected all the door switches to try and locate the problem door switch with no avail. I will be driving and when I turn my signal light on the light goes out and I can lock my doors. I have scanned the car and no codes come up. Is there a relation between the signal lights and the door ajar switch and how can I fix it?
Thursday, March 10th, 2022 AT 4:33 PM

8 Replies

Tiny
JACOBANDNICKOLAS
  • MECHANIC
  • 110,194 POSTS
Hi,

For the light to be on, there has to be a short to ground. Power is provided to all door switches at all times. What turns the light on is when you open the door actuating the switch to ground and completing the circuit. So, disconnecting them should have turned them off.

When you tested the switches, did you disconnect all at the same time or one at a time? If all, there must be a short to ground between the instrument panel.

Try something for me. Remove the meter fuse in the right-hand side of the dash fuse panel. Does the light stay off? If so, next, I need you to disconnect the battery. Then, disconnect one door switch at a time and check to see if there is continuity to ground at the connector (wiring side).

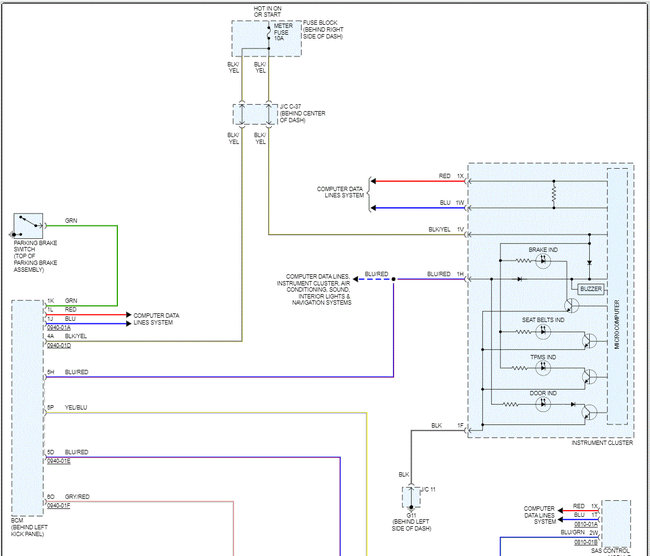
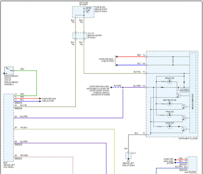
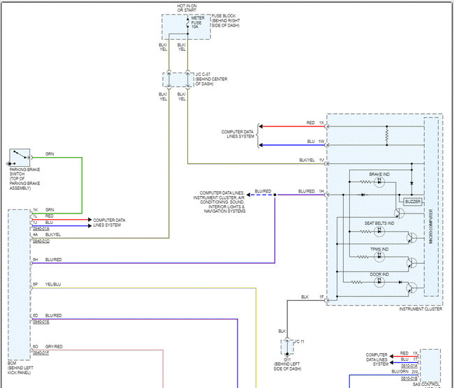
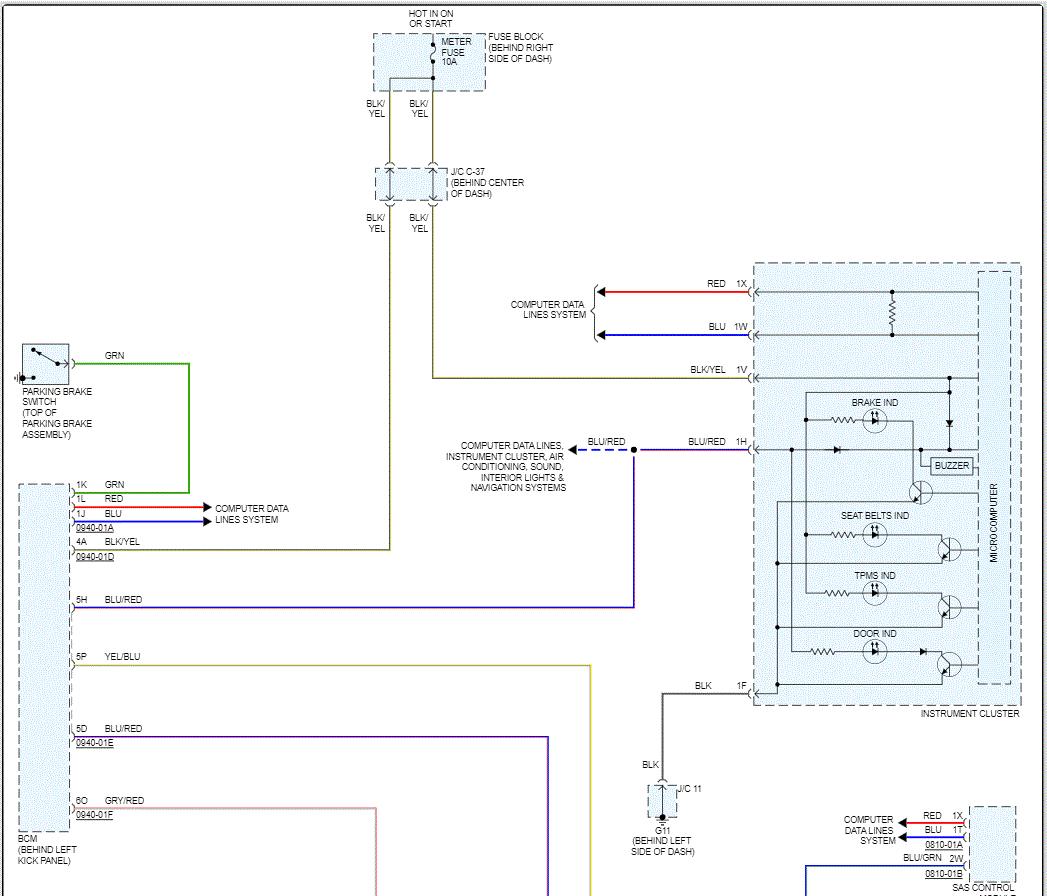
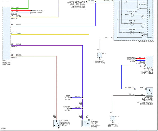
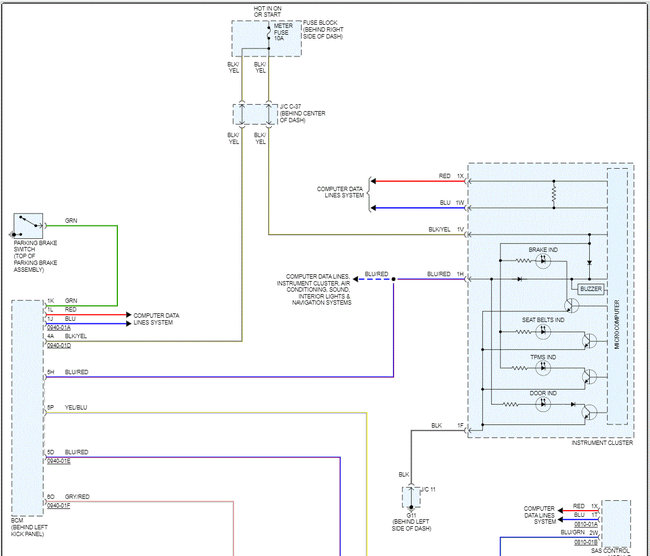
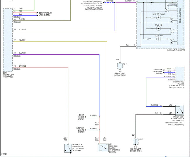
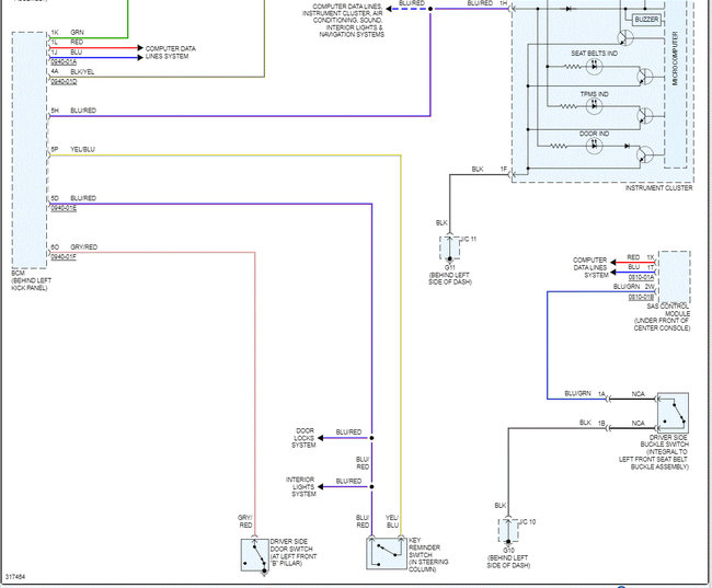
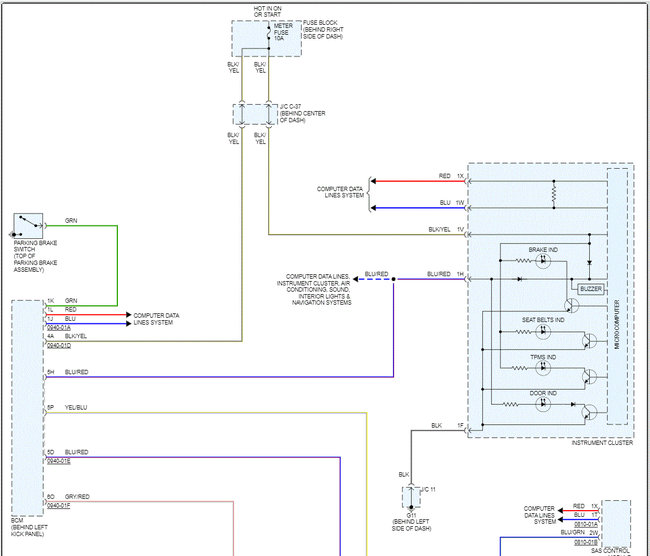
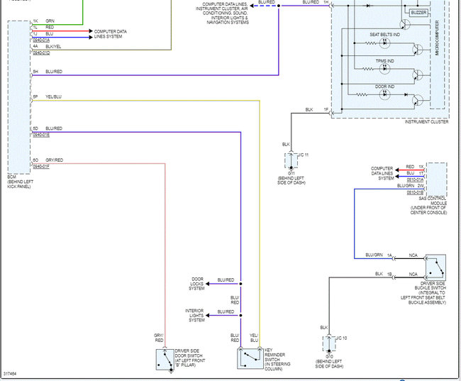
I attached the wiring schematic below of the warning systems/cluster. If there is no short to ground, either an issue with the body control manual or the microcomputer integral in the instrument cluster.

Let me know what you find. Also, here is a link you may find helpful:

https://www.2carpros.com/articles/how-to-check-wiring

Take care,

Joe

See pics below. Note: I had to cut the schematic in half to make it readable. Also, I highlighted the location of the meter fuse in the fuse box in pic 3.
Was this
answer
helpful?
Yes
No
+1
Friday, March 11th, 2022 AT 6:55 PM
Tiny
CHAD1978
  • MEMBER
  • 4 POSTS
Hi joe. I pulled the meter fuse and the light stayed on. I don’t have a voltmeter. But when I was taking the switches out. I took them out 1 at a time to try and locate if it was a dead switch. The light stayed on all doors. Then I removed all switches at once and the light still stayed on. When I am driving the only time, the light goes out is when I put on my turn signal on. Is there any correlation between the turn signal and the door ajar switch?
Was this
answer
helpful?
Yes
No
Saturday, March 12th, 2022 AT 12:30 PM
Tiny
JACOBANDNICKOLAS
  • MECHANIC
  • 110,194 POSTS
Hi,

If you removed the fuse and it didn't turn off, that means there is a short providing power from a different circuit. To answer your question, yes there could be a correlation between the two. They both use the instrument panel. However, let's remove the fuse for the signals and see if it stays off. Of course, don't drive it like that. LOL

If the light stays on when the BTN fuse is removed from the under-hood fuse box (see pic), move the signal switch to see if it still goes off. Also, hang in there. Wiring issues are usually a nightmare to figure out, but one way or another, we'll do it.

Let me know.

Joe
Was this
answer
helpful?
Yes
No
Saturday, March 12th, 2022 AT 3:57 PM
Tiny
CHAD1978
  • MEMBER
  • 4 POSTS
Hi Joe. Still happens with the btn fuse out. The light goes out when I put the signal light on. Thanks so much for all your help trying to figure this out!
Was this
answer
helpful?
Yes
No
Sunday, March 13th, 2022 AT 10:10 AM
Tiny
JACOBANDNICKOLAS
  • MECHANIC
  • 110,194 POSTS
Hi,

The idea that it turns off when the signal is turned on leads me to think there may be a short in the instrument cluster or an issue with the connector (ground specifically).

Have you tried removing the connector at the rear of the cluster and inspecting the connection?

Also, I'm going to consult with another tech and get his thoughts. You may see a response from another person as well

If you haven't, disconnect the connector at the rear of the cluster and check for any evidence of damage (for example something overheated).

Let me know.

Joe
Was this
answer
helpful?
Yes
No
Sunday, March 13th, 2022 AT 7:57 PM
Tiny
KASEKENNY
  • MECHANIC
  • 18,907 POSTS
Just to jump in on this, this is interesting.

The fact that you can turn the signals on, and the door ajar light turns off does point to a ground issue as Joe mentioned.

However, I am thinking we may have a BCM issue.

The fact that you pull the meter fuse out and the light stays on is a little odd so that means as Joe said, we are getting the signal from somewhere else.

What I would suggest is going to the BCM and disconnect the connector from the door switches and see if the light remains on. If it does, then I suspect the BCM is the issue. The reason is the data about the door switches is sent to the cluster via the communication network.

However, the BCM is also used to power the turn signals so we may have a ground issue for the turn signals and the door switches are back feeding through this or the BCM is shorted internally.

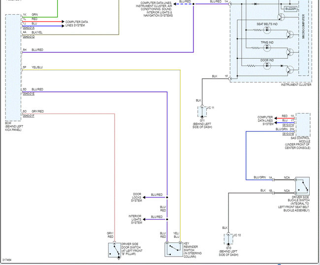
Take a look at these diagrams and let us know what happens when you disconnect the BCM connector highlighted below. It appears it is 0940-01F.
Was this
answer
helpful?
Yes
No
Sunday, March 13th, 2022 AT 8:36 PM
Tiny
CHAD1978
  • MEMBER
  • 4 POSTS
Thank you, guys, so much. After dinner don't out about the BCM. I delved into a bit more research on these cars and found out that there are some with a leak in the body seam by the windshield. It then leaks down onto the dash and into the BCM. So, the BCM will need to be replaced. I appreciate all your expertise trying to help me out with this! Thank you, guys, again so much!
Was this
answer
helpful?
Yes
No
Monday, March 14th, 2022 AT 4:45 PM
Tiny
JACOBANDNICKOLAS
  • MECHANIC
  • 110,194 POSTS
Hi,

You are very welcome and I'm glad you found the problem. Also, I know your findings will help others in the future.

Take care of yourself and please feel free to come back anytime in the future. You're always welcome here.

Joe
Was this
answer
helpful?
Yes
No
Monday, March 14th, 2022 AT 7:02 PM

Please login or register to post a reply.