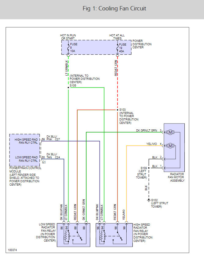
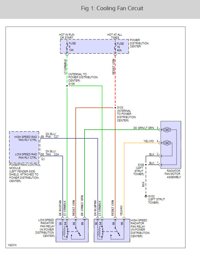
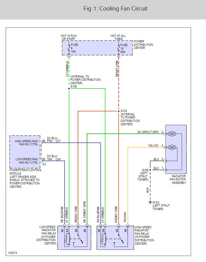
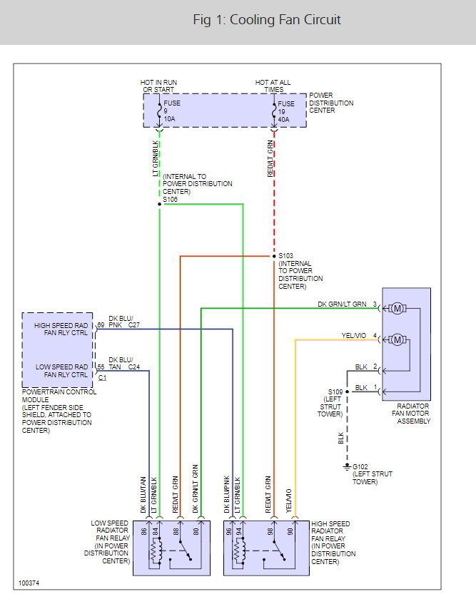
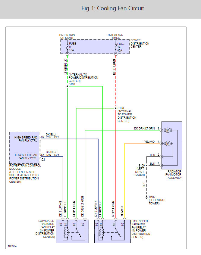
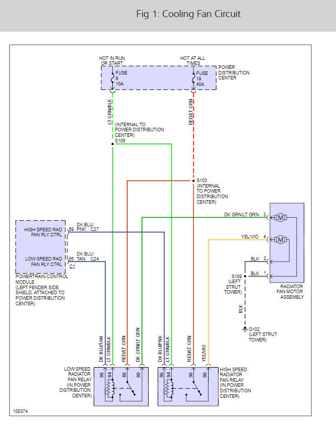
Four cylinder front wheel drive automatic 198,000 miles.
Radiator fans only come on when the air conditioner is running on high. I discovered that after I replaced fan assembly, but changing fans did not fix the problem. Thought it could be the fan relay(s) but cannot find where they are. Could it be another problem? Thanks for any assistance!
Radiator fans only come on when the air conditioner is running on high. I discovered that after I replaced fan assembly, but changing fans did not fix the problem. Thought it could be the fan relay(s) but cannot find where they are. Could it be another problem? Thanks for any assistance!
Nov 2, 2009 at 9:56 PM











