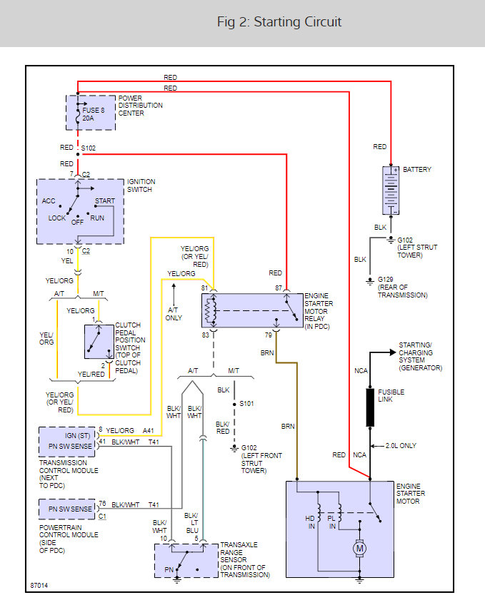
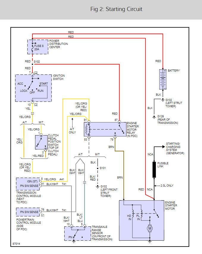
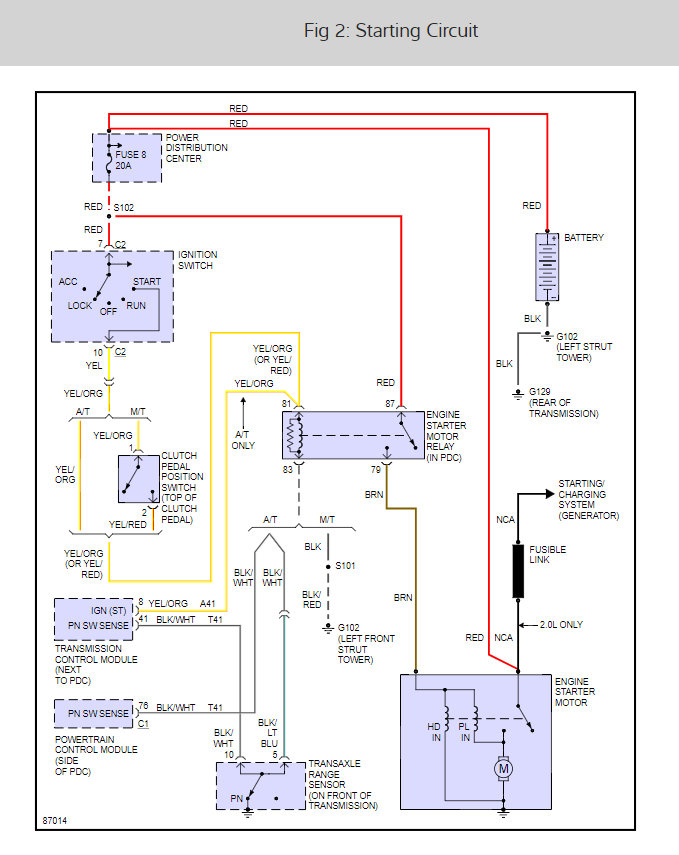
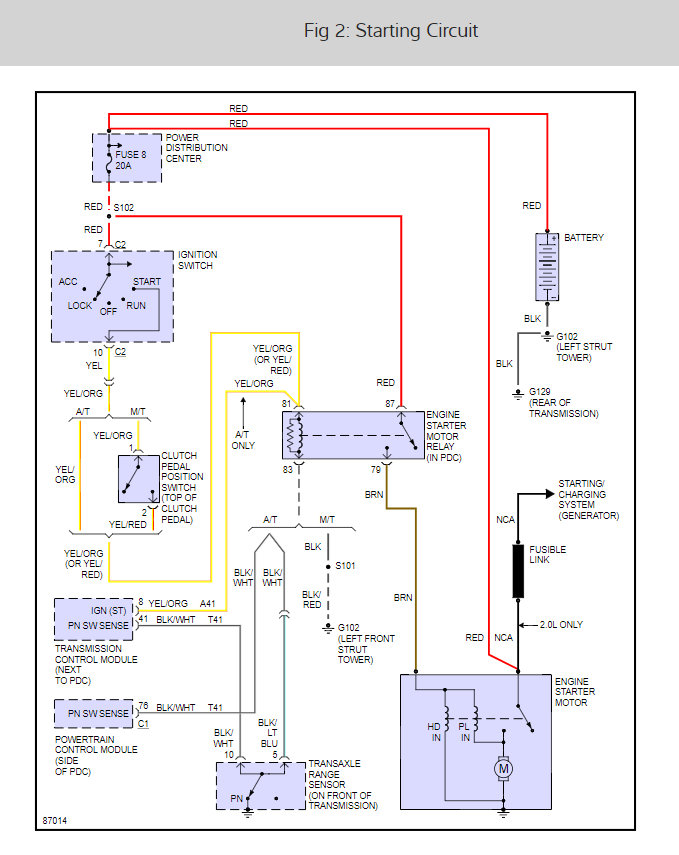
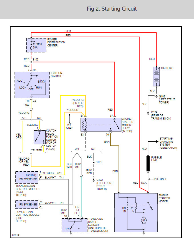
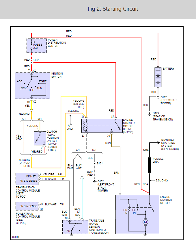
My 1998 Dodge Stratus would not crank. It would not say a word and the dash is only diplaying half of wht it should when key is turned. I checked th fuses first and found that a the fuel ignition fuse in the fuse box under the hood was blown so I replaced it. Three times back to back and each time the fuse blew each time I tried to crank my car. Any idea what could be causing this problem?
Monday, January 14th, 2008 AT 12:35 PM





