Saturday, September 19th, 2009 AT 11:27 AM
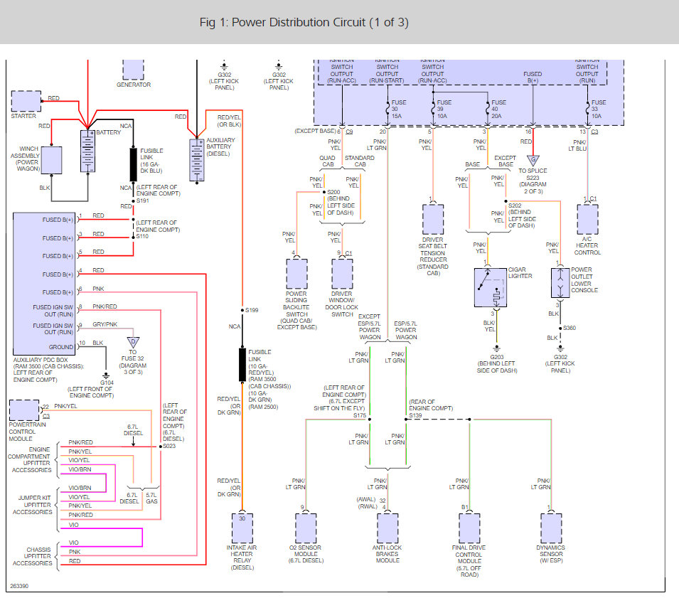
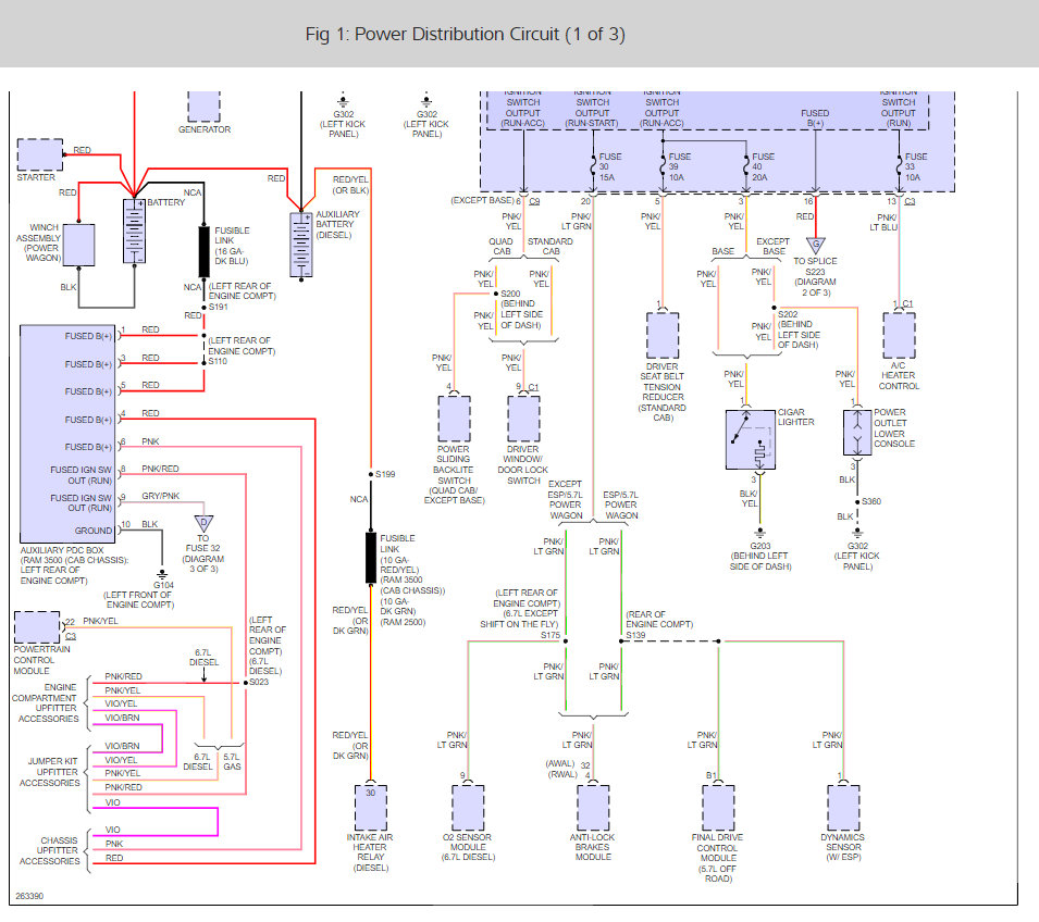
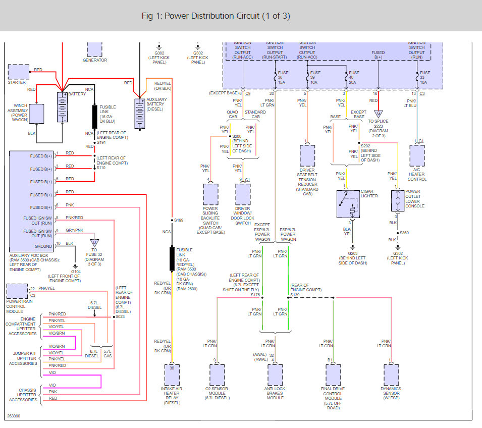
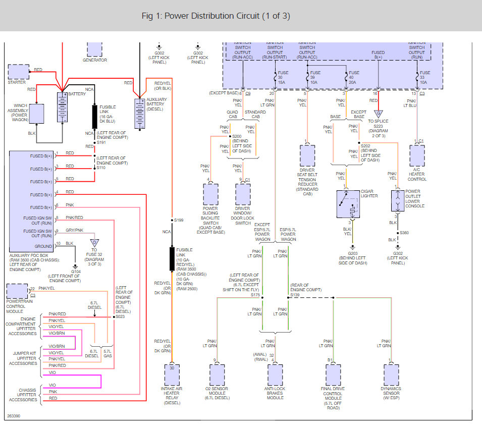
My battery went flat I charged it and about every 2 to 3 days it went flat, I have now replaced the battery and I am going to see how long it lasts, but I have made some simple tests, with everything switched off there seems to be a very small spark when you disconnect a battery lead and touch the battery post, I have put a amp meter between the disconnected battery lead negative and the negative post and pulled out every fuse and the only one that seems to make a difference in the reading is number 11 fuse rated at 20 amp and is marked :IOD CCN WCM SDARS AND HFM? I have also noticed that there is continuity between the positive lead and the negative lead? Can you tell me what this fuse covers on my model and your general opinion on my problem, many thanks, john.





