Axle Bearing?

Tiny
ERICMIG
  • MEMBER
  • 2004 DODGE RAM
I hear strange noise from the differential went driving need replace oil or are not what to do I don't have to much money to take to dealer what you recommend to do?
Sunday, April 12th, 2009 AT 9:30 AM

7 Replies

Tiny
MERLIN2021
  • MECHANIC
  • 17,250 POSTS
What kind of noise? Banning? Whine? Grind? First step is to remove the cover, put a catch pail under it, Insect for metal on the magnet, a lot means trouble, small amounts are not bad.

This video will show you how to change the bearing out, different car but the process is the same.

https://youtu.be/zarxKsspr3s

let me know
Was this
answer
helpful?
Yes
No
Sunday, April 12th, 2009 AT 9:54 AM
Tiny
ERICMIG
  • MEMBER
  • 2 POSTS
Is cain of ginnig noise dont sound like metal
Was this
answer
helpful?
Yes
No
-1
Sunday, April 12th, 2009 AT 9:58 AM
Tiny
MERLIN2021
  • MECHANIC
  • 17,250 POSTS
First things to check when you get a noise in the drivetrain, are the U-Joints, they are the weakest link.
Was this
answer
helpful?
Yes
No
Monday, April 13th, 2009 AT 4:14 PM
Tiny
KESTOCK
  • MEMBER
  • 1 POST
  • 2002 DODGE RAM
  • 250,000 MILES
Need to replace right rear outer bearing?
Was this
answer
helpful?
Yes
No
Friday, August 2nd, 2019 AT 4:10 PM (Merged)
Tiny
RASMATAZ
  • MECHANIC
  • 75,992 POSTS
This repair is the same differential as a Chevy pretty much, here is a video that will show you how

https://youtu.be/zarxKsspr3s

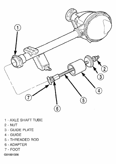
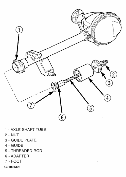
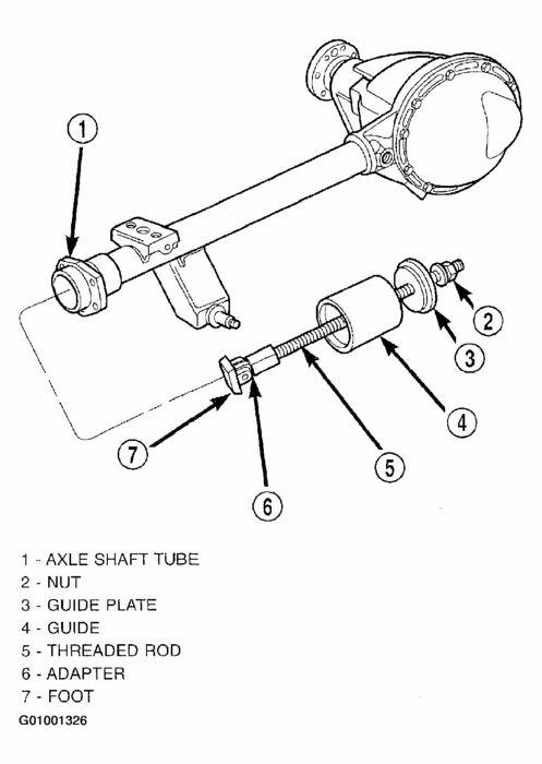
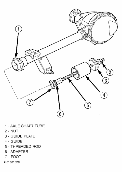
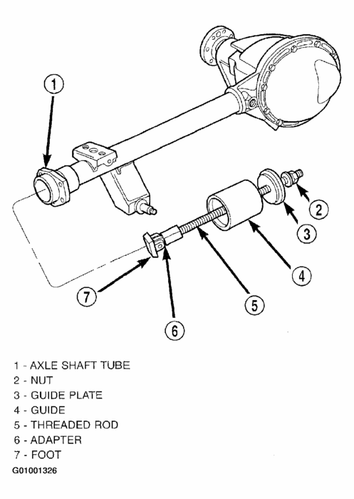
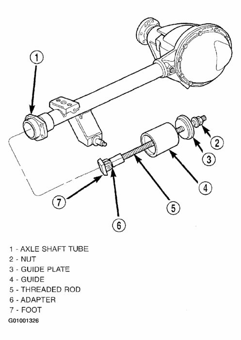
AXLE BEARINGS
REMOVAL
Place transmission in neutral.
Raise and support the vehicle.
Remove wheel and tire assembly.
Remove brake caliper, adapter and rotor.
Remove axle shaft.
NOTE:The seal and bearing can be removed at the same time with the bearing removal tool.

Remove axle shaft seal from axle tube with a small pry bar.
Remove axle shaft bearing with Bearing Remover 6310 and Foot 6310-9

Check out the diagrams (Below). Please let us know if you need anything else to get the problem fixed.
Was this
answer
helpful?
Yes
No
Friday, August 2nd, 2019 AT 4:10 PM (Merged)
Tiny
SCOTMAN
  • MEMBER
  • 1 POST
  • 1996 DODGE RAM
  • V8
  • 4WD
  • 120,000 MILES
How hard is it to replace rear Axle Bearings on a 1996 1500 4x4 Dodge Ram Truck? Thank you
Was this
answer
helpful?
Yes
No
Friday, August 2nd, 2019 AT 4:10 PM (Merged)
Tiny
DOCFIXIT
  • MECHANIC
  • 18,828 POSTS
Remove wheel unbolt axle remove axle then lock nut for outer wheel bearing if need inner remove drum oil seal and inner bearing. Well need bearing puller
Was this
answer
helpful?
Yes
No
+1
Friday, August 2nd, 2019 AT 4:10 PM (Merged)

Please login or register to post a reply.