Swapping rear axle assembly on my 1500. Have truck up on jack stands, wheels are off. I know how to take brakes off of axle.
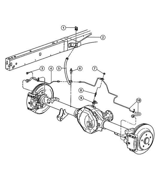
What I need to know is how to take brake hoses system off the axle assembly? Is there a diagram available? I am keeping the original brake system and just swapping rear axle assembly.
Thanks
Sunday, January 29th, 2017 AT 3:54 PM



