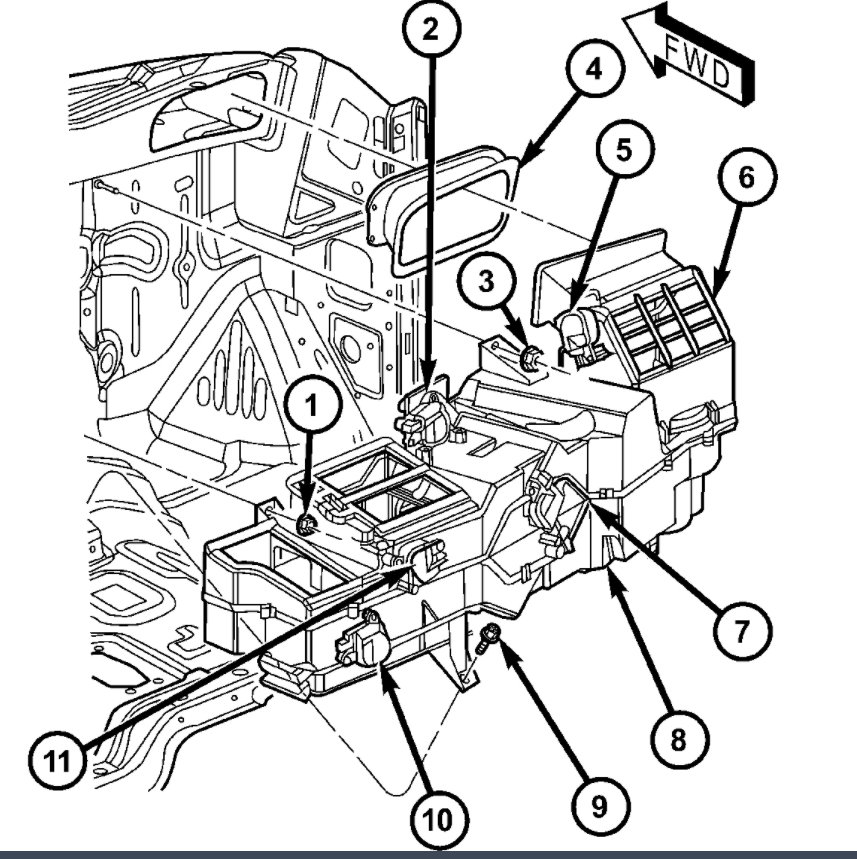
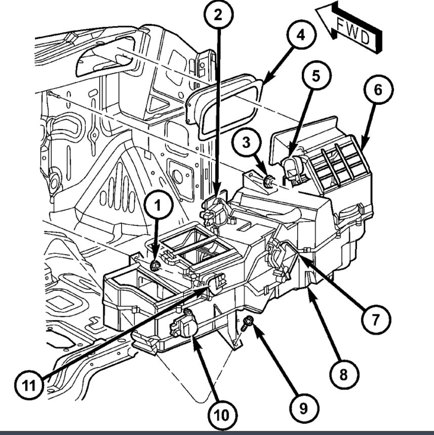
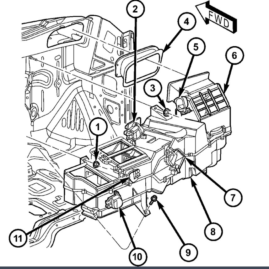
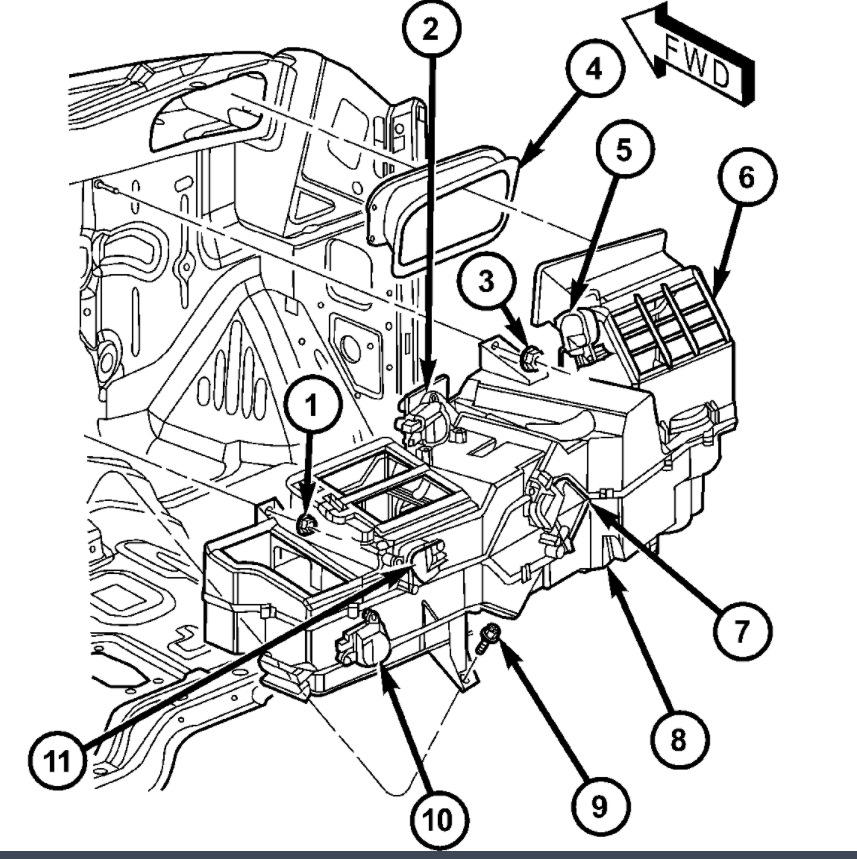
Monday, January 4th, 2010 AT 8:59 PM
Hot air blows out on passenger side of truck/but verry little. On drivers side, cold air blows out with extreme force. Defrost blows out warm air. Temp guage in the truck reads normal.I had the radiator flushed, no difference. Any thoughts?




