Where is the heater blower motor relay located?

Tiny
SHUGARS69
  • MEMBER
  • 2002 DODGE RAM
Where is the heater blower motor relay located?
Thursday, May 29th, 2008 AT 9:30 PM

3 Replies

Tiny
MHPAUTOS
  • MECHANIC
  • 31,937 POSTS
Hi there,

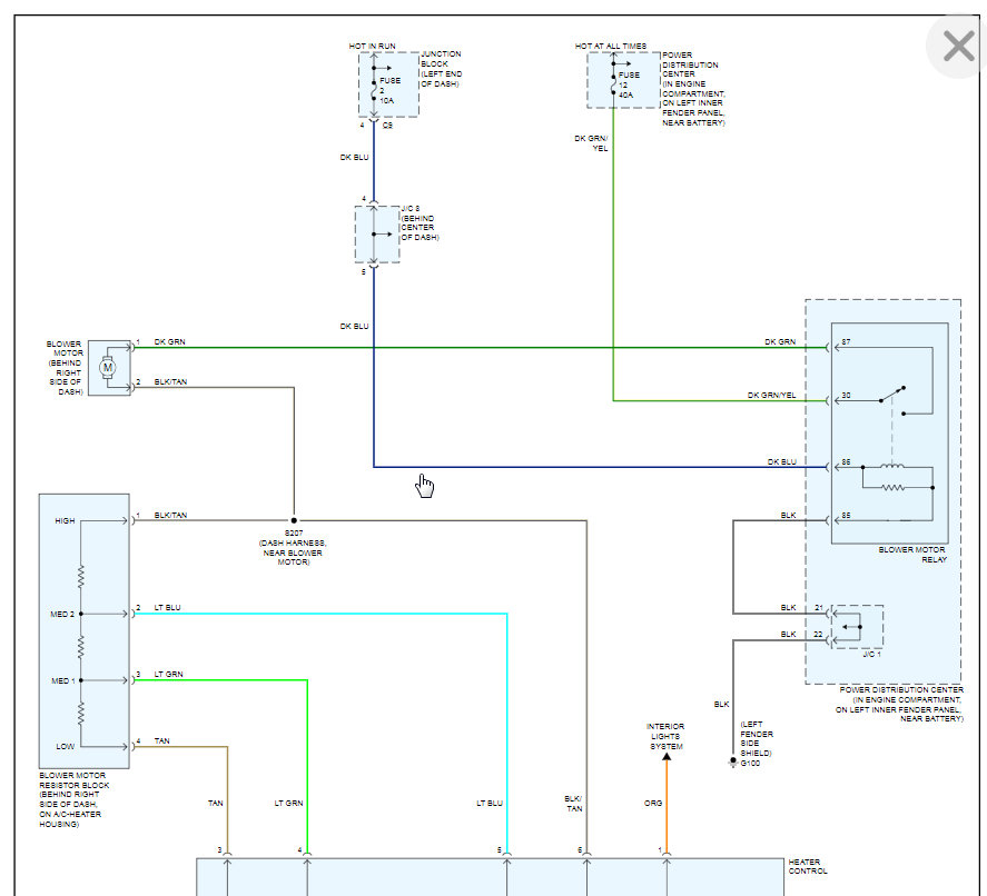
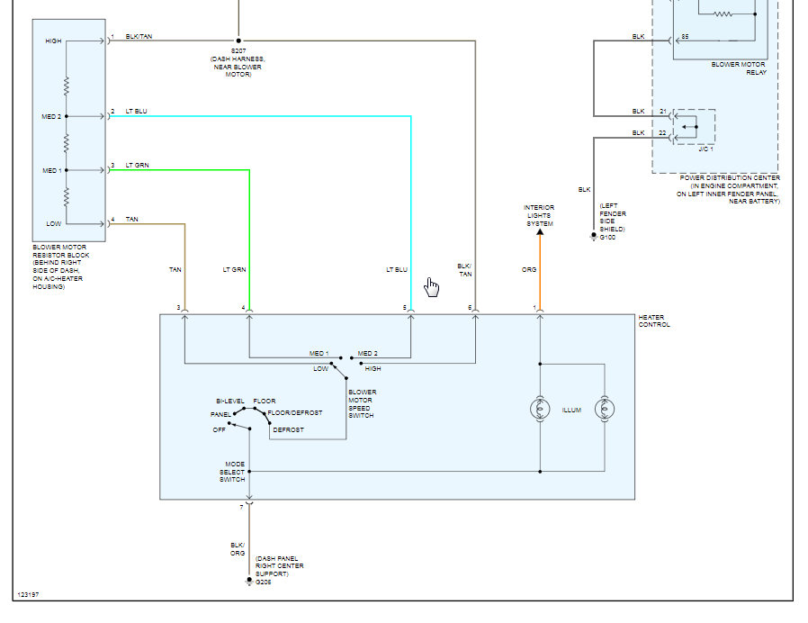
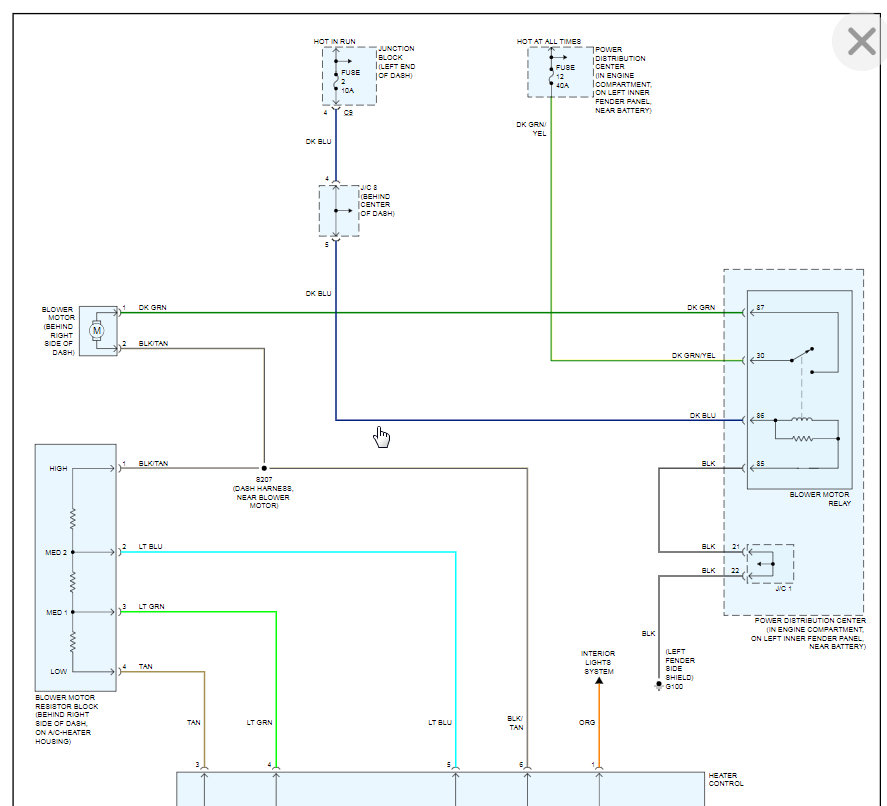
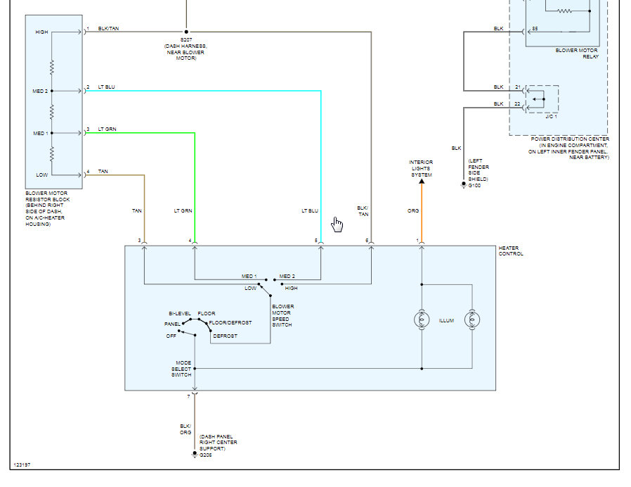
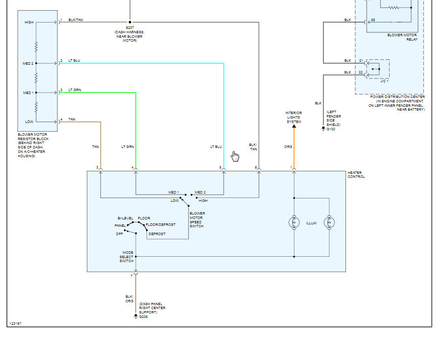
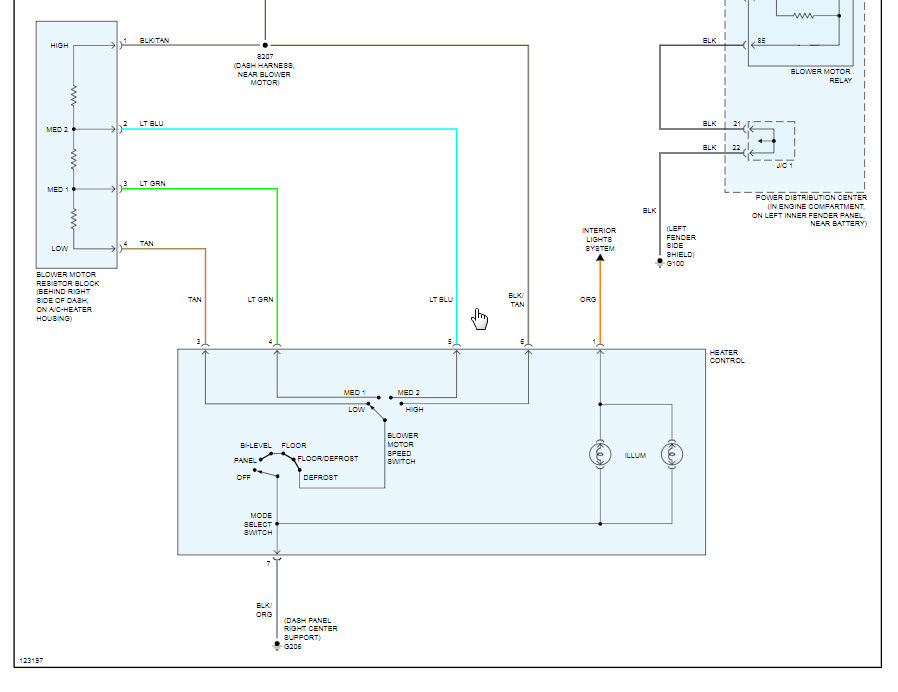
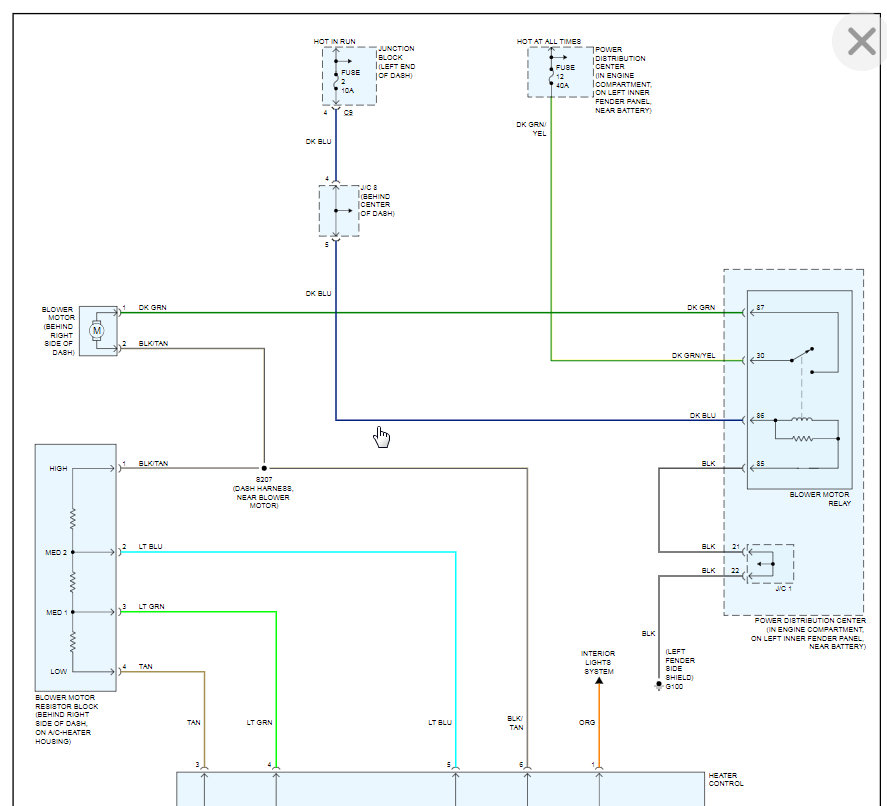
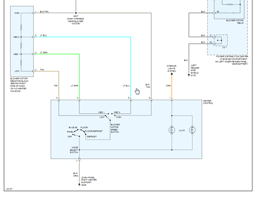
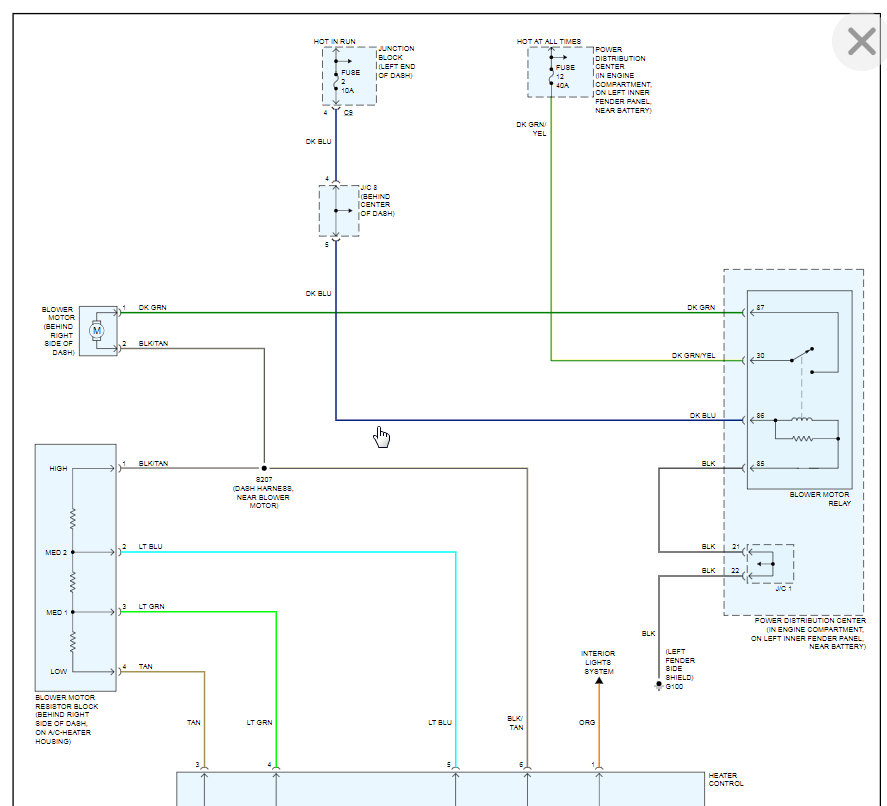
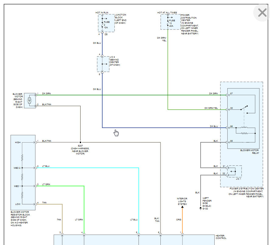
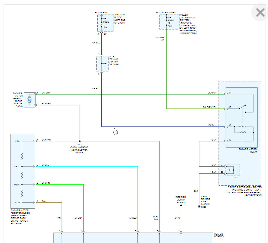
The blower motor relay is located under the hood in the PDC. Here is a guide to help you test the relay:

https://www.2carpros.com/articles/how-to-check-an-electrical-relay-and-wiring-control-circuit

Check out the diagrams (below). Please let us know if you need anything else to get the problem fixed.
Was this
answer
helpful?
Yes
No
-3
Friday, May 30th, 2008 AT 4:55 AM
Tiny
KYLE RANDOLPH
  • MEMBER
  • 1 POST
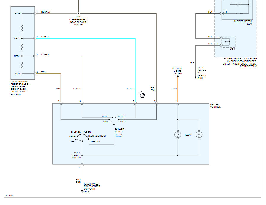
So I was having an issue with all my HVAC controls not working on my 2001 1500 5.9l 4x4. Looking at the attached diagrams I see that my truck does not have a 02 front heater relay. Should I have one? If I hot wire the blower motor it works and I can use the speed selector but I can't change the blend doors. I'm not getting power at the 10A blower motor fuse inside the truck either. And a bit off topic but my wipers will stop in the middle of a swipe and not stop at the bottom unless I have them on high. Any idea what causes that?
Was this
answer
helpful?
Yes
No
Wednesday, February 3rd, 2021 AT 3:52 PM
Tiny
KASEKENNY
  • MECHANIC
  • 18,907 POSTS
More than likely he will not get back to you so let's see if we can figure this out.

I suspect you have an issue with the relay. If you are jumping power to it then you are just bypassing the relay control so I would start with swapping the relay or testing it using this guide:

https://www.2carpros.com/articles/how-to-check-an-electrical-relay-and-wiring-control-circuit

However, if you have no power to the fuse then you are not going to have power to the relay for it to close the contact to send power to the blower motor.

So the question is, how did you test the fuse to find out there was no power to it? If you don't then we have an issue with the junction block.

Let's start with this and go from there. Thanks
Was this
answer
helpful?
Yes
No
Wednesday, February 3rd, 2021 AT 7:39 PM

Please login or register to post a reply.