Fan blower motor does not turn on

Tiny
RADESTRASSE
  • MEMBER
  • 1999 DODGE RAM
  • 6 CYL
  • 2WD
  • AUTOMATIC
  • 240,000 MILES
Fan blower motor will not come on at any speed. Disconnected plug at fan motor and hot wired motor, it worked. Changed fuses and relays at fuse box and under hood. Took blower fan switch out of dash and checked back of plug, with key on, with test light. There seems to be no current flow at the switch, which I checked with test light also.
Saturday, July 4th, 2009 AT 5:45 PM

13 Replies

Tiny
BUDDYCRAIGG
  • MECHANIC
  • 2,262 POSTS
Hello,

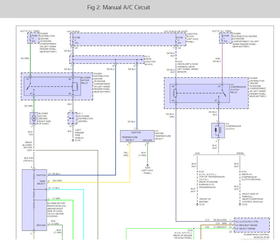
This sounds like the blower relay is not working. Here are the wiring diagrams and guide to help check the relay with the relay location:

https://www.2carpros.com/articles/how-to-check-an-electrical-relay-and-wiring-control-circuit

Check out the diagrams (below). Please let us know what you find. We are interested to see what it is.

Cheers
Was this
answer
helpful?
Yes
No
+1
Friday, April 23rd, 2021 AT 10:42 AM
Tiny
RADESTRASSE
  • MEMBER
  • 2 POSTS
Thank you for the response. I do not quite understand about Dodge electrical working backwards (may need to explain a little better). Any more information would be greatly appreciated.
Was this
answer
helpful?
Yes
No
+1
Friday, April 23rd, 2021 AT 10:42 AM
Tiny
BUDDYCRAIGG
  • MECHANIC
  • 2,262 POSTS
For most cars, the power flows this way.
Battery>ignition switch>fuse box>heater control head>blower motor resistors or relay>blower motor> ground. Most dodges are backwards. Do you have a Ram van or truck?
Was this
answer
helpful?
Yes
No
+6
Friday, April 23rd, 2021 AT 10:42 AM
Tiny
MDKLUCK
  • MEMBER
  • 1 POST
Hello buddycraigg,

I have a problem with my truck's blower turning off when the headlight switch is turned on.
Was this
answer
helpful?
Yes
No
Friday, April 23rd, 2021 AT 10:42 AM
Tiny
BUDDYCRAIGG
  • MECHANIC
  • 2,262 POSTS
Mdkluck,
The blower speed switch and the lights that illuminate the heater controls share a common ground.

You have a bad ground with that circuit.

So when your lights are off, your blower is finding a ground, "backwards" through all of your lights.

When you turn the dash lights on, the ground goes away.
Was this
answer
helpful?
Yes
No
+2
Friday, April 23rd, 2021 AT 10:42 AM
Tiny
JALEX19100
  • MEMBER
  • 3 POSTS
I saw there was a recall (today) to add a relay off of the parking brake and I have seen it there, but I have not checked it (tonight maybe).

I' have replaced the blower motor resistor (it was a little off but probably not bad) and checked the voltage (Hayne's says green but mine is coming in on the orange wire to the motor) to the motor and it is fine, but the ground is not getting connected to the motor. (Less than 0.5 volts read between the positive and negative on the wires to the motor, but full 13+ volts when I use a door hinge bolt as ground). The backwards wiring makes a lot of sense.

I have checked the control switch pin continuity and they vary with the setting, so that seems fine (but no wiring info on what the pins on the control do). I have full voltage between the bottom wire and some of the others. The vacuum lines are good, no leaks, surprisingly.

Where is the ground connection that the blower motor circuit would use? I applied CAIG DeOxit D5 (amazing stuff) to the ground connections I could find under the hood and cleaned up most connections if they looked rusty/oxidized but I feel like there is a broken ground connection. Because it stopped working intermittently and then later stopped completely, I feel like it is a connection somewhere.

Any tips would be appreciated.
Was this
answer
helpful?
Yes
No
Friday, April 23rd, 2021 AT 10:42 AM
Tiny
BUDDYCRAIGG
  • MECHANIC
  • 2,262 POSTS
It sounds like you are on the right track and will probably figure out where the problem is once you see the schematics.

Remember there are two switches in the heater control head that the ground goes through, the speed switch, and the mode switch.
Was this
answer
helpful?
Yes
No
+1
Friday, April 23rd, 2021 AT 10:42 AM
Tiny
JALEX19100
  • MEMBER
  • 3 POSTS
Thanks for the schematic. It was the relay, apparently. The relay is working but was not connecting somehow. I sprayed the connection with the Deoxit D5 and connected/reconnected it a few times and it has been working normally again. No more scraping the inside windows now!
Was this
answer
helpful?
Yes
No
Friday, April 23rd, 2021 AT 10:43 AM
Tiny
BUDDYCRAIGG
  • MECHANIC
  • 2,262 POSTS
Glad you got it fixed.
That Deoxit is great stuff, (it almost makes it worth the $18.00 for that tiny little can).

Also, I have sent you a PM.
Was this
answer
helpful?
Yes
No
Friday, April 23rd, 2021 AT 10:43 AM
Tiny
COLLEEN LAQUAY URBANIUK
  • MEMBER
  • 5 POSTS
1999 Dodge Ram 1500 4x4. AC started working intermittently. When it would blow it was ice cold and other times nothing. Changed the blower motor resistor and it was not that. Now air does not blow at all. Changed the ignition switch with no luck. When the dial is on AC you can put your hand up to the vent and feel cold air when you are driving (or heat if you put the dial to red) but only when the truck is in motion. Where can I find the schematics on this? Any help would be appreciated.
Was this
answer
helpful?
Yes
No
Friday, April 23rd, 2021 AT 10:43 AM
Tiny
KEN L
  • MASTER CERTIFIED MECHANIC
  • 55,488 POSTS
Hello COLLEEN,

This post has been updated can you please go over it again, it sounds like the blower relay is out. Please let us know what happens.

Cheers, Ken
Was this
answer
helpful?
Yes
No
+1
Friday, April 23rd, 2021 AT 10:43 AM
Tiny
COLLEEN LAQUAY URBANIUK
  • MEMBER
  • 5 POSTS
Hello! It was our blower motor. Got a new one today at the auto parts store (we bought the one with the fan cage included not just the motor). Simple, quick and inexpensive fix! Air is running again! Hope this helps someone else. Thank you for this thread as it sent us in the right direction! (Tip: I did an online search of our 3 local auto parts store before buying. Prices ranged from $47-$102 for the part. So if you are looking to save money take a few minutes to do this first.)
Was this
answer
helpful?
Yes
No
Friday, April 23rd, 2021 AT 10:43 AM
Tiny
DANNY L
  • MECHANIC
  • 5,648 POSTS
Thanks for using 2CarPros!
Danny-
Was this
answer
helpful?
Yes
No
+1
Friday, April 23rd, 2021 AT 10:43 AM

Please login or register to post a reply.