Headlights not working

Tiny
ADDER
  • MEMBER
  • 1997 DODGE RAM
1997 Dodge Ram 2500 Two Wheel Drive Automatic 225000 miles

Situation:
I turn on the headlamps from the pull-switch, and only the parking lights turn on through both clicks. The only way I can get any response from the headlamps is to pull the multifunction switch (w/turn signal and wipers) ALMOST all the way back to turn on high, but not to the point it clicks, and hold it there.

Headlamps have been replaced with no change in response, the headlamp relay has been checked and in working order.

Should I check the multifunction switch or the driving light switch next?
Tuesday, August 18th, 2009 AT 5:28 AM

7 Replies

Tiny
JDL
  • MECHANIC
  • 16,098 POSTS
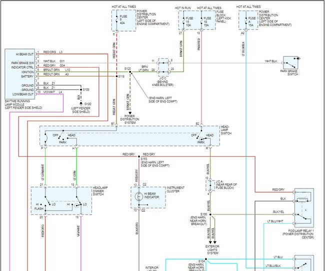
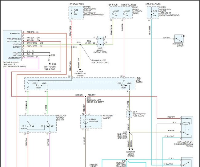
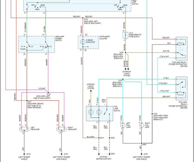
Hello, my first thought was the dimmer switch. You could check voltage and ground at the headlamps, If no voltage, that backtracks to the dimmer switch. you could also go ahead and check feed from the headlight switch.

Heres a guide on testing wiring and one on using a voltmeter

https://www.2carpros.com/articles/how-to-check-wiring

https://www.2carpros.com/articles/how-to-use-a-voltmeter

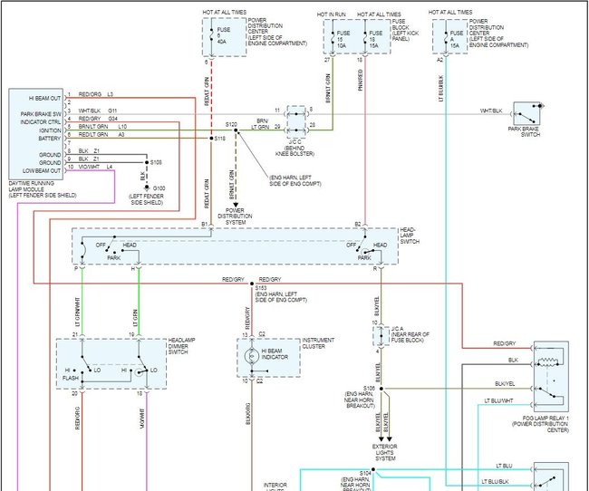
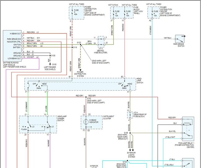
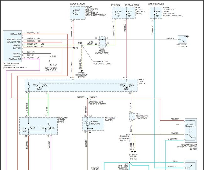
Your headlight wiring diagrams are attached below
Was this
answer
helpful?
Yes
No
+2
Tuesday, August 18th, 2009 AT 3:43 PM
Tiny
DODGEHOLTZ5
  • MEMBER
  • 2 POSTS
  • 2004 DODGE RAM
My right headlight has no low beam but it has high beam. The left side headlight works low and high beams. I put new headlights in to see if that was the problem but it was not. So then, I found a website that said to try running a ground wire from the bad headlight to the good headlight but that still did not work.
Was this
answer
helpful?
Yes
No
-1
Monday, July 29th, 2019 AT 8:48 PM (Merged)
Tiny
KHLOW2008
  • MECHANIC
  • 41,814 POSTS
Hi dodgeholtz5,

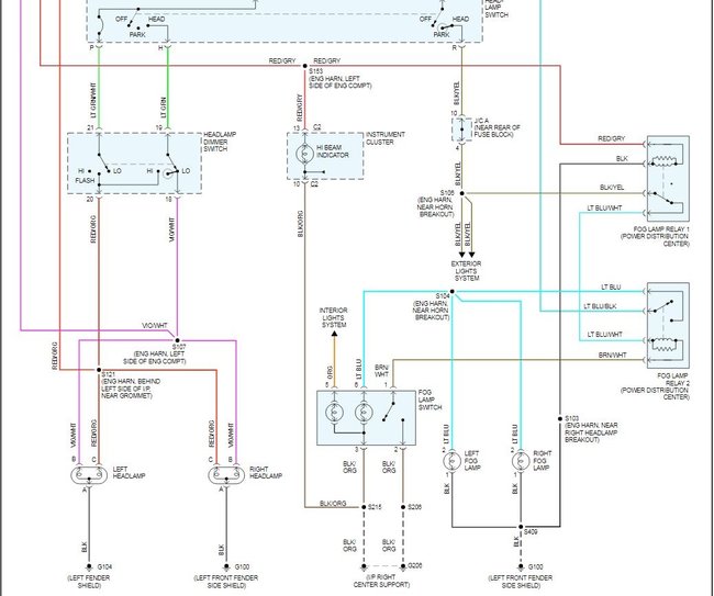
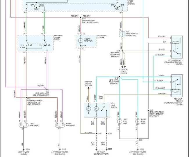
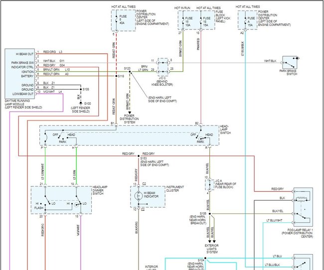
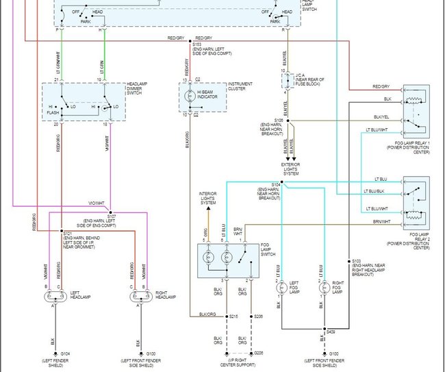
It sounds like the TIPM had gone out but to be sure here is a guide to help us check for power and the headlight wiring diagrams so you can see how the system works with the TIPM replacement instructions.

https://www.2carpros.com/articles/how-to-use-a-test-light-circuit-tester

BTW the TIPM self initializes. Check out the diagrams (Below). Please let us know what you find.
Was this
answer
helpful?
Yes
No
Monday, July 29th, 2019 AT 8:48 PM (Merged)
Tiny
DODGEHOLTZ5
  • MEMBER
  • 2 POSTS
Yes thanks for the tip I did some testing and found it was the TIPM so I got a new one for $231.00 all fixed I love this site.
Was this
answer
helpful?
Yes
No
Monday, July 29th, 2019 AT 8:48 PM (Merged)
Tiny
KHLOW2008
  • MECHANIC
  • 41,814 POSTS
Nice work, we are here to help, please use 2CarPros anytime.
Was this
answer
helpful?
Yes
No
Monday, July 29th, 2019 AT 8:48 PM (Merged)
Tiny
BUSTERBUNCH4
  • MEMBER
  • 1 POST
  • 1997 DODGE RAM
  • V8
  • 4WD
  • AUTOMATIC
1997 Dodge Ram pick-up. High beams work but not the low beams. Put in new bulbs and still nothing. I was told that it could be the pull out on/off switch. Doesn't it sound more like the dimmer switch on the column?
Was this
answer
helpful?
Yes
No
Monday, July 29th, 2019 AT 8:48 PM (Merged)
Tiny
CARADIODOC
  • MECHANIC
  • 34,489 POSTS
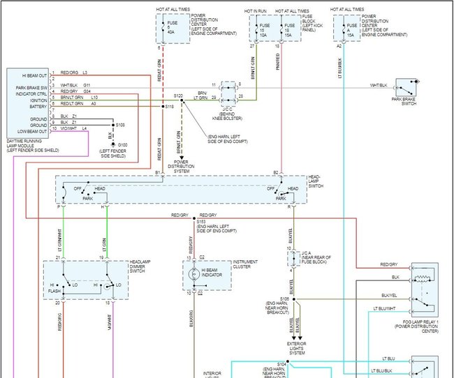
You're right. If the high beams and the "flash-to-pass" feature both work, both parts of the head lamp switch are working. The low beam circuit leaves the multi-function switch on the violet / white wire and goes right to both head lamps, but the circuit goes through one of the joint connectors in the under-hood fuse box. That connector splits the circuit in half which will help narrow done the cause of the problem. There's a couple of ways of approaching this to verify the multi-function switch is defective. You'll need a voltmeter or test light for some tests.

The Security relay ties into the circuit at the joint connector. Pull that relay out and use a stretched out paper clip or piece of wire to jump terminals 30 and 87. If the low beams light up, everything is okay from that point on, and it looks like the multi-function switch is the problem, but lets check a little further first.

A different test involves measuring the voltage on pins 4, 5, 6, or 7 in the joint connector. There should be 12 volts there when the low beams are turned on. If there is not, again, suspect the multi-function switch. At that point, since it looks like the switch is defective, before you replace it, check for voltage right on the violet / white wire. If by some chance you have it there, we'll have to hunt down a break in the wire after that point. The definitive test for a defective switch would be to jumper the violet / white wire to the light green / black wire right at the connector. That will bypass the low beam half of the switch. If the low beam lights come on, you know everything else in the circuit is working and the switch must be replaced.

I'm using a '98 service manual, but I'm pretty sure this circuit is the same for a '97. My sad drawing shows the two terminals to connect in the Security relay socket, and the red line shows the four connected terminals in the joint connector. From what I can remember, you might not be able to get on the internal wires with your meter probe so you'll just have to ignore that part of the test.
Was this
answer
helpful?
Yes
No
Monday, July 29th, 2019 AT 8:48 PM (Merged)

Please login or register to post a reply.