1997 Dodge Ram headlight switch

Tiny
JJPRO22J
  • MEMBER
  • 1997 DODGE RAM
  • 5.2L
  • V8
  • 2WD
  • AUTOMATIC
  • 189,000 MILES
On my headlight switch what do the two wires on the side by themselves go to? I drive a Dodge Ram 1500 2×4
Sunday, February 8th, 2015 AT 3:03 AM

2 Replies

Tiny
HMAC300
  • MECHANIC
  • 48,601 POSTS
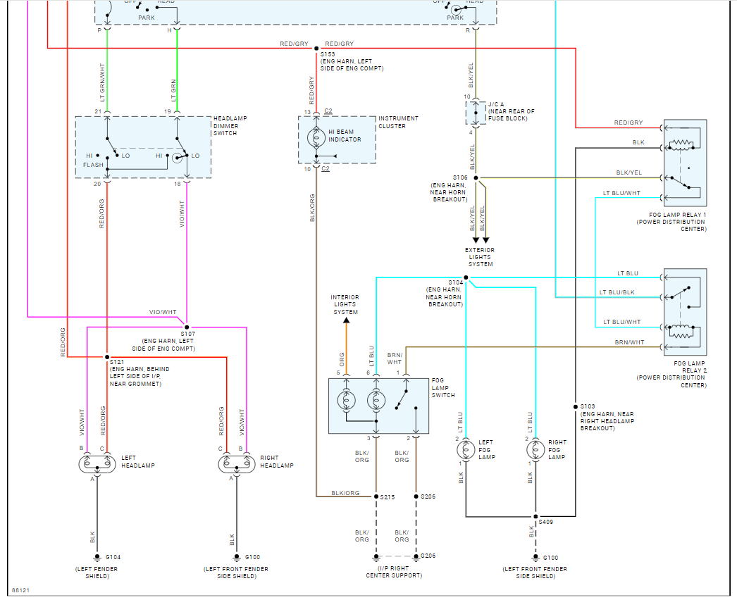
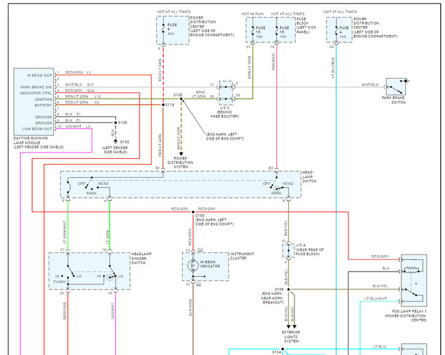
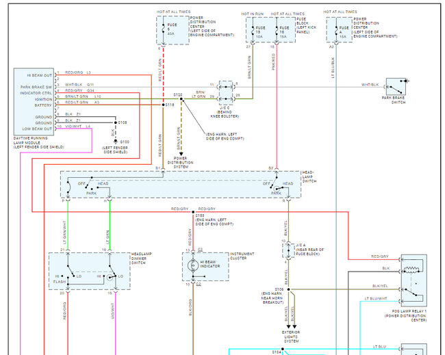
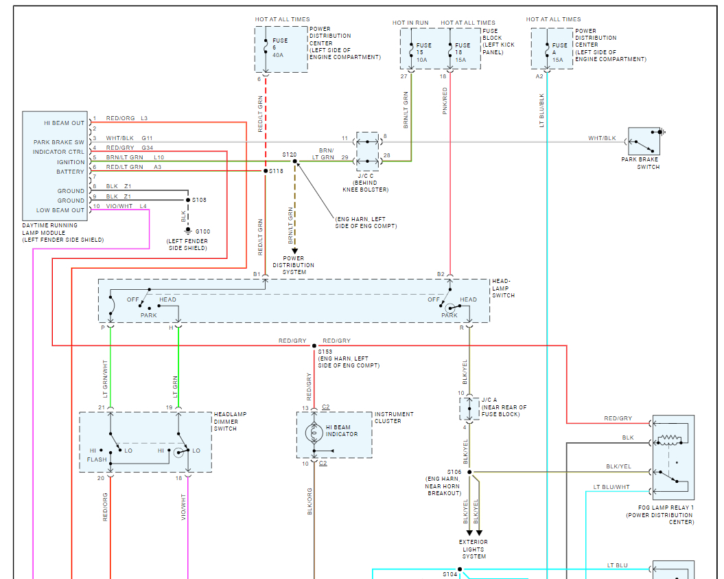
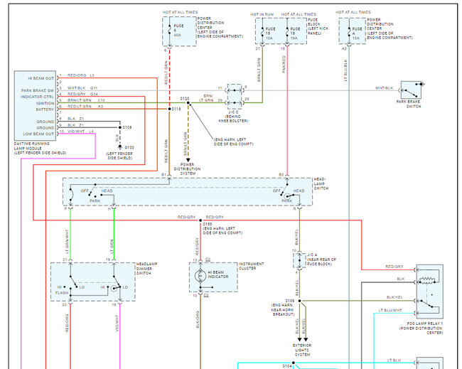
Here is schematic, arrows point to hot wires.
Was this
answer
helpful?
Yes
No
Sunday, February 8th, 2015 AT 8:28 AM
Tiny
KEN L
  • MASTER CERTIFIED MECHANIC
  • 55,322 POSTS
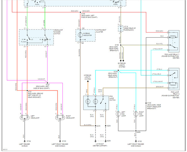
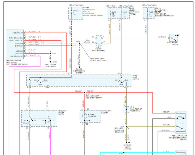
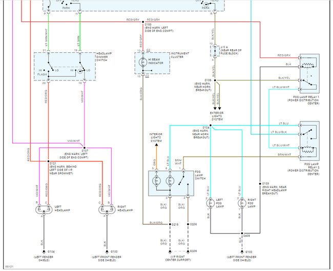
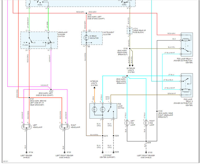
Close, here is the wiring diagrams for the headlight system so you can see how it works and which wires go to what. Also here is a guide to help with the testing of the connections.

https://www.2carpros.com/articles/how-to-check-wiring

Check out the images (below). Let us know if you need anything else.
Was this
answer
helpful?
Yes
No
Saturday, July 13th, 2024 AT 3:03 PM

Please login or register to post a reply.