ABS and brake light on?

Tiny
KWRULES
  • MEMBER
  • 1994 DODGE RAM
  • 6 CYL
  • 4WD
  • AUTOMATIC
  • 129,098 MILES
Abs light stays on. Also brake light on dash. Bleed and adjusted rear brakes. Dissconnteced batterys to reset abs. Checked abs fuse.
Monday, June 22nd, 2009 AT 9:31 PM

1 Reply

Tiny
SERVICE WRITER
  • MECHANIC
  • 9,123 POSTS
Any codes?

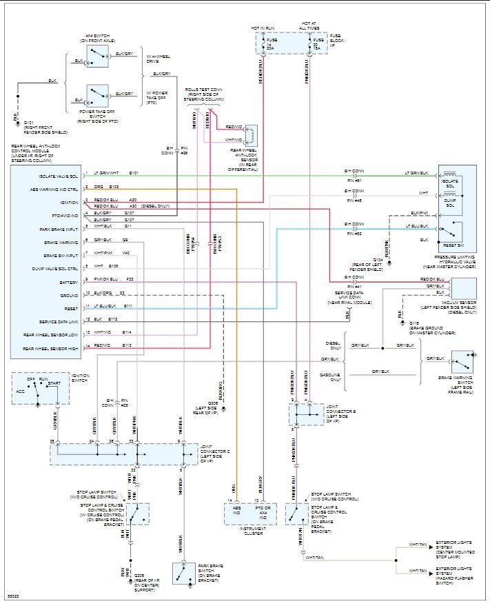
Check for vacuum leaks, I think the minimum is 8" at the vacuum switch on the left inner fender. You should have 25" from the vac pump to the booster. Having low vacuum at that vac switch will cause the abs and red brake lights to come on with no codes.

Any sensor that grounds out will set a light: fluid level switch if equipped, combi valve switch under master cylinder, parking brake switch, or RWAL diff sensor shorted to ground.

See the guides below on wiring and relay testing to help figure it out

https://www.2carpros.com/articles/how-to-check-an-electrical-relay-and-wiring-control-circuit

https://www.2carpros.com/articles/how-to-check-wiring

https://www.2carpros.com/articles/brake-system-warning-light-on

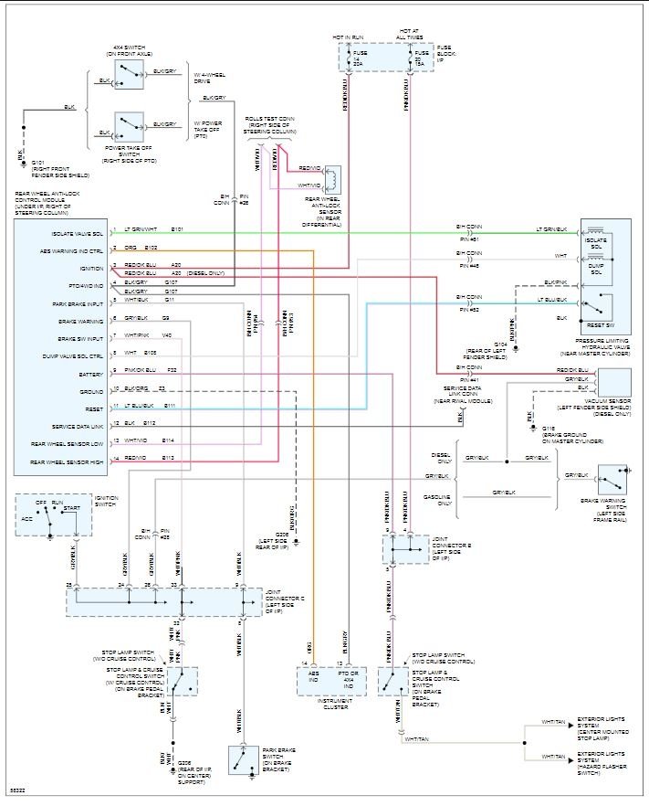
Attached below is the wiring diagram for your ABS system
Was this
answer
helpful?
Yes
No
Wednesday, March 17th, 2021 AT 6:29 PM

Please login or register to post a reply.