My lower control arms need replacement

Tiny
OTIS60
  • MEMBER
  • 1 POST
  • 2005 DODGE NEON
  • 4 CYL
  • FWD
  • AUTOMATIC
  • 110,345 MILES
How do you know if the control bushings need to be replaced? What are the things to look at?
Was this
answer
helpful?
Yes
No
Saturday, May 2nd, 2020 AT 11:17 AM (Merged)
Tiny
BLUELIGHTNIN6
  • MECHANIC
  • 16,542 POSTS
Some of the symptoms of a faulty control arm bushing include cracks on the boots or clunking on the front suspension. The best bet is to simply visually look at them. Its easy to see a worn bushing, its just a bunch of rubber so if the rubber is all deteriorated and half is missing then it needs replaced.
Was this
answer
helpful?
Yes
No
Saturday, May 2nd, 2020 AT 11:17 AM (Merged)
Tiny
CSWANSON
  • MEMBER
  • 2 POSTS
  • 2000 DODGE NEON
  • 150,000 MILES
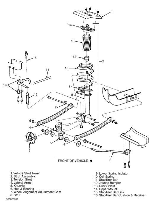
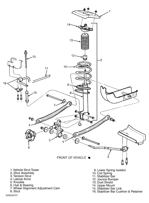
Does anyone have the schematic for a 2000 neon, I am trying to ID all the control arm components, the sway bar components, and trailing arm. Need new bushings but not sure of all the components.
Thanks
Was this
answer
helpful?
Yes
No
Saturday, May 2nd, 2020 AT 11:17 AM (Merged)
Tiny
DOCFIXIT
  • MECHANIC
  • 18,828 POSTS
How's this?
Was this
answer
helpful?
Yes
No
+1
Saturday, May 2nd, 2020 AT 11:17 AM (Merged)
Tiny
CSWANSON
  • MEMBER
  • 2 POSTS
Perfect! Thanks for the quick reply.
I am trying to find the bushings for #4 Lateral arms, hard to find.
Thanks again.
Was this
answer
helpful?
Yes
No
-1
Saturday, May 2nd, 2020 AT 11:17 AM (Merged)
Tiny
DOCFIXIT
  • MECHANIC
  • 18,828 POSTS
Welcome
Was this
answer
helpful?
Yes
No
Saturday, May 2nd, 2020 AT 11:17 AM (Merged)

Please login or register to post a reply.

Related Lower Control Arm Replace/Remove Content