Brake lights wont come on

Tiny
CANTFIXSHIT
  • MEMBER
  • 2005 DODGE NEON
  • 4 CYL
  • 4WD
  • AUTOMATIC
  • 5,200 MILES
My brake lights wont come on?
Tuesday, February 24th, 2009 AT 8:52 AM

1 Reply

Tiny
ZACKMAN
  • MECHANIC
  • 4,202 POSTS
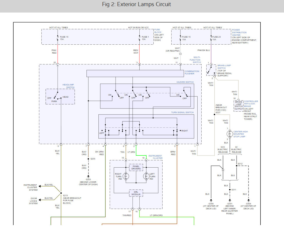
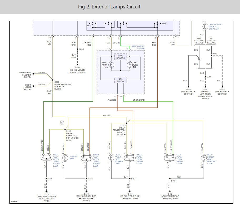
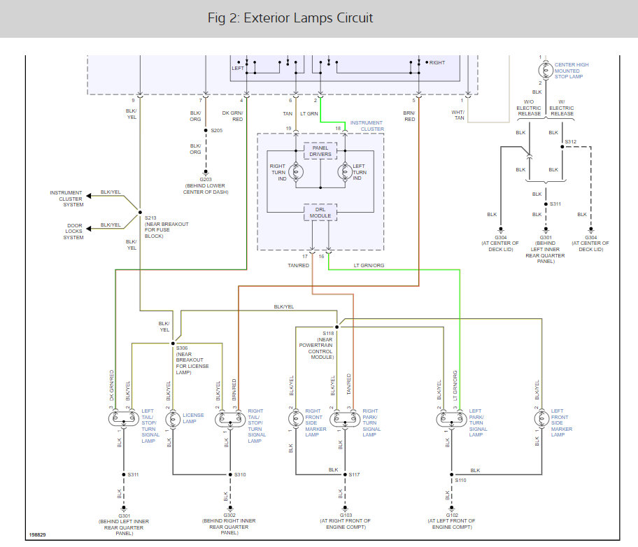
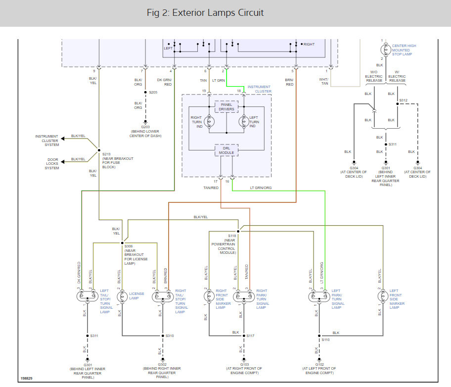
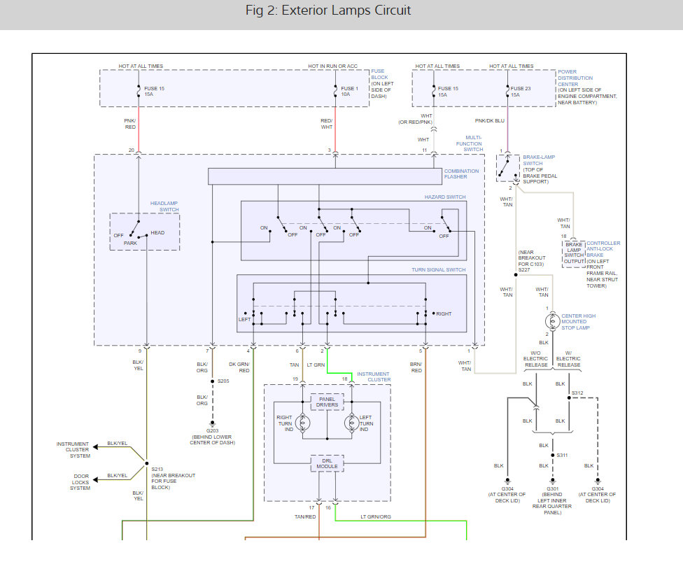
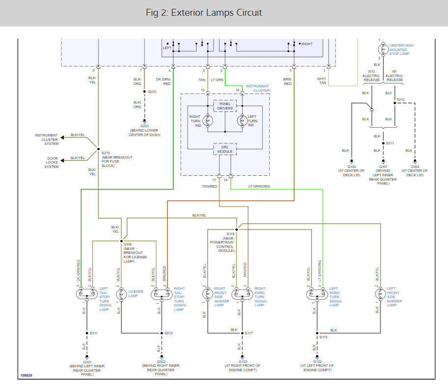
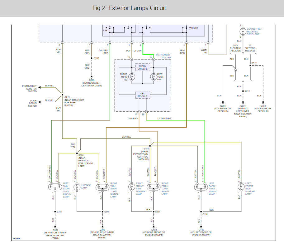
This sounds like the brake light switch or a fuse is out these guides can help us fix it. The fuse location for your can are in the diagrams below.

https://www.2carpros.com/articles/brake-lights-not-working

and

https://www.2carpros.com/articles/how-to-check-a-car-fuse

and

https://www.2carpros.com/articles/how-to-check-wiring

Here are the brake light wiring diagrams so you can see how the system works. If you have replaced the fuse (circled), ext check to make sure all bulbs (including the center brake lamp) are good, then check the brake switch, above the brake pedal support. Check out the diagrams (Below). Let us know what happens and please upload pictures or videos of the problem.
Was this
answer
helpful?
Yes
No
Tuesday, February 24th, 2009 AT 2:10 PM

Please login or register to post a reply.