My blower fan is not working can you help?

Tiny
STORMYDAYINOHIO
  • MEMBER
  • 2003 DODGE DAKOTA
  • 6 CYL
  • 4WD
  • AUTOMATIC
  • 72,000 MILES
The blower for ac/heater is not working
Tuesday, July 15th, 2008 AT 7:32 AM

23 Replies

Tiny
2CARPRO JACK
  • MECHANIC
  • 11,533 POSTS
Get a test light and check fuses first, then for power and ground at the motor.. If no power, test at the resistor, should be in the HVAC plenum near the motor, follow the wires back to it and see if you have power into that, if so the resistor is bad, if the motor has power and ground, the motor is bad

This guide can help us fix it

https://www.2carpros.com/articles/blower-fan-motor-works-on-high-speed-only

Please run down this guide and report back.
Was this
answer
helpful?
Yes
No
+1
Tuesday, April 16th, 2019 AT 2:23 PM
Tiny
BILL229
  • MEMBER
  • 1 POST
  • 2003 DODGE DAKOTA
  • 6 CYL
  • 4WD
  • AUTOMATIC
  • 70,000 MILES
The blower motor on my dodge just stopped working. Checked all fuses and replaced blower motor still will not work.
Was this
answer
helpful?
Yes
No
Tuesday, December 1st, 2020 AT 12:12 PM (Merged)
Tiny
DOCFIXIT
  • MECHANIC
  • 18,828 POSTS
Start with switch power to it power out then the blower resistor and the blower relay.
Was this
answer
helpful?
Yes
No
Tuesday, December 1st, 2020 AT 12:12 PM (Merged)
Tiny
TJSTANIS
  • MEMBER
  • 2 POSTS
  • 2003 DODGE DAKOTA
  • 4.7L
  • V8
  • 4WD
  • AUTOMATIC
  • 132,000 MILES
Fan not working.
Was this
answer
helpful?
Yes
No
Tuesday, December 1st, 2020 AT 12:13 PM (Merged)
Tiny
JACOBANDNICKOLAS
  • MECHANIC
  • 110,194 POSTS
Does it work on any speed? Have you checked fuses? Have you checked if there is power to the blower motor?
Was this
answer
helpful?
Yes
No
Tuesday, December 1st, 2020 AT 12:13 PM (Merged)
Tiny
TJSTANIS
  • MEMBER
  • 2 POSTS
No speeds. Have not checked fuse.
Was this
answer
helpful?
Yes
No
Tuesday, December 1st, 2020 AT 12:13 PM (Merged)
Tiny
JACOBANDNICKOLAS
  • MECHANIC
  • 110,194 POSTS
Check the fuse and let me know what you find.
Was this
answer
helpful?
Yes
No
Tuesday, December 1st, 2020 AT 12:13 PM (Merged)
Tiny
LBOHDE
  • MEMBER
  • 2 POSTS
  • 2003 DODGE DAKOTA
  • 3.9L
  • 6 CYL
  • 2WD
  • MANUAL
  • 130,000 MILES
Replaced fuse and new resistor.
Was this
answer
helpful?
Yes
No
Tuesday, December 1st, 2020 AT 12:13 PM (Merged)
Tiny
LBOHDE
  • MEMBER
  • 2 POSTS
Is there a separate ground wire on that blower that can be shorted out? Started truck once and blower kicked on.
Was this
answer
helpful?
Yes
No
Tuesday, December 1st, 2020 AT 12:13 PM (Merged)
Tiny
STEVE W.
  • MECHANIC
  • 15,700 POSTS
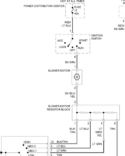
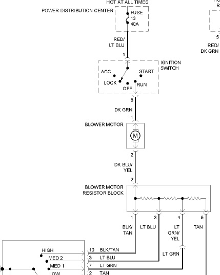
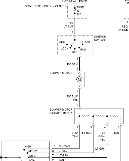
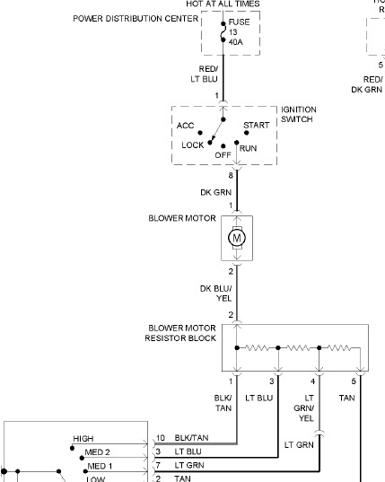
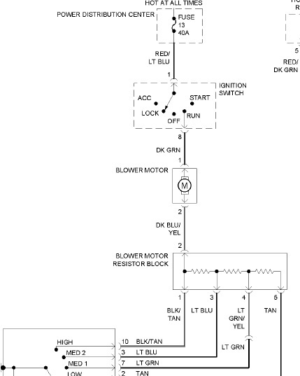
There should be two wires to the blower. The positive side (dark green) feeds from the fuse through the ignition switch to the blower motor. The negative side (dark blue w/yellow) is the ground side and goes to the blower resistor and through the speed switch to ground.

Your issue could be in the ignition switch or in the ground side. As it worked once when you moved the switch I would bet it's in the switch.

To test which, take a jumper wire with a 40 amp fuse in it and connect it to battery positive and then to the dark green wire that feeds the blower. That bypasses the switch and factory fuse. The blower should run and allow you to select various speeds if it's in the power side of the circuit.

The ground side for the blower goes to a point in the lower center area of the dash, but it grounds more than just the blower. But it would be worth it to check.
Was this
answer
helpful?
Yes
No
+1
Tuesday, December 1st, 2020 AT 12:13 PM (Merged)
Tiny
MRSCRIBE
  • MEMBER
  • 1 POST
  • 2003 DODGE DAKOTA
  • 6 CYL
  • 2WD
  • AUTOMATIC
  • 90,000 MILES
The blower for the AC/heat suddenly stopped working. Fuses are good. Conditioned air continues to flow through vents, but blower does not work at any speed. What do I look for?
Was this
answer
helpful?
Yes
No
Tuesday, December 1st, 2020 AT 12:13 PM (Merged)
Tiny
RASMATAZ
  • MECHANIC
  • 75,992 POSTS
Check and test the blower switch, blower relay and the blower motor resistor
Was this
answer
helpful?
Yes
No
-1
Tuesday, December 1st, 2020 AT 12:13 PM (Merged)
Tiny
INTERNETMECHANIC
  • MECHANIC
  • 700 POSTS
I'd get at the blower motor connector, take it loose. Turn on the key and hvac controls, test the dark green wire at the connector for voltage. You can also test the dark blue wire with the yellow tracer for ground. Any applicable fuses, use a voltage tester on the fuse circuit. Even if the fuse is good, if no voltage on the circuit, the circuit is dead.

Because the voltage to blower motor goes hot with key on, on some makes and models, have heard of the ignition switch connector trying to melt. I can't remember which model? On and off and different speeds are controlled on the ground circuit.
Was this
answer
helpful?
Yes
No
-1
Tuesday, December 1st, 2020 AT 12:13 PM (Merged)
Tiny
SHVEL
  • MEMBER
  • 1 POST
  • 2002 DODGE DAKOTA
  • 130,000 MILES
I put a new blower resistor in my 2002 Dodge Dakota 4.6 and it worked for 3 weeks and now no heater blower.? My old resistor only stayed blowing on high. I put a new one in and it worked on all speeds and now nothing not even on high.
Was this
answer
helpful?
Yes
No
Tuesday, December 1st, 2020 AT 12:13 PM (Merged)
Tiny
JDL
  • MECHANIC
  • 16,098 POSTS
Check for voltage and ground at the blower motor. Check fuse also. In the diagram, the top wire going to blower motor is voltage, the bottom wire is ground. The resistors control the motor speeds on the ground circuit. Maybe the blower motor itself has a problem?

Because the fuse is hot all the time and circuit goes through the ignition switch, sometimes the ignition switch connector tries to melt, just something to check.
Was this
answer
helpful?
Yes
No
Tuesday, December 1st, 2020 AT 12:13 PM (Merged)
Tiny
KICKINKEVIN40
  • MEMBER
  • 1 POST
  • 2002 DODGE DAKOTA
  • 6 CYL
  • 2WD
  • AUTOMATIC
  • 52,000 MILES
Heater fan stopped working at any speed, then worked for a few minutes one day, then stopped again. I changed the fuse with no luck.
Was this
answer
helpful?
Yes
No
Tuesday, December 1st, 2020 AT 12:13 PM (Merged)
Tiny
JDL
  • MECHANIC
  • 16,098 POSTS
Any time you check a fuse, you need to check that the circuit where the fuse plugs in, is hot, use a test lite. That circuit should be hot all the time.

You can take the connector loose from the blower motor, turn on the key and the hvac controls, check for B+ and ground at the connector, You could also run jumpers from the battery to the blower motor for B+ and ground, see if the motor will run. The dark green wire is B+, the other ground
Was this
answer
helpful?
Yes
No
Tuesday, December 1st, 2020 AT 12:13 PM (Merged)
Tiny
ANDRONIMO
  • MEMBER
  • 1 POST
  • 2002 DODGE DAKOTA
  • V8
  • 2WD
  • AUTOMATIC
  • 70,000 MILES
All of a sudden for no apparent reason my air and heat became non responsive to the dial on the dash. I turn it on and nothing. No air or heat. No noise of any kind to even indicate that it is turned on. I am thinking its some type of fuse or something but was wondering where I can find it and how to fix this problem. If I take it in the labor is going to be out of the window. By the way, with only 70000 miles on this truck the window wont respond on the driver side, the radio stopped working after the cd player stopped working a while ago. If anyone from dodge is listening I bought this truck brand new and now I dont even have heat or air. I am so mad!
Was this
answer
helpful?
Yes
No
-1
Tuesday, December 1st, 2020 AT 12:14 PM (Merged)
Tiny
JACOBANDNICKOLAS
  • MECHANIC
  • 110,194 POSTS
If you have nothing from the blower motor, chances are either the blower motor is bad or the relay is bad. You will need to check to see if there is power to the motor (under dash on passanger side). If there is power, the motor is bad.

As far as the window, I hate to say it but you will need to remove the door panel to check for power to the motor. Same thing there. IF there is power, the motor is bad.

I would recommend checking the fuses under the dash. Follow the owner's manual to determine fuse location and type.
Was this
answer
helpful?
Yes
No
Tuesday, December 1st, 2020 AT 12:14 PM (Merged)
Tiny
TOMF217
  • MEMBER
  • 1 POST
  • 2002 DODGE DAKOTA
  • 6 CYL
  • 4WD
  • AUTOMATIC
  • 76,500 MILES
My blower motor just stopped working I checked all the fuses and none are blown. What else can I check?
Was this
answer
helpful?
Yes
No
Tuesday, December 1st, 2020 AT 12:14 PM (Merged)

Please login or register to post a reply.