Speedometer not working

Tiny
CINDY
  • MEMBER
  • 1998 DODGE DAKOTA
  • 6 CYL
  • 2WD
  • AUTOMATIC
  • 127,000 MILES
The Speedometer doesn't work at all. We change a front and a rear sensor want else can it be.
Tuesday, March 2nd, 2010 AT 10:09 AM

46 Replies

Tiny
JACOBANDNICKOLAS
  • MECHANIC
  • 110,192 POSTS
Hello,

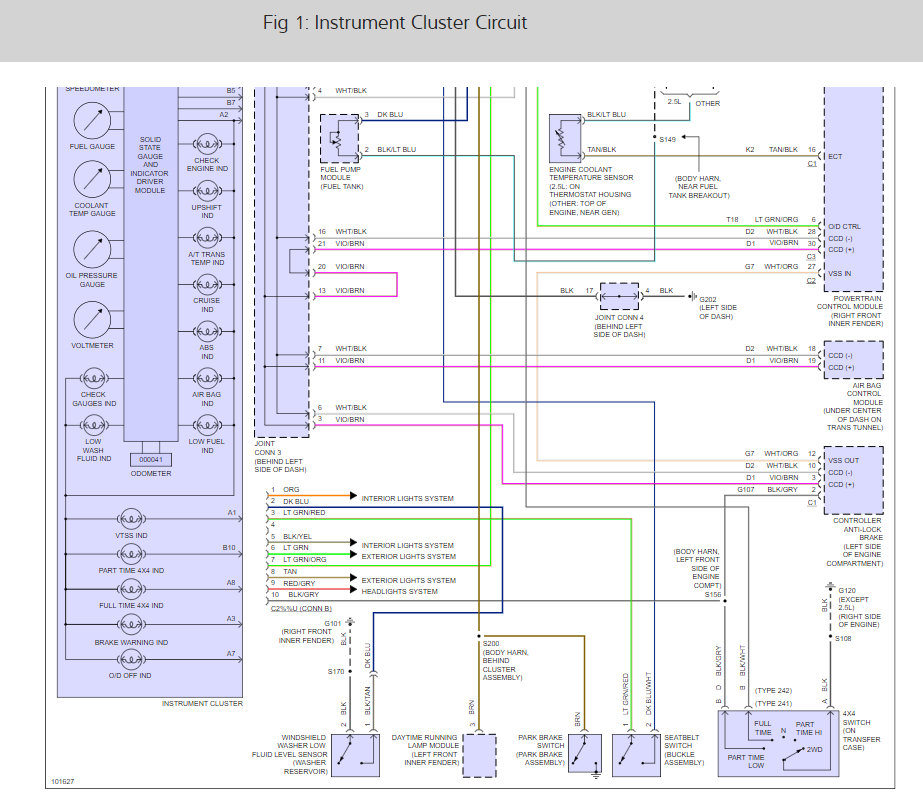
Lets check for power at fuses 11, 1, and 17 here is a guide and the wiring diagrams for the cluster so you can see how the system works and the fuse locations.

https://www.2carpros.com/articles/how-to-check-a-car-fuse

Check out the diagrams (Below). Please let us know what happens.
Was this
answer
helpful?
Yes
No
Friday, March 5th, 2010 AT 10:43 PM
Tiny
TURBOJAY
  • MEMBER
  • 2 POSTS
Thanks for this post I had a bad connection at the cluster all I did was unplug the cluster and plug it back in, all fixed!
Was this
answer
helpful?
Yes
No
Wednesday, February 20th, 2019 AT 5:54 PM
Tiny
DON SCH
  • MEMBER
  • 1 POST
  • 1998 DODGE DAKOTA
  • 6 CYL
  • 2WD
  • AUTOMATIC
  • 13,000 MILES
My speedometer on my 98 dakota does not work between 0-65mph. It started off not working from 0-25 mph then gradually it was 35, then 45 and now 65 mph. Could it be the gear on the cable going into the transmission.
Was this
answer
helpful?
Yes
No
+1
Wednesday, February 20th, 2019 AT 5:55 PM (Merged)
Tiny
JACOBANDNICKOLAS
  • MECHANIC
  • 110,192 POSTS
I believe you have a vehicle speed sensor that is going bad. Has the check engne light come on?
Was this
answer
helpful?
Yes
No
+9
Wednesday, February 20th, 2019 AT 5:55 PM (Merged)
Tiny
TIM88
  • MEMBER
  • 1 POST
  • 1998 DODGE DAKOTA
  • V8
  • 2WD
  • AUTOMATIC
  • 112,693 MILES
Changed speed sensor and speedometer still does not work. Also at the same time both brake lights are on red and amber. All of this happened at the same time.
Was this
answer
helpful?
Yes
No
Wednesday, February 20th, 2019 AT 5:55 PM (Merged)
Tiny
BMRFIXIT
  • MECHANIC
  • 19,053 POSTS
Try to get codes that should help
check the ABS and the rear speed sensor
Was this
answer
helpful?
Yes
No
-1
Wednesday, February 20th, 2019 AT 5:55 PM (Merged)
Tiny
KRIDGERD
  • MEMBER
  • 2 POSTS
  • 1998 DODGE DAKOTA
  • V8
  • 4WD
  • AUTOMATIC
  • 140,000 MILES
My speedodometer stopped working and my Haynes book doesnt say anything about the speedo. The tach and shifting seem ok. Originally it wouldnt work under 20 mph and then it just quit altogether.
Was this
answer
helpful?
Yes
No
+1
Wednesday, February 20th, 2019 AT 5:56 PM (Merged)
Tiny
RASMATAZ
  • MECHANIC
  • 75,992 POSTS
Have the vehicle speed sensor checked out before you go behind the dash with the speedometer head-could be a 2nd sensor here.
Was this
answer
helpful?
Yes
No
Wednesday, February 20th, 2019 AT 5:56 PM (Merged)
Tiny
CRHILL
  • MEMBER
  • 1 POST
  • 1994 DODGE DAKOTA
  • 3.6L
  • 6 CYL
  • 2WD
  • AUTOMATIC
  • 175,000 MILES
The speedometer is not working, when I have it tested at AutoZone it comes up as the v.S.S. Sensor. Replaced it and it still doesn't work. Person recommended that I check the wires behind the gauges, it's all electronics, but when I was putting the fuel gauge back in I had left the keys in the on position and when I tried plugging it back in I heard a pop and all the lights went off, no fuse is blown so did I blow out that whole system or?

Please help, I drive this car late at night and not knowing how fast I'm driving takes me 3 times as long to get anywhere cause without traffic I have to go really slow.
Was this
answer
helpful?
Yes
No
Wednesday, February 20th, 2019 AT 5:56 PM (Merged)
Tiny
HMAC300
  • MECHANIC
  • 48,601 POSTS
Check fuses under hood and check bulbs in cluster. Then have it scanned for codes for a body module problem. It stil may be a bad dash as well though.
Was this
answer
helpful?
Yes
No
+1
Wednesday, February 20th, 2019 AT 5:56 PM (Merged)
Tiny
JIMMYD820
  • MEMBER
  • 1 POST
  • 1999 DODGE DAKOTA
  • 3.9L
  • 6 CYL
  • 4WD
  • AUTOMATIC
  • 90,000 MILES
I took out the instrument cluster to replace a bulb & when I put it back the speedometer quit working. Every thing else still works. It is pegged at 120.
Was this
answer
helpful?
Yes
No
-1
Wednesday, February 20th, 2019 AT 5:56 PM (Merged)
Tiny
JACOBANDNICKOLAS
  • MECHANIC
  • 110,192 POSTS
You have shorted something. I hate to say it, but you may need to recheck the wiring (plug) that you removed to get the cluster out.
Was this
answer
helpful?
Yes
No
Wednesday, February 20th, 2019 AT 5:56 PM (Merged)
Tiny
JEFF0011
  • MEMBER
  • 2 POSTS
  • 1999 DODGE DAKOTA
  • 75,000 MILES
Please help with problem of you can
Was this
answer
helpful?
Yes
No
-1
Wednesday, February 20th, 2019 AT 5:56 PM (Merged)
Tiny
CARADIODOC
  • MECHANIC
  • 34,468 POSTS
Both speed sensors? There's one in the transmission for the speedometer and cruise control, and there's one in the rear differential for rear-wheel-antilock brakes, or that one and two at the front wheels for four-wheel-antilock brakes.
Was this
answer
helpful?
Yes
No
-2
Wednesday, February 20th, 2019 AT 5:56 PM (Merged)
Tiny
JEFF0011
  • MEMBER
  • 2 POSTS
I don't have cruise. But when I am at like60 and let off gas the speedometer moves to right speed then goes back down to zero.
Was this
answer
helpful?
Yes
No
+2
Wednesday, February 20th, 2019 AT 5:56 PM (Merged)
Tiny
CARADIODOC
  • MECHANIC
  • 34,468 POSTS
Where were the sensors you replaced?
Was this
answer
helpful?
Yes
No
Wednesday, February 20th, 2019 AT 5:56 PM (Merged)
Tiny
BIGDOG762
  • MEMBER
  • 1 POST
  • 1995 DODGE DAKOTA
  • 6 CYL
  • 4WD
  • AUTOMATIC
  • 10,700 MILES
How do you check if your speedometer does not, where do you chech it
Was this
answer
helpful?
Yes
No
+1
Wednesday, February 20th, 2019 AT 5:56 PM (Merged)
Tiny
JACOBANDNICKOLAS
  • MECHANIC
  • 110,192 POSTS
Check the cable that attaches to the rear of the speedo. Make sure it is connected. If it is, disconnect it and see if you can spin the inner cable with your fingers. If you can, chances are the cable is broken internally. If you can't and it spins when driving, there is a problem with the speedo itself.
Was this
answer
helpful?
Yes
No
Wednesday, February 20th, 2019 AT 5:56 PM (Merged)
Tiny
KEITH.NIFKS
  • MEMBER
  • 2 POSTS
  • 1988 DODGE DAKOTA
  • 6 CYL
  • 2WD
  • MANUAL
  • 140,000 MILES
I can't figure out how to get to the speedometer cable to replace it. Is there a video that shows this process?
Was this
answer
helpful?
Yes
No
Wednesday, February 20th, 2019 AT 5:56 PM (Merged)
Tiny
JACOBANDNICKOLAS
  • MECHANIC
  • 110,192 POSTS
We don't have a video for that. Basically, you unscrew the cable from behind the dash and at the transmission. If goes through the firewall.

Let me know if you need further help.
Was this
answer
helpful?
Yes
No
Wednesday, February 20th, 2019 AT 5:56 PM (Merged)

Please login or register to post a reply.