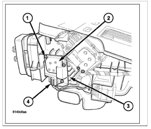
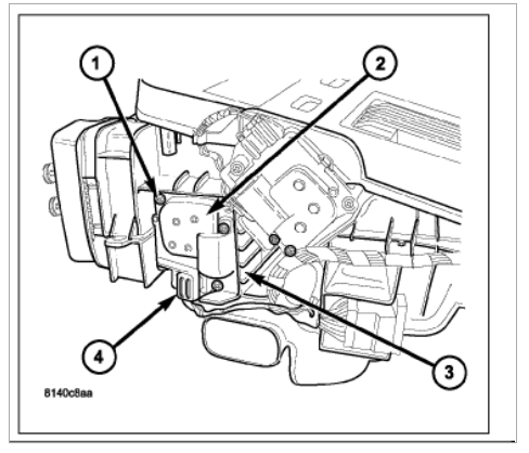
Saturday, August 22nd, 2009 AT 7:30 PM
I am getting cold air, but it is only blowing through the defrost vents and not through any other vents either on the dashboard or the floors. What do I need to do?





