Cruise control not working?

Tiny
DHIBL2
  • MEMBER
  • 2005 DODGE CARAVAN
  • 6 CYL
  • 2WD
  • AUTOMATIC
  • 60,000 MILES
My cruise control is not working. I replaced the fuse and no help. Every time I remove this fuse It works for a little while. Can you help? Is the a relay that is involved and which one. Thank you

Doug
Thursday, August 12th, 2010 AT 11:57 AM

29 Replies

Tiny
JACOBANDNICKOLAS
  • MECHANIC
  • 110,194 POSTS
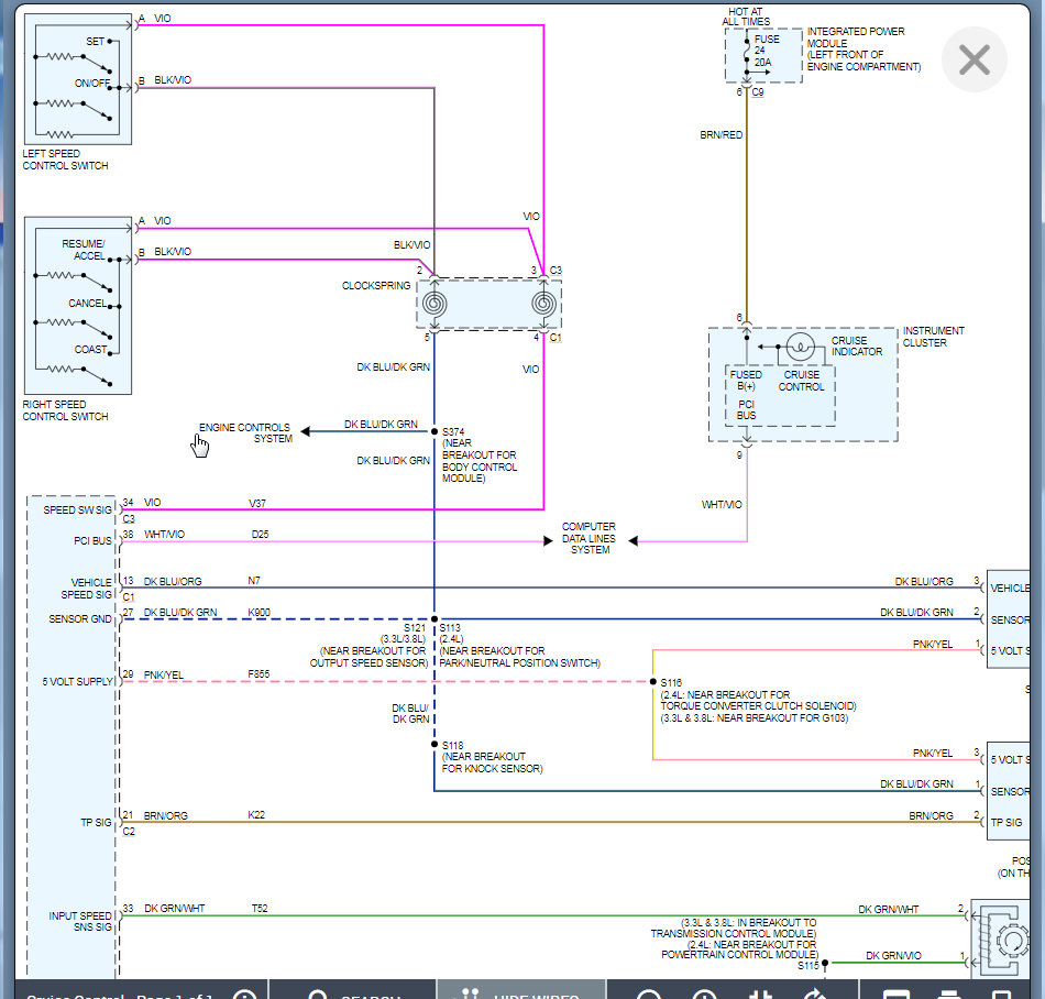
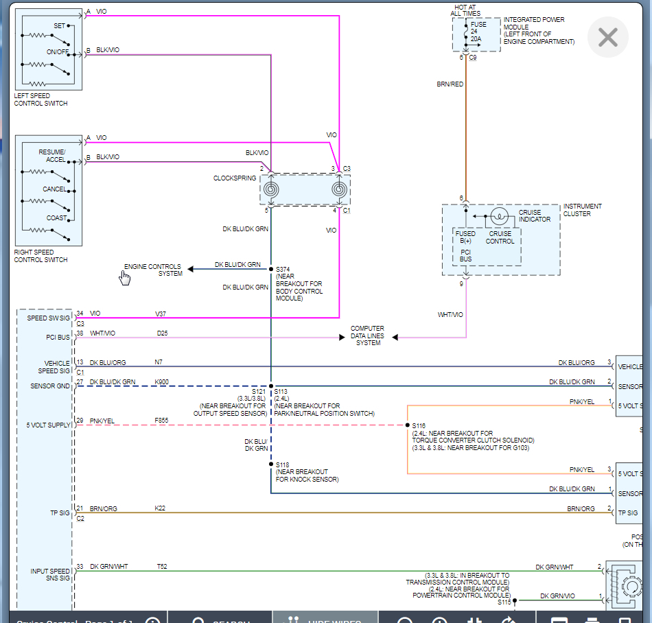
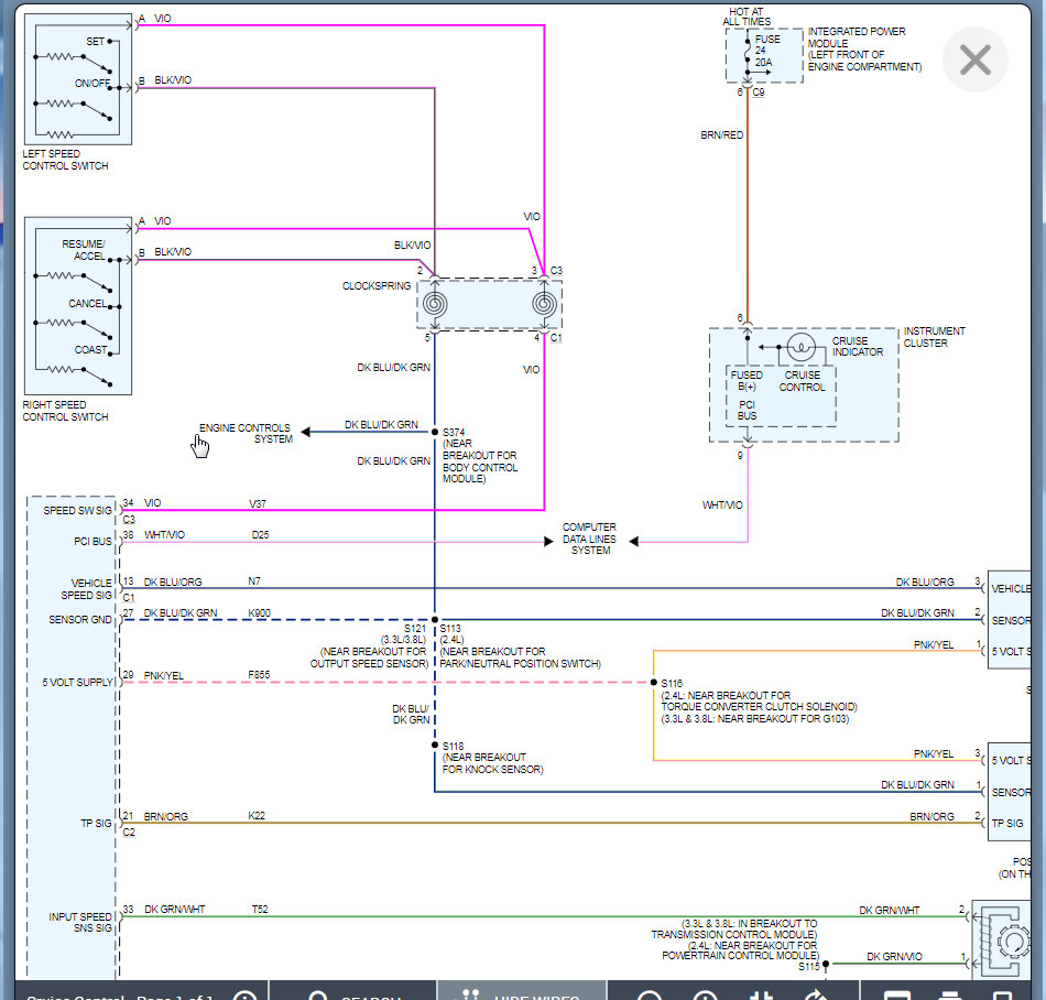
It sounds like the clock spring in the steering wheel is going out which is common. here is a wiring diagram so you can see how the system works and a guide to show you how to replace the clock spring.

https://www.2carpros.com/articles/steering-wheel-clock-spring-removal

Check out the diagrams (Below). Please let us know what happens.

Cheers
Was this
answer
helpful?
Yes
No
+2
Thursday, August 12th, 2010 AT 3:58 PM
Tiny
DHIBL2
  • MEMBER
  • 2 POSTS
I got the part for $78.00 and installed it all fixed. Doug
Was this
answer
helpful?
Yes
No
+2
Thursday, August 12th, 2010 AT 6:33 PM
Tiny
RICYBOY
  • MEMBER
  • 1 POST
  • 2005 DODGE CARAVAN
  • 3.1L
  • 4 CYL
  • 2WD
  • AUTOMATIC
  • 300,000 MILES
Horn is fine. Need help, cannot find any fuse for it.
Was this
answer
helpful?
Yes
No
Monday, September 21st, 2020 AT 7:31 PM (Merged)
Tiny
KASEKENNY
  • MECHANIC
  • 18,907 POSTS
Assuming that because you said the horn is fine, your switch is operating and the cluster shows the cruise is on but it just doesn't engage?

If this is the case, the issue is most likely the brake switch or the servo.

I attached a bunch of info. The main thing we need to check is if the brake switch plunger is sticking. This means the PCM thinks the brakes are being depressed even when they are not. Usually it is not enough to turn the brake lights on but this is the most likely cause. If it were me, I would replace the brake switch and go from there.
Was this
answer
helpful?
Yes
No
Monday, September 21st, 2020 AT 7:31 PM (Merged)
Tiny
CRISHLAVOR
  • MEMBER
  • 2 POSTS
  • 2002 DODGE CARAVAN
  • 6 CYL
  • FWD
  • AUTOMATIC
  • 89,000 MILES
My Dodge has recently been having a lot of problems and rather than fixing each individual problem, I am wondering if they are connected. First my Cruise control stopped working then months later, my A/C, heating started to only work on high, no other level works. Then several weeks later, when I start my vehicle, nothing works. Air, radio, wipers, windows (headlights and interior lights DO work.) After several minutes everything turns back on again--we did have the ignition replaced about 2 months before this problem started. Now, when driving the transmission seems not to be shifting, but not all the time, sometimes stopping the car and sitting for while, then restarting fixes this problem. I am desperate! Please tell me what is wrong and how to fix! Thanks!
Was this
answer
helpful?
Yes
No
Monday, September 21st, 2020 AT 7:31 PM (Merged)
Tiny
JACOBANDNICKOLAS
  • MECHANIC
  • 110,194 POSTS
Most sound related. The blower motor (heat / AC) is most likely a problem with the blower motor resister. As far as the other problems, the new ignition switch may not be properly adjusted. Has the check engine light ever come on?
Was this
answer
helpful?
Yes
No
Monday, September 21st, 2020 AT 7:31 PM (Merged)
Tiny
CRISHLAVOR
  • MEMBER
  • 2 POSTS
Yes, the check engine light has come on and I did take it to Auto Zone yesterday to do free analysis and it came back as a faulty speed sensor. And they think that the problem with the blower and with everything not working when I initially start the car is actually a fuse. What do you think? I am not able to fix the problems until pay day (in a few days), and I really hope that it is as simple as the employee from Auto Zone is suggesting, if so it should only cost around $60.00 to fix everything.
Was this
answer
helpful?
Yes
No
Monday, September 21st, 2020 AT 7:31 PM (Merged)
Tiny
JACOBANDNICKOLAS
  • MECHANIC
  • 110,194 POSTS
THe vehcle speed sensor could cause some of the problems you have experienced. However, if a fuse was bad, the blower motor wouldn't work on any speed.
Was this
answer
helpful?
Yes
No
Monday, September 21st, 2020 AT 7:31 PM (Merged)
Tiny
GROBIEO2L
  • MEMBER
  • 1 POST
  • 2000 DODGE CARAVAN
I have recently experianced problems with the cruise control/horn/air bag indicator light on my 2000 Dodge Caravan.

When turning a corner the air bag indicator light periodically comes on then goes off after a short time. The horn and the cruise control have stopped working. Can anyone offer suggestions for a place to start looking to resolve these problems?
Was this
answer
helpful?
Yes
No
Monday, September 21st, 2020 AT 7:32 PM (Merged)
Tiny
SERVICE WRITER
  • MECHANIC
  • 9,123 POSTS
My speculation:

Would check basics such as the fuse for the cruise. I would suspect that it is blown because of a short in the steering column. Just a guess
Was this
answer
helpful?
Yes
No
Monday, September 21st, 2020 AT 7:32 PM (Merged)
Tiny
LEN4090
  • MEMBER
  • 1 POST
  • 1999 DODGE CARAVAN
  • 6 CYL
  • FWD
I have an older caravan and want to add cruse control to a newer 1999 model. If the older cruse control will not work, will a unit from a newer dodge work?
Was this
answer
helpful?
Yes
No
Monday, September 21st, 2020 AT 7:32 PM (Merged)
Tiny
CARADIODOC
  • MECHANIC
  • 34,489 POSTS
What do you mean by "older". Older than a '99 or your '99 model is older? If your '99 does not have factory-installed cruise control, the dealer has a complete kit that includes everything needed. Adding it used to be a miserable job but now all the connectors are already there so you basically plug things in, at least that's how it was on the '95 and older models. I don't THINK you will have to switch the Engine Computer and I'm not aware of any programming it will need.

You will need to replace the brake light switch, steering wheel, and the clock spring under the steering wheel. That is a wound-up ribbon cable in a plastic housing. The new one will have two extra circuits for the set of cruise control switches.

You'll have to add the servo under the hood. The connector will most likely be hanging in the area.
Was this
answer
helpful?
Yes
No
Monday, September 21st, 2020 AT 7:32 PM (Merged)
Tiny
OMONTES7
  • MEMBER
  • 3 POSTS
  • 1999 DODGE CARAVAN
  • 6 CYL
  • 2WD
  • AUTOMATIC
  • 105,000 MILES
Cruse Control Stopped Working All the light indicators are on, but it does not engage. Could it be a fuse or something else?
Was this
answer
helpful?
Yes
No
Monday, September 21st, 2020 AT 7:32 PM (Merged)
Tiny
CARADIODOC
  • MECHANIC
  • 34,489 POSTS
Hold up the brake pedal with your foot. It the cruise works, check the adjustment of the brake light switch. if okay 9 times out of 10 it is the clock spring behind the steering wheel. Also lets check the fuses first. Here is a guide and the fuse location.

https://www.2carpros.com/articles/how-to-check-a-car-fuse

Check out the diagrams (Below). Please let us know what happens.
Was this
answer
helpful?
Yes
No
+3
Monday, September 21st, 2020 AT 7:32 PM (Merged)
Tiny
OMONTES7
  • MEMBER
  • 3 POSTS
Hold up the break pedal while idling or with the van off, Or while driving, I'm getting a test light for the fuse
Was this
answer
helpful?
Yes
No
Monday, September 21st, 2020 AT 7:32 PM (Merged)
Tiny
CARADIODOC
  • MECHANIC
  • 34,489 POSTS
While you're driving when the cruise control should work which is typically above 35 mph.
Was this
answer
helpful?
Yes
No
+1
Monday, September 21st, 2020 AT 7:32 PM (Merged)
Tiny
OMONTES7
  • MEMBER
  • 3 POSTS
Thanks Very Much is was the fuse :)
Was this
answer
helpful?
Yes
No
+1
Monday, September 21st, 2020 AT 7:32 PM (Merged)
Tiny
CARADIODOC
  • MECHANIC
  • 34,489 POSTS
Good to hear, please use 2CarPros anytime we are here to help.
Was this
answer
helpful?
Yes
No
+1
Monday, September 21st, 2020 AT 7:33 PM (Merged)
Tiny
JIM WHITAKER
  • MEMBER
  • 1 POST
  • 1999 DODGE CARAVAN
  • 6 CYL
  • FWD
  • AUTOMATIC
  • 150,000 MILES
Cruise control and horn quit working on trip yesterday
Was this
answer
helpful?
Yes
No
Monday, September 21st, 2020 AT 7:33 PM (Merged)
Tiny
CARADIODOC
  • MECHANIC
  • 34,489 POSTS
Hi Jim Whitaker. Welcome to the forum. Suspect a broken "clock spring" under the steering wheel. It's a wound up ribbon cable inside a housing. Soon the air bag light will come on too as it also has a pair of circuits going through the assembly.

Caradiodoc
Was this
answer
helpful?
Yes
No
Monday, September 21st, 2020 AT 7:33 PM (Merged)

Please login or register to post a reply.