Transmission wont shift, speedometer not working

Tiny
GWSHELL819
  • MEMBER
  • 2 POSTS
Thank you much but im Trying to fix this one. It worked fine until I tried fixing the bad solder. Short on money just need a diagram to figure out what I did wrong or still need to do.
Was this
answer
helpful?
Yes
No
Thursday, August 29th, 2019 AT 2:12 PM (Merged)
Tiny
CJ MEDEVAC
  • MECHANIC
  • 11,005 POSTS
I fear you may have heat damaged some sorta cyber device in it

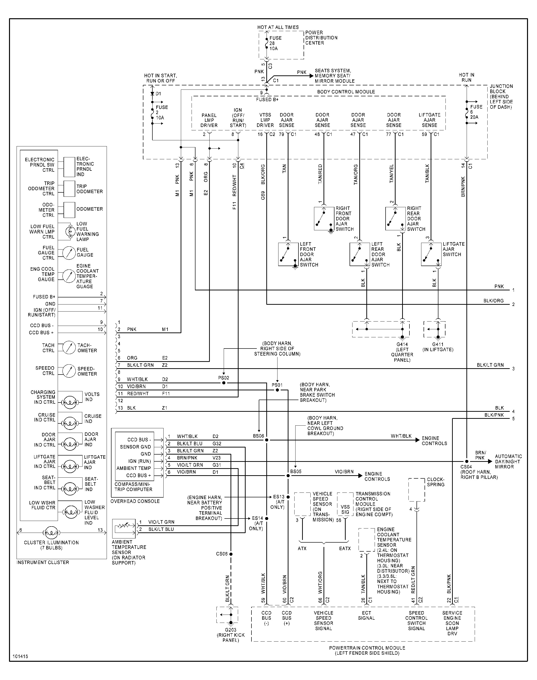
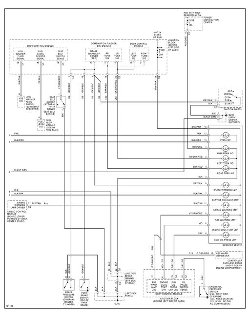
There were 2 other choices on "caravan" in "mitchell i". Not to mention the grand caravan stuff. Engine size did not enter in with my search

.I picked plain jane "caravan" when I grabbed you these diagrams

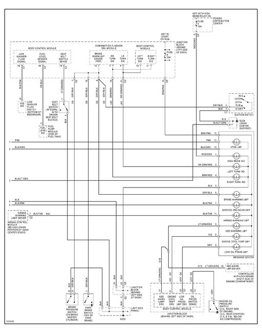
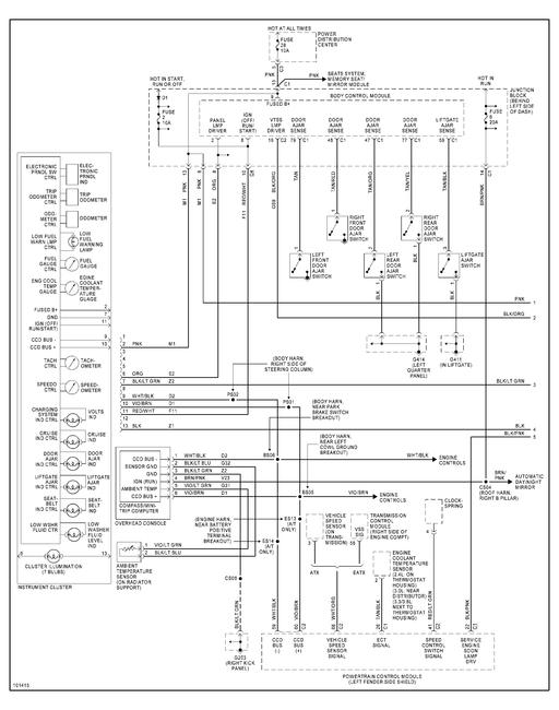
This is "instruments 1 of 2" and also "instruments 2 of 2"

Good luck, lemme know how it goes

The medic
Was this
answer
helpful?
Yes
No
+1
Thursday, August 29th, 2019 AT 2:13 PM (Merged)
Tiny
MAXIMILIAM
  • ADMIN
  • 436 POSTS
Thank you for the diagram it should help. Any place I could find a picture of the instrument cluster board? (Actual picture. ) That would be most helpful. Thank you again.
Was this
answer
helpful?
Yes
No
Thursday, August 29th, 2019 AT 2:13 PM (Merged)
Tiny
TFERGIE35
  • MEMBER
  • 3 POSTS
  • 1998 DODGE CARAVAN
  • AUTOMATIC
  • 99,000 MILES
I just bought this can not even a week ago the only thing wrong with it is the gas gauge and speedometer and stuff on the dash don't work. The lights do but the gauges don't. What could that be? I've been told by multiple people its an easy fix it's a relay sensor or fuse? What do you think? And what would the cost run me?
Was this
answer
helpful?
Yes
No
Thursday, August 29th, 2019 AT 2:13 PM (Merged)
Tiny
HMAC300
  • MECHANIC
  • 48,601 POSTS
Check fuses in car for this first then have a pro check for a bad dash as they are digital and go bad. They can be rebuilt prices vary all over.
Was this
answer
helpful?
Yes
No
Thursday, August 29th, 2019 AT 2:13 PM (Merged)
Tiny
TFERGIE35
  • MEMBER
  • 3 POSTS
The dash lights work and everything else just all the gauges don't.
Was this
answer
helpful?
Yes
No
+1
Thursday, August 29th, 2019 AT 2:13 PM (Merged)
Tiny
HMAC300
  • MECHANIC
  • 48,601 POSTS
Do what I replied the dashes go bad
Was this
answer
helpful?
Yes
No
Thursday, August 29th, 2019 AT 2:13 PM (Merged)
Tiny
DEBRA DETLEFSEN
  • MEMBER
  • 3 POSTS
  • 1998 DODGE CARAVAN
  • 117,000 MILES
It's not shifting and the speedometer is not working
Was this
answer
helpful?
Yes
No
Thursday, August 29th, 2019 AT 2:13 PM (Merged)
Tiny
WRENCHTECH
  • MECHANIC
  • 20,761 POSTS
It's on the side of the transaxle
Was this
answer
helpful?
Yes
No
Thursday, August 29th, 2019 AT 2:13 PM (Merged)
Tiny
TFERGIE35
  • MEMBER
  • 3 POSTS
Okay thank you. I found where the relays are located but I'm not to positive as to where the fuse box is.
Was this
answer
helpful?
Yes
No
Thursday, August 29th, 2019 AT 2:13 PM (Merged)
Tiny
DEBRA DETLEFSEN
  • MEMBER
  • 3 POSTS
THANK YOU VERY MUCH
Was this
answer
helpful?
Yes
No
Thursday, August 29th, 2019 AT 2:13 PM (Merged)
Tiny
HMAC300
  • MECHANIC
  • 48,601 POSTS
It's near the parking bake pedal and it's fuse 1
Was this
answer
helpful?
Yes
No
Thursday, August 29th, 2019 AT 2:13 PM (Merged)
Tiny
CARADIODOC
  • MECHANIC
  • 34,487 POSTS
The three speed isn't computer-controlled. If it isn't shifting, check the fluid level first.

If you have a circle around the "D" on the shift indicator, you have the four-speed computer-controlled transmission. That one uses two speed sensors. Both have to work for the entire system to work. For a clue, if it starts out in second gear right away and stays there as soon as you start the engine and shift into drive, it's an electronic problem, but usually not a sensor problem. If it clunks into second gear as soon as you start to move, suspect a sensor isn't generating a signal.
Was this
answer
helpful?
Yes
No
Thursday, August 29th, 2019 AT 2:13 PM (Merged)
Tiny
JCHAPMAN15
  • MEMBER
  • 1 POST
  • DODGE CARAVAN
1998 grand caravan, 3.3 engine, 80,000 miles. My speedometer worked intermittently and now does not work at all. Also the tach does not work. The fuel guage and the water temp guage still work. Also the odometer still works. I have replaced the circuit board behind the guages. I have checked the ignition switch, and have replaced the control module with a used one. Any ideas would be appreciated. The wife is ready to junk the van.
Was this
answer
helpful?
Yes
No
Thursday, August 29th, 2019 AT 2:13 PM (Merged)
Tiny
RASMATAZ
  • MECHANIC
  • 75,992 POSTS
Could be the vehicle speed sensor at the tranny or speedometer head-transmission control module.
Was this
answer
helpful?
Yes
No
Thursday, August 29th, 2019 AT 2:13 PM (Merged)
Tiny
TDFABER
  • MEMBER
  • 2 POSTS
I have a 1997 Chrysler T&C (3.3 engine) with 180,000 miles that has the same symptoms. This van has had wierd things happen with the instrument panel in the past, but disconnecting the battery for 5 minutes usually brought everything back.

When my mechanic plugged in his diagnostic tool, he could get a RPM and Speed reading, but the needles are fixed at 0 RPM and 120 MPH. All other guages work. The local dealer said it is most likely in the instrument cluster. A new one is about $400. He thought that I could most likely get one from a junk yard for about $50.
Was this
answer
helpful?
Yes
No
Thursday, August 29th, 2019 AT 2:13 PM (Merged)
Tiny
CARAVAN97
  • MEMBER
  • 3 POSTS
  • 1997 DODGE CARAVAN
  • 6 CYL
  • FWD
  • AUTOMATIC
  • 120,000 MILES
Hi I was driving on cruise control at 70 mph, the cruise control speed up and down speed up and down for few minuts after that the speedometer went to zero and I lost most of the power no more than 40 or so mph, no power to go up hill the millage not going up the door lock doesn't work on forward but work on revers I got a service engine soon warning light on. Is the speed sensor the problem? Or the transmission?Thank You
Was this
answer
helpful?
Yes
No
Thursday, August 29th, 2019 AT 2:13 PM (Merged)
Tiny
BMRFIXIT
  • MECHANIC
  • 19,053 POSTS
Most common relay coil pack on the side of the tranny.
But you should get the codes for the check engine light
if you need help with that let me know
Was this
answer
helpful?
Yes
No
Thursday, August 29th, 2019 AT 2:13 PM (Merged)
Tiny
BMRFIXIT
  • MECHANIC
  • 19,053 POSTS
From: caravan97
To: BMRFIXIT
Posted: Fri Dec 28, 2007 5:10 pm
Subject: code
how do I get the code with the ignition switch? Thanks
if you dont have a code reader
you can do this to get the code s
cycle the ignition key three time ending with key on engine off
read the p#### code number
in the miles area
post back the code s and thats will help to pin point the trouble area
let me know
Was this
answer
helpful?
Yes
No
Thursday, August 29th, 2019 AT 2:13 PM (Merged)
Tiny
GRTBB35
  • MEMBER
  • 1 POST
  • 1997 DODGE CARAVAN
  • 6 CYL
  • 2WD
  • AUTOMATIC
  • 100,000 MILES
Wife got into van this morning to go to work and found that nothing worked on the display gauges, the van been sitting for 3 days for the holidays.
Was this
answer
helpful?
Yes
No
Thursday, August 29th, 2019 AT 2:14 PM (Merged)

Please login or register to post a reply.