1999 Dodge Caravan no brake lights

Tiny
DEBBILYNN
  • MEMBER
  • 1999 DODGE CARAVAN
  • 6 CYL
  • 2WD
  • AUTOMATIC
  • 120,900 MILES
I have no brake lights, but the tail lights and signals still work, what could be the problem
Monday, August 30th, 2010 AT 8:02 AM

3 Replies

Tiny
WRENCHTECH
  • MECHANIC
  • 20,761 POSTS
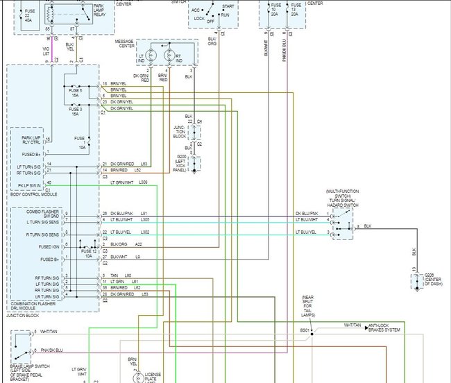
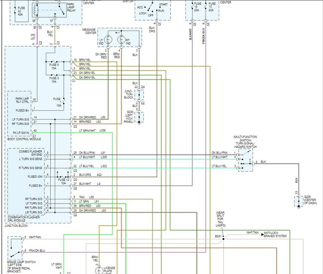
This uses a very basic circuit and the turn signals are not part of it. It powers from fuse #13 20amp and then goes through the brake light switch so you just need to do some testing at the brake light switch and see if you have power coming in all the time and going back out when the brake is applied.

This guide will help you test the circuit

https://www.2carpros.com/articles/how-to-check-wiring

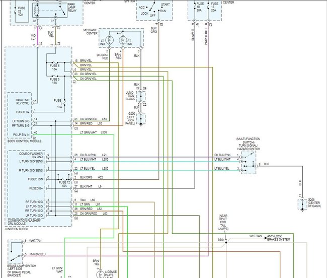
See the wiring diagram below
Was this
answer
helpful?
Yes
No
+1
Saturday, February 27th, 2021 AT 1:54 PM
Tiny
DEBBILYNN
  • MEMBER
  • 2 POSTS
We have checked that and even the bulbs they work, tail lights work.
Was this
answer
helpful?
Yes
No
+3
Saturday, February 27th, 2021 AT 1:54 PM
Tiny
WRENCHTECH
  • MECHANIC
  • 20,761 POSTS
If you have already checked it, tell me where you have power and where you don't and what color the wires were.
Was this
answer
helpful?
Yes
No
Saturday, February 27th, 2021 AT 1:54 PM

Please login or register to post a reply.