Only driver's side stop light not working; Dodge Caravan

Tiny
TAYLORSK
  • MEMBER
  • 2000 DODGE CARAVAN
  • 3.3L
  • V6
  • 2WD
  • AUTOMATIC
  • 201,000 MILES
I found that my driver's side brake (stop) light wasn't working, passenger side is working, as well as the center light in the trunk door.
I checked the fuse, replaced lamps, checked the wires for a break, everything seemed good.

Could it be my brake switch if only one isn't working?
Thursday, March 17th, 2016 AT 4:08 PM

1 Reply

Tiny
HMAC300
  • MECHANIC
  • 48,601 POSTS
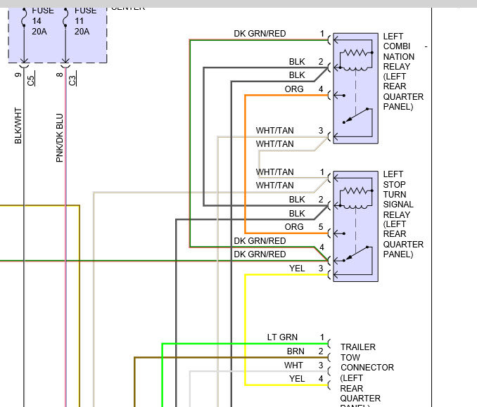
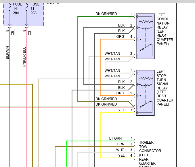
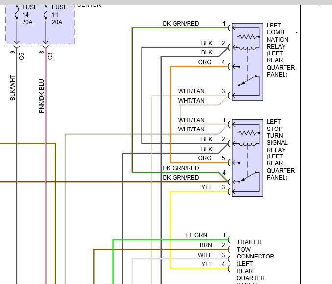
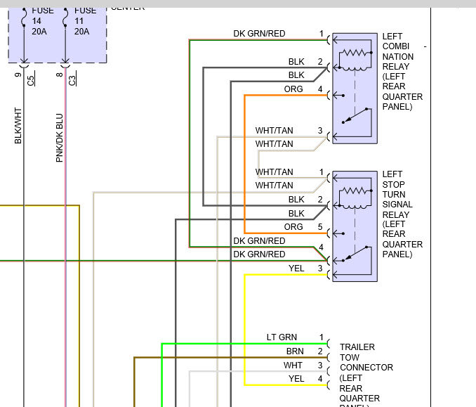
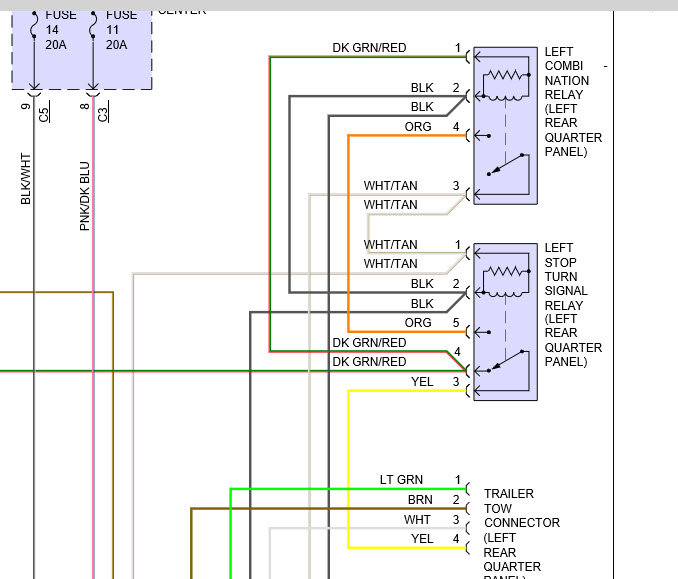
If you have one light working then it's not the switch, check white/tan wire for being broken also the two relays in pic one may not be sending to the light.
Was this
answer
helpful?
Yes
No
Thursday, March 17th, 2016 AT 4:21 PM

Please login or register to post a reply.