Wednesday, December 3rd, 2008 AT 5:37 PM
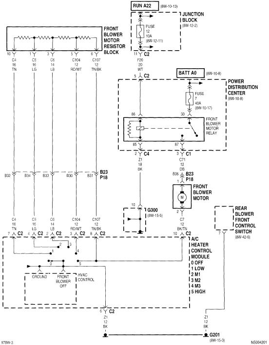
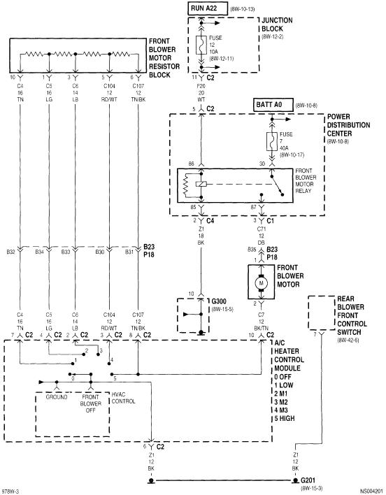
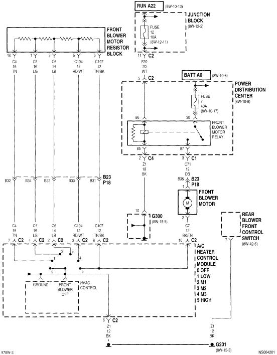
70% of the time the A/C fan in our van works without hesitation. Over the last two months it has been glitchy. We will start the van and there will be no blower fan in any mode we try. The fan kicks in as soon as we reach about 45 miles per hour, and is fine for days after that, turning on and off with no problem. Is there a capacitor on the fan motor that may be going that would make the fan not kick in until it is spinning already by the flow of outside air, or is there another obvious problem I am overlooking? Thank you for your time.







