Rear window wiper fuse location

Tiny
COBRA8553
  • MEMBER
  • 2007 DODGE CALIBER
  • 4 CYL
  • FWD
  • AUTOMATIC
  • 72,125 MILES
Rear window wiper fuse location?
Friday, April 23rd, 2010 AT 7:28 PM

1 Reply

Tiny
KEN L
  • MASTER CERTIFIED MECHANIC
  • 55,322 POSTS
Hello,

This system does not have a fuse for the rear windshield wiper circuit, it is controlled by the TIPM, you must check the fuse for that, is there any other operations that are not working? Here is the wiper system wiring diagram and a guide to test where you are losing power at.

https://www.2carpros.com/articles/how-to-use-a-test-light-circuit-tester

and

https://www.2carpros.com/articles/how-to-check-a-car-fuse

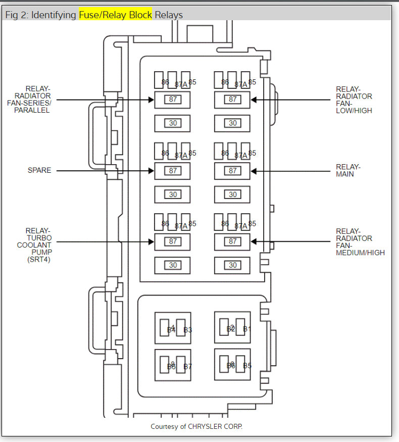
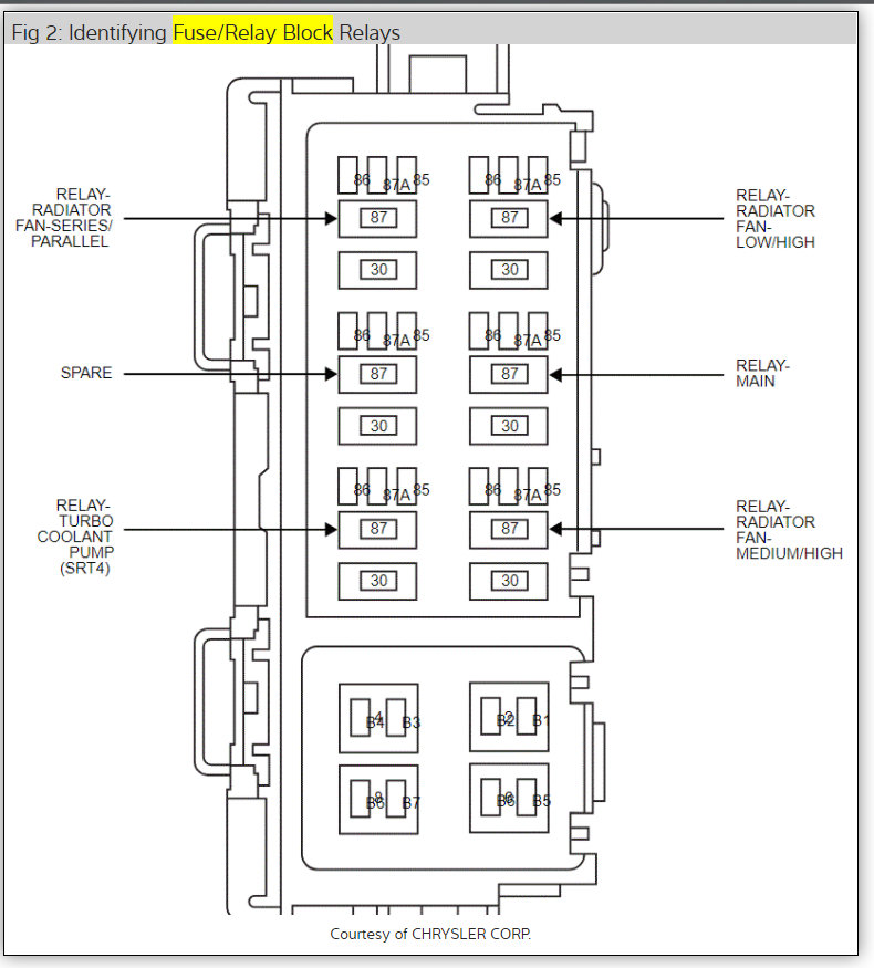
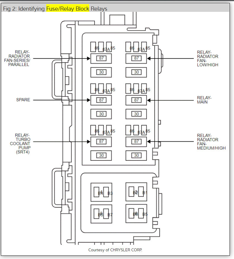
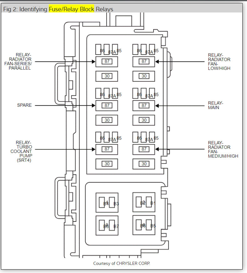
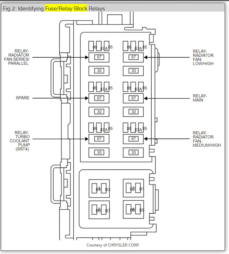
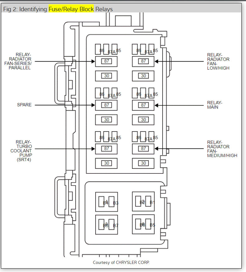
Check all fuses in the TIPM

Check out the diagrams (Below)

Please let us know if you need anything else to get the problem fixed.

Cheers, Ken
Was this
answer
helpful?
Yes
No
Monday, April 11th, 2016 AT 1:59 PM

Please login or register to post a reply.