2007 Dodge Caliber 4 cyl Front Wheel Drive 59000 miles
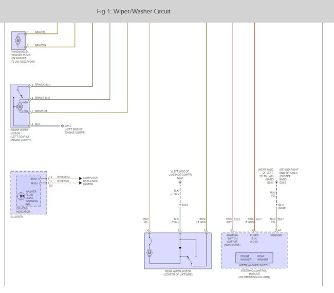
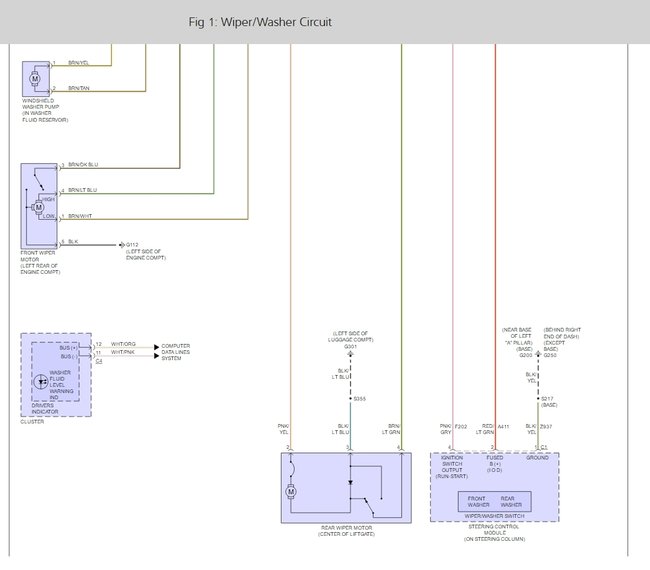
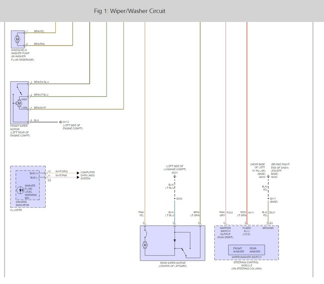
The rear window wiper does not work, I replaced the motor, yet no luck, the rear window washer works and it's on the same control?
Is there a special fuse, I pulled all and none are blown, unless there is an inline fuse, and if so what is the location.
any suggestions
Monday, May 10th, 2010 AT 11:46 AM


