I had a battery completely drain down to nothing due to lack of use with this car. It was dead for about a month from what I can guess.
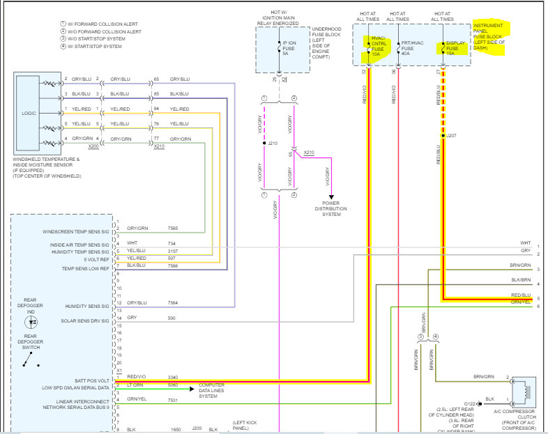
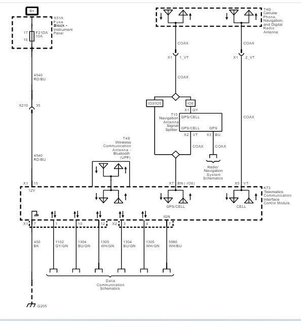
I put a new battery in and started to car, to find out that the HVAC wouldn’t light up at all. I tried to track down fuses, watch YouTube videos, disconnect the battery, touching power to the ground to do a complete system drain and reset, but nothing I have done has brought it back to life for me.
I did hook it to a OBD2 system computer, but not being very proficient with one, I wasn’t able to correct any issues.
I was able to flash the HVAC unit, which allowed a split second of the head unit to light up, but only to go completely black and without power yet again.
Please help me with fuse numbers and locations, as well as any relay’s, control modules, and Body control Module and locations, that I might need to consider. This vehicle has recently become more important to the family, and I will be driving it regularly now. I need it soon, please help as soon as possible. Thank you in advance.
Best
Justin-time
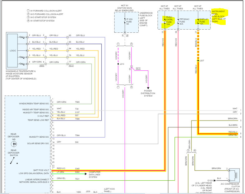
I put a new battery in and started to car, to find out that the HVAC wouldn’t light up at all. I tried to track down fuses, watch YouTube videos, disconnect the battery, touching power to the ground to do a complete system drain and reset, but nothing I have done has brought it back to life for me.
I did hook it to a OBD2 system computer, but not being very proficient with one, I wasn’t able to correct any issues.
I was able to flash the HVAC unit, which allowed a split second of the head unit to light up, but only to go completely black and without power yet again.
Please help me with fuse numbers and locations, as well as any relay’s, control modules, and Body control Module and locations, that I might need to consider. This vehicle has recently become more important to the family, and I will be driving it regularly now. I need it soon, please help as soon as possible. Thank you in advance.
Best
Justin-time
Apr 16, 2023 at 3:44 AM














