Monday, July 1st, 2019 AT 2:45 PM
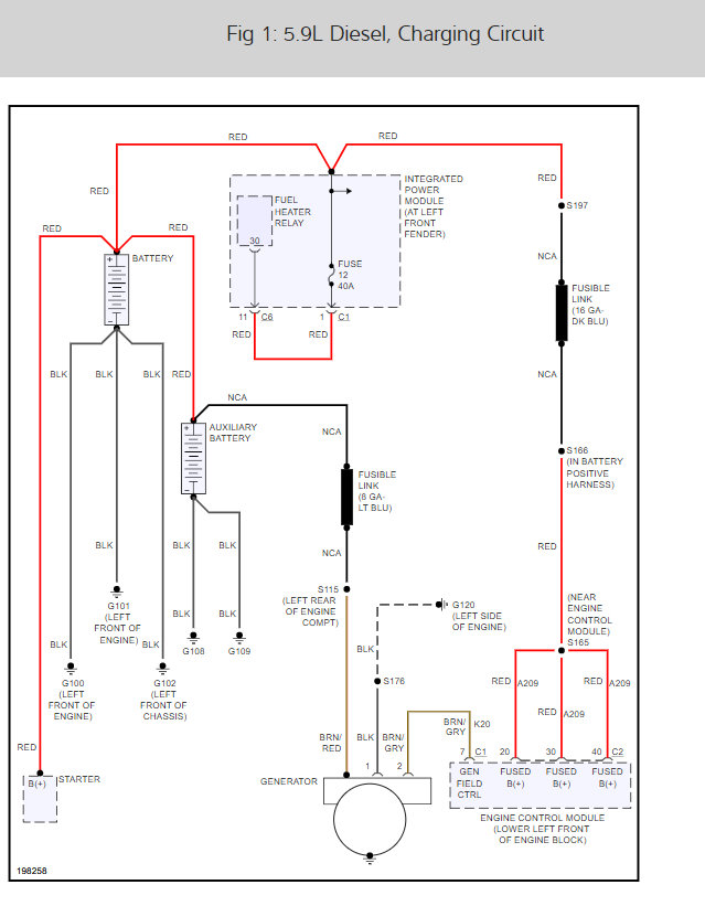
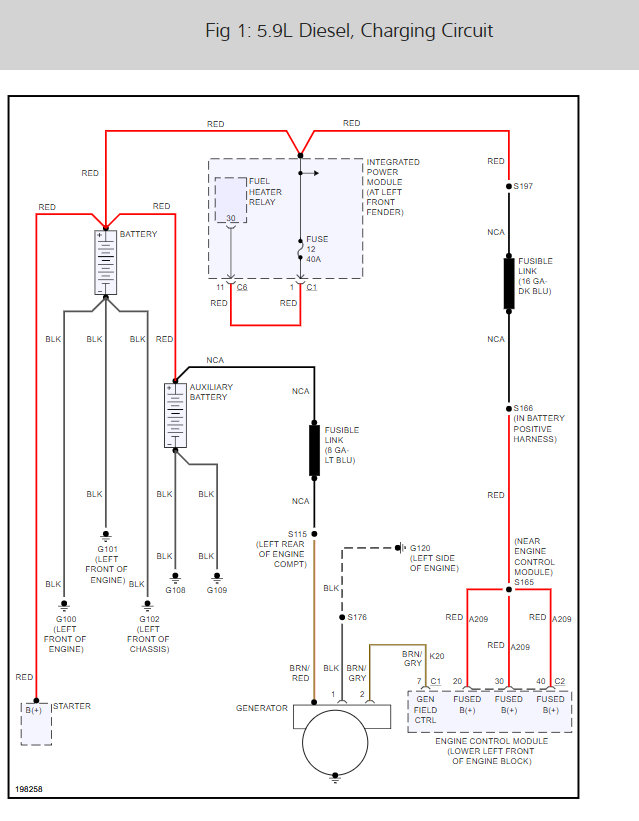
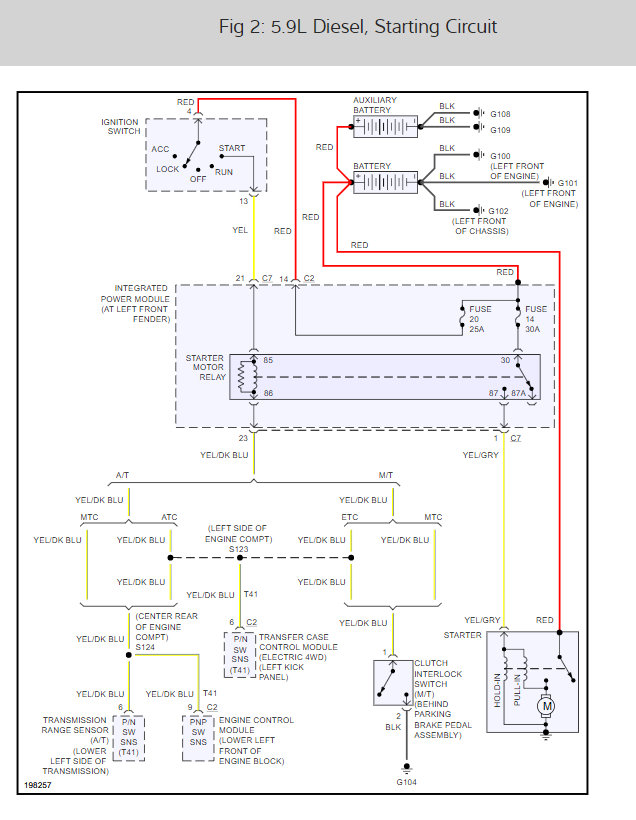
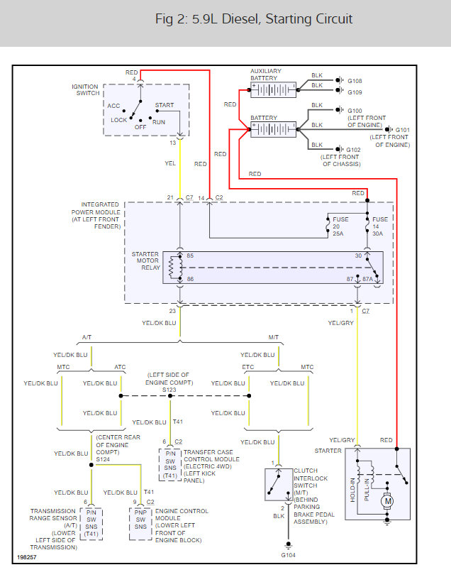
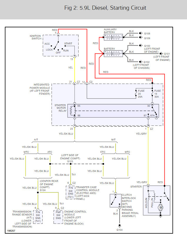
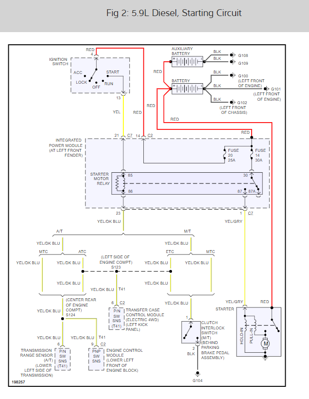
Replaced ignition switch rebuilt ECM, checked fuses relays and fuse box connection. Replaced natural switch cleaned contacts OBS reader failed to communicate with ECM. Problem is no cranking of engine, no start, no dash lights, no signals, back up lights come on. Only sound is fuel pump when ignition turned to start and run.



