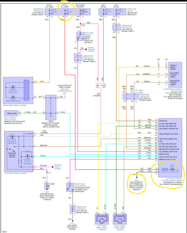
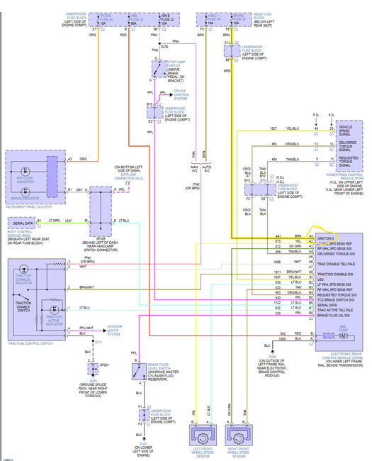
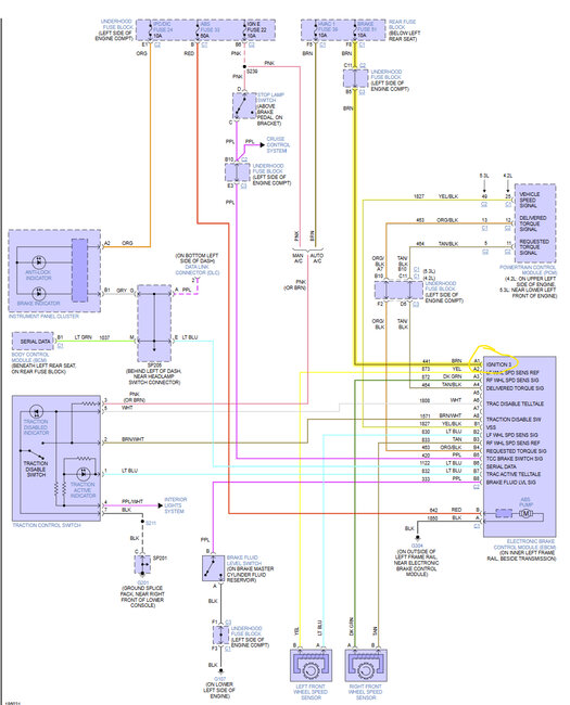
My ABS Light came on. And I ran scan tool but there is no current code.
In code history C0110 was present.
The brakes seem to work just as they always did. I don't notice anything wrong.
I tried to erase the code to shut the ABS light off. But it continues to come back on when I restart the car.
My transmission doesn't seem to be shifting as smoothly as it was. It was a little low on transmission fluid, so I topped it off. It shifted a little smoother but at times when I accelerate it just lags and then takes off. The shifting also is ruff most of the time still, like its slipping.
I'm wondering if this could possibly be the speed sensor because the ABS light is on? Or maybe one of transmission solenoids?
Thanks
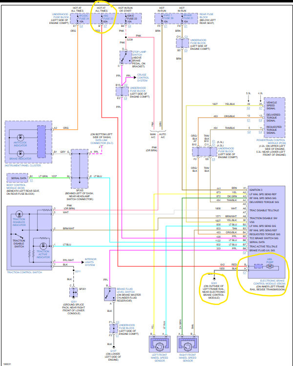
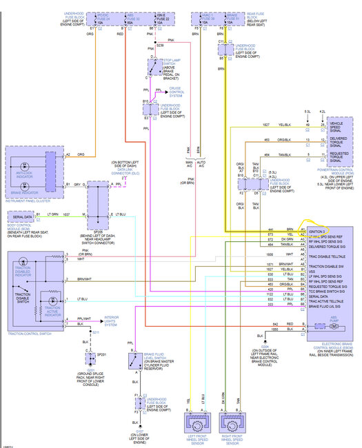
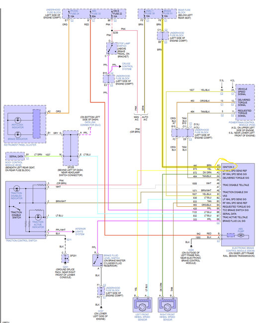
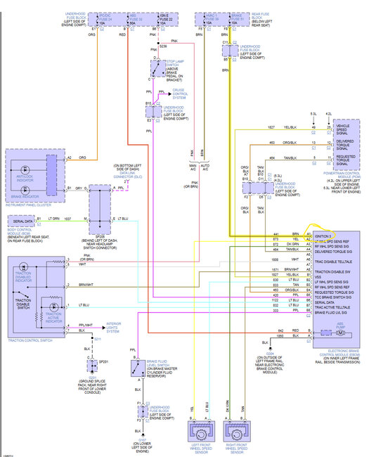
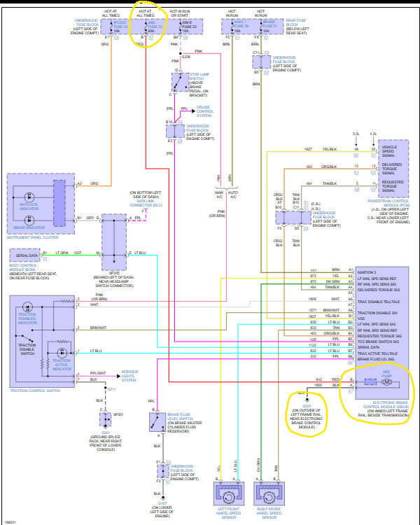
In code history C0110 was present.
The brakes seem to work just as they always did. I don't notice anything wrong.
I tried to erase the code to shut the ABS light off. But it continues to come back on when I restart the car.
My transmission doesn't seem to be shifting as smoothly as it was. It was a little low on transmission fluid, so I topped it off. It shifted a little smoother but at times when I accelerate it just lags and then takes off. The shifting also is ruff most of the time still, like its slipping.
I'm wondering if this could possibly be the speed sensor because the ABS light is on? Or maybe one of transmission solenoids?
Thanks
May 9, 2023 at 12:32 PM





