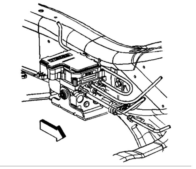
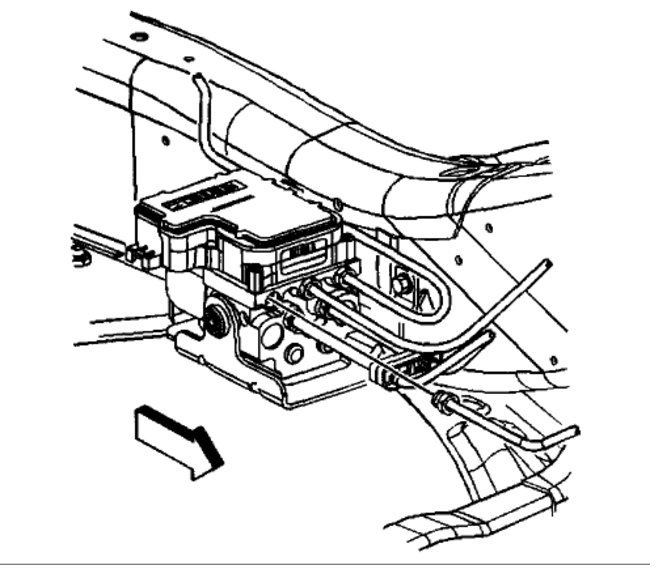
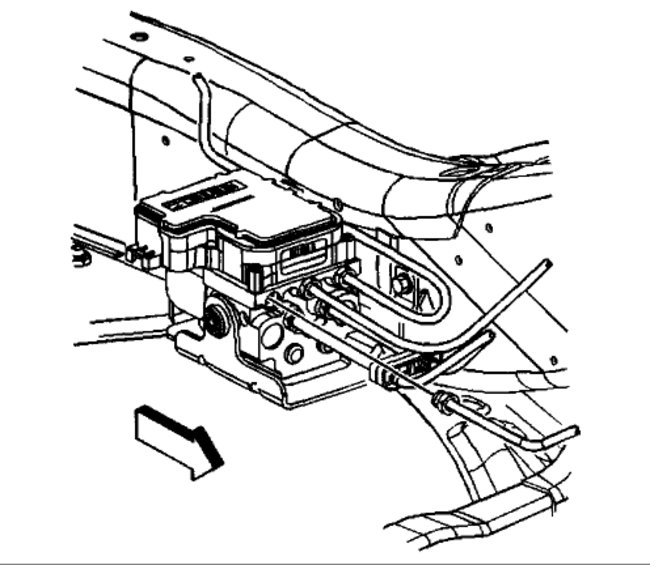
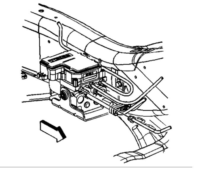
Friday, July 14th, 2017 AT 1:11 AM
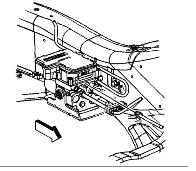
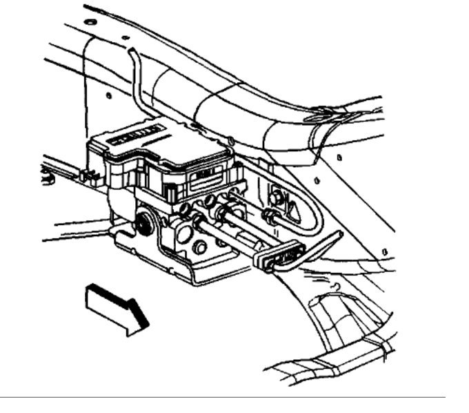
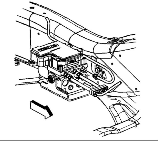
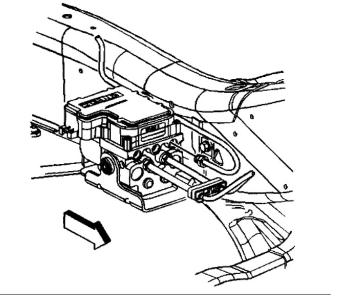
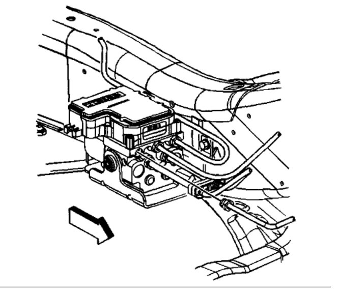
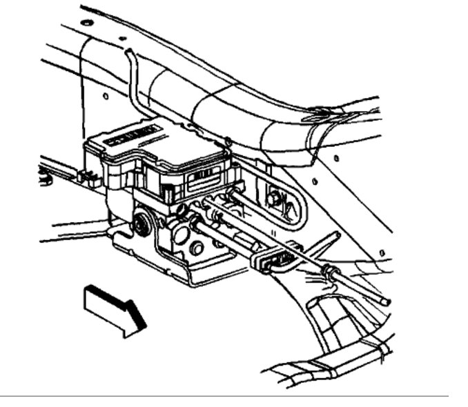
What could be the reason why my ABS light is on? I had three different things come up. Speed sensor, module and ABS pump. I am confused. Do I have to go to the dealer to find out why it is on?





