Diagnostic port no power detected

Tiny
DXONDXI
  • MEMBER
  • 2008 PORSCHE CAYMAN
  • 97,000 MILES
My car is showing up at a smog station with no power detected while trying to get it smog. I tried to see if row c port 2 fuse was blown according to diagram, and it is not. I need to get this car to pass smog but can't figure this out.
Saturday, January 8th, 2022 AT 11:28 AM

3 Replies

Tiny
JACOBANDNICKOLAS
  • MECHANIC
  • 110,194 POSTS
Hi,

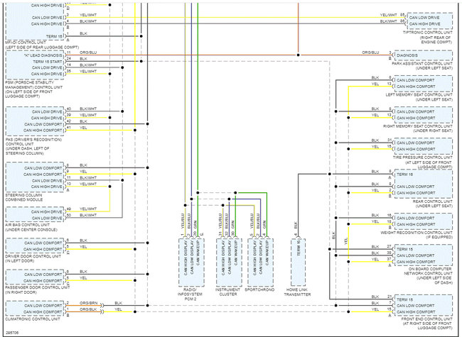
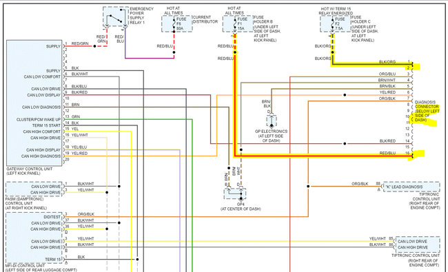
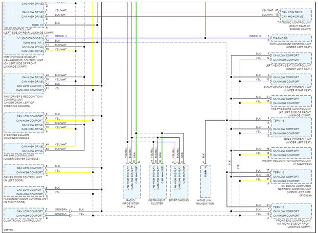
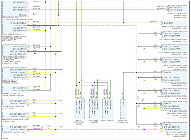
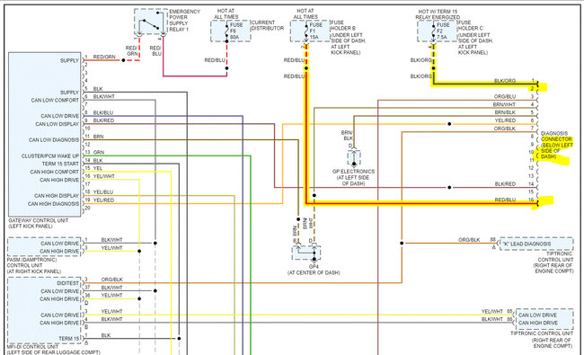
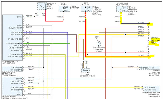
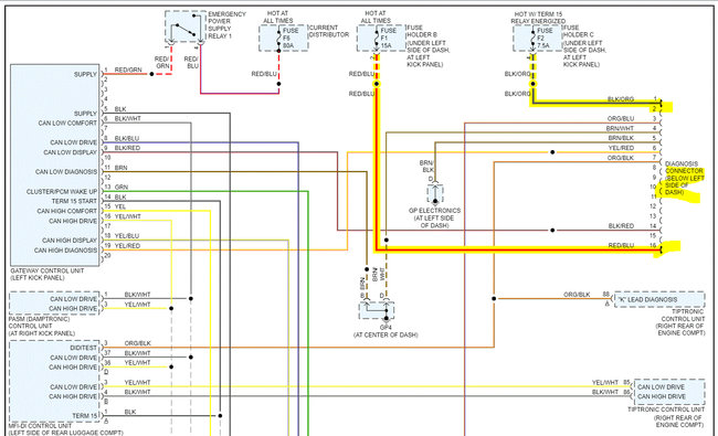
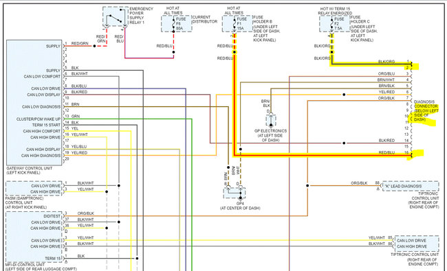
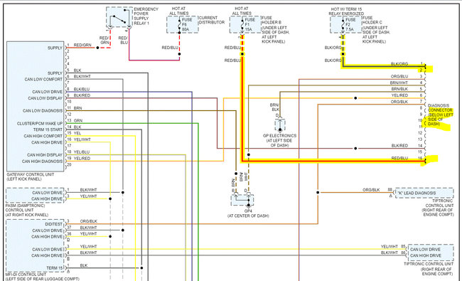
I attached the wiring schematic which includes the power supplies to the data link connector. As far as the fuse you checked, I think it was the wrong one. You need to check fuse 1 in fuse holder B on the left side, under the dash.

When you check the fuse, do two things. First, confirm the fuse is good. If it is, then confirm there is power to and from it. Here is a link you may find helpful.

https://www.2carpros.com/articles/how-to-check-a-car-fuse

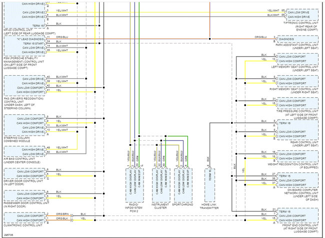
Also, if the fuse is good and has power, then go to the data link connector and confirm there is power getting to pin 16. (See pic 3). Pins 4 and 5 should have continuity to ground, so check that as well. Here is a link you may find helpful:

https://www.2carpros.com/articles/how-to-check-wiring

Let me know what you find or if you have other questions.

Take care,

Joe

Note: The wiring schematic had to be cut in two to make it readable for you. I did overlap the two so you can follow from one to the next.
Was this
answer
helpful?
Yes
No
+1
Sunday, January 9th, 2022 AT 7:28 PM
Tiny
DXONDXI
  • MEMBER
  • 2 POSTS
Thank you very much for the reply, after all this, it was the fuse that you mentioned. The pin was recessed in the harness therefore not making contact. Thank you for the help and the diagrams.
Was this
answer
helpful?
Yes
No
Saturday, January 15th, 2022 AT 2:42 AM
Tiny
JACOBANDNICKOLAS
  • MECHANIC
  • 110,194 POSTS
Hi,

Thank you for the update. I'm glad you found the problem and got things working again.

Please feel free to come back anytime in the future. You're always welcome here.

Take good care of yourself,

Joe
Was this
answer
helpful?
Yes
No
Saturday, January 15th, 2022 AT 1:59 PM

Please login or register to post a reply.