Then it started overheating again so I stopped and checked the coolant level and it was fine, so my friend said maybe there were air bubbles in the cooling system and I needed to bleed the radiator to get the air out, so I did that, and there was a ton of air that came out ; I drove home about 30 minutes, then again to work this morning with no issues so I thought I fixed it.
On my way home I was sitting at a light for a while and it started vibrating/rumbling and the heat level was rising so I started blasting the heat in the car on high to hopefully get myself somewhere I could safely stop before it overheated, but once I started driving at a decent speed it cooled back down to normal operating temperature. Then I turned the heat off and it was fine for a while, until the same thing happened again.
So, I've noticed the trend that it starts overheating when I have been sitting still/idle for a long time and/or been going at a low speed in stop and go traffic. But when I turn the heat on high and start going at a decent speed (25+ or so) it cools back down.
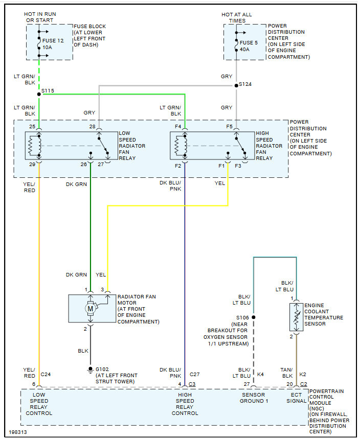
Can you help me diagnose the issue? I think it may be the radiator fans or thermostat from what I've googled but I don't know how to check them.
Friday, August 8th, 2025 AT 5:33 PM


