Defrost not working

Tiny
DENNIS BURTON
  • MEMBER
  • 2015 CHEVROLET MALIBU
  • 4 CYL
  • 2WD
  • AUTOMATIC
  • 145,000 MILES
When I push the defrost it seems as though it will only go as far as the front vents. I can cycle through the different buttons but I can't seem to get the air to come out the defrost area.
Wednesday, December 23rd, 2020 AT 5:17 PM

5 Replies

Tiny
JACOBANDNICKOLAS
  • MECHANIC
  • 110,192 POSTS
Hi,

Do you hear any clicking under the dash when you select defrost? I ask because it could be a faulty mode door actuator. The mode door is what directs airflow. It can be an adjustment issue, a faulty actuator, or a wiring issue.

I am going to provide the directions for adjustment. If you adjust it, if there is a problem it will be seen. For example, a broken tooth on a gear or something is disconnected.

__________________________________

Here are the directions for adjustment. The attached pics correlate with the directions. Also, let me know if this is something you feel comfortable doing.

_________________________________
2015 Malibu
Mode door actuator cam alignment

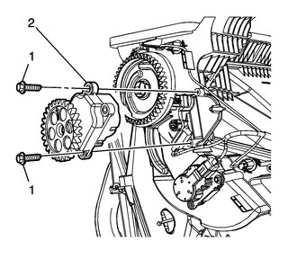
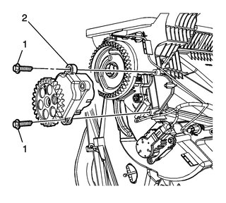
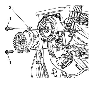
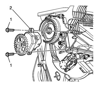
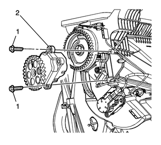
Remove the mode cam gear actuator screw 1 and separate the actuator 2 from the HVAC module.
Pic 1
Disconnect the mode cam gear actuator electrical connector
Remove the mode cam gear 1 from the HVAC module.

Pic 2

For alignment purposes, remove both cam gear levers 2.
If the valve gears 8 are damaged, remove them from the HVAC module and discard them.

Installation

Note: Do not use casting marks behind the cam gear levers for aligning the cam levers to the cam gear. This will likely result in poor HVAC performance or damage the module.

If the valve gears were removed or replaced, install them onto the HVAC module.
Rotate the defroster gear clockwise 1 as far as it will go and install the lever by engagina a gear tooth into the right most lever gap 1.

Pic 3

Rotate the heater door gear clockwise 1 as far as it will go and install the lever by engaging a gear tooth into the roght most lever gap 2.

Pic 4

Install the mod cam into position on the levers.

Pic 5
Continue to push the mode can onto the case and rotate left or right until a clisk is heard locking the mode cam in place.

Rotate the mode cam 1 from stop to stop. It should rotate completely without binding.

Place the mode cam actuator and gear assembly 1 on the HVAC module and install the screws 1.

Pic 6

Connect the mode cam actuator electrical connector

Install the HVAC module.
Connect the mode cam actuator electrical connector.
____________________________________

Let me know if this helps. Also, I need to confirm if this is manual or automatic climate control. If it is automatic, there are few variations to these directions that I will need to point out to you.

Take care,
Joe
Was this
answer
helpful?
Yes
No
+6
Wednesday, December 23rd, 2020 AT 10:14 PM
Tiny
DENNIS BURTON
  • MEMBER
  • 2 POSTS
Hi Joe,

Thanks for the reply.

There is no clicking and as far as I could tell you would never know there is anything wrong from the sound. As for whether I have an automatic or manual defrost I would say automatic. I push the button and it switches over to defrost.

So I tried all the other settings and they seem to work its just no air comes out the top of the dash.

The pictures are helpful but can you tell me where I find the actuator. I have tried to find out online and I am assuming behind the glove box? I have also seen videos where it is in behind the knee airbag on the drivers side.
Was this
answer
helpful?
Yes
No
Wednesday, December 23rd, 2020 AT 10:42 PM
Tiny
STEVE W.
  • MECHANIC
  • 15,680 POSTS
Automatic climate controls on that car will have a three knob control head, the left one will say auto on it. The manual controls will have two knobs with just fan and temperature. Both are shown in the images.
The mode control parts above are on the drivers side of the car up toward the top of the HVAC case You have to remove the knee bar and the airbag, then the brace behind it and then you can look up under the dash and see the parts involved. Those are the same for manual or automatic, but if you can select floor and dash but it doesn't go to defrost then it isn't the actuator itself, it will be either the mode cam or the mode lever on the defrost drive. They are all plastic and they tend to break off the small pin that rides in the track under the cam. Those are the parts in the last image, they need to be lined up as shown to allow them to move properly. They are also shown in the second image Joe posted and are in the instructions he posted as well. I will say that because of them being an issue I tend to replace both levers, the gears they drive and the cam, and apply some silicone based grease to each part to help them move better, don't use common grease as it can react with the material and cause them to crack faster.
Was this
answer
helpful?
Yes
No
+6
Wednesday, December 23rd, 2020 AT 11:44 PM
Tiny
MARK I
  • MEMBER
  • 3 POSTS
Hello. I know this thread is a couple years old, however I am having the same issue with my 2015 Malibu. Love the detail in the response. 2 questions though:
1. How do you access the top bolt on the cam gear actuator? It’s very tight in this spot. Also, is it a 5.5mm hex on that bolt?
2. Is the mode cam held on by a 5.5mm bolt as well, or is it a click/press fit?
Was this
answer
helpful?
Yes
No
-1
Wednesday, November 9th, 2022 AT 10:36 AM
Tiny
STEVE W.
  • MECHANIC
  • 15,680 POSTS
I normally use a quarter inch ratchet with a shallow socket or a fingertip driver. Have also used a ratcheting box end before, whatever is needed to get into the bolt. The cam should be a snap on part.
Was this
answer
helpful?
Yes
No
Thursday, November 10th, 2022 AT 10:17 AM

Please login or register to post a reply.